AC Bridges - 1 | Electrical Engineering SSC JE (Technical) - Electrical Engineering (EE) PDF Download

What are AC Bridges?

The “AC Bridge” is a natural outgrowth of the DC bridge (Wheatstone bridge) in its basic form consisting of Four bridge arms, a source of excitation, and a null or balanced detector.

These bridge methods are very useful for the measurement of:

  • Inductance (L)
  • Capacitance (C)
  • Frequency (f)
  • Mutual inductance (M)
  • Storage factor
  • Loss factor, etc.

Types of Sources in AC Bridges

  1. For Low frequency measurement the power line supply can serve as the source of excitation.
  2. For High frequency measurement the electronic oscillator is used as excitation voltage.

Types of Detectors in AC Bridges

1. Headphones

  • It is used at frequencies of 250 Hz and over upto 3 to 4 KHz.
  • Most sensitive detector for this ranges of frequency.

2. Vibration Galvanometer

  • It can be used from 5 Hz to 1000 Hz but suitable mainly upto 200 Hz.
  • They are extremely useful for power and low AF ranges.

3. Tuneable Amplifier Detector (TAD)

  • It can be used at 10 Hz to 100 KHz.

4. Cathode Ray Oscilloscope (CRO)

  • It is used for higher frequencies more than 5 KHz.

Note: For a DC Bridge , the PMMC(Permanent Magnet Moving Coil)  instrument acts as a detector.

Question for AC Bridges - 1
Try yourself:
Which type of detector is most suitable for frequencies ranging from 250 Hz to 4 KHz?
View Solution

AC Bridges through which Inductance (L) is Measured

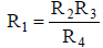
1. Maxwell’s Inductance Bridge

This bridge measures an unknown inductance by comparison with a variable standard self-inductance.

Maxwell`s Inductance BridgeMaxwell's Inductance Bridge

Let R1 and L1 be unknown quantities.
L2 = Variable inductance of fixed resistance ‘r2
R2 = Variable resistance connected in series with “L2
R3 and R4 = Known non-inductive resistances.
At balance condition,

AC Bridges - 1 | Electrical Engineering SSC JE (Technical) - Electrical Engineering (EE)

equating real and imaginary parts we get,

AC Bridges - 1 | Electrical Engineering SSC JE (Technical) - Electrical Engineering (EE)


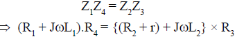
2. Maxwell’s Inductance-Capacitance Bridge

This Bridge measures an unknown inductance in terms of a known capacitance.

Maxwell Inductance Capacitance BridgeMaxwell Inductance Capacitance Bridge 

Phasor Diagram for Maxwell Inductance Capacitance BridgePhasor Diagram for Maxwell Inductance Capacitance Bridge

Let R1 and Lare unknown quantity R2, R3 and Rare known non-inductive resistances and C4 = variable standard capacitor
At balance condition, Z1Z4 = Z2Z3
AC Bridges - 1 | Electrical Engineering SSC JE (Technical) - Electrical Engineering (EE)

AC Bridges - 1 | Electrical Engineering SSC JE (Technical) - Electrical Engineering (EE)

Equating the real part we get,

AC Bridges - 1 | Electrical Engineering SSC JE (Technical) - Electrical Engineering (EE)
and equating the imaginary part we get,

AC Bridges - 1 | Electrical Engineering SSC JE (Technical) - Electrical Engineering (EE)

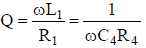
Quality Factor:
AC Bridges - 1 | Electrical Engineering SSC JE (Technical) - Electrical Engineering (EE)

Advantages:

  • Circuit is simple.
  • Obtained balance equations are free from the frequency term.
  • Balance equations are independent if we choose R4 and C4 as variable elements.
  • It is very useful for measurement of a wise range of inductances at power and audio frequencies.

Disadvantages:

  • It requires a variable standard capacitor which is very costly.
  • The bridge is limited to the measurement of low-quality coils (1 < Q < 10) and it is also unsuitable for the low value of Q (i.e. Q < 1) from this we conclude that a Maxwell bridge is suitable only for medium Q coils.
    Question for AC Bridges - 1
    Try yourself:Which of the following statements is true regarding the Maxwell’s Inductance-Capacitance Bridge?
     
    View Solution

3. HAY’s Bridge

 It is a modification of Maxwell’s bridge.

  • This bridge uses resistances in series with the standard capacitor as shown in figure below,

Hay`s BridgeHay's Bridge

Phasor Diagram of Hay`s BridgePhasor Diagram of Hay's Bridge

Let,R1 and L1 are unknown quantity
R2, R3 and R4 are non-inductive resistances.
and C4 = standard capacitor
At balance condition,
Z1Z= Z2Z3

  AC Bridges - 1 | Electrical Engineering SSC JE (Technical) - Electrical Engineering (EE)

Equating real and imaginary parts we get, AC Bridges - 1 | Electrical Engineering SSC JE (Technical) - Electrical Engineering (EE)and  AC Bridges - 1 | Electrical Engineering SSC JE (Technical) - Electrical Engineering (EE)
 
Quality factor =  AC Bridges - 1 | Electrical Engineering SSC JE (Technical) - Electrical Engineering (EE)
i.e.  AC Bridges - 1 | Electrical Engineering SSC JE (Technical) - Electrical Engineering (EE)Now   AC Bridges - 1 | Electrical Engineering SSC JE (Technical) - Electrical Engineering (EE)and  AC Bridges - 1 | Electrical Engineering SSC JE (Technical) - Electrical Engineering (EE)

  • In this bridge, the expression for the unknown inductance and resistance involves the frequency term.
    So, for the higher Q (i.e. Q > 10) 1 + (1/Q)2 ≈ 1 and then,

  AC Bridges - 1 | Electrical Engineering SSC JE (Technical) - Electrical Engineering (EE)

  • So, we can say this bridge is suitable for high Q-coils (i.e. Q > 10)

Advantages:

  •  It gives a simple expression for the Q-factor.
  • For high Q-coils, it gives a simple expression for unknown R1 and L1.

Disadvantages:

  • It is not suitable for medium or low Q-coils.

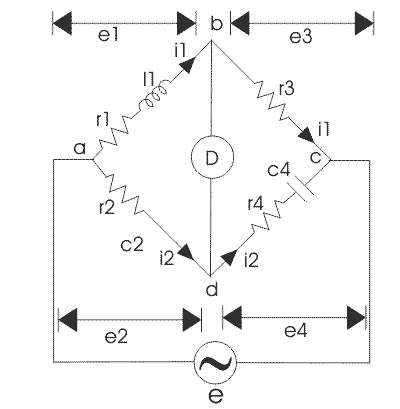
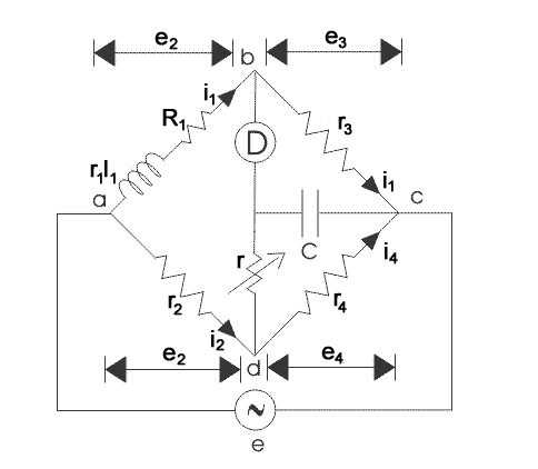
4. Anderson’s Bridge

  • It is a modification of the Maxwell’s inductance-capacitance bridge.
  • In this bridge method, the self-inductance is measured in terms of standard capacitor

 Anderson`s BridgeAnderson's Bridge

At balanced condition, Vb = Ve 

So, ID = 0
Also for the Delta network
AC Bridges - 1 | Electrical Engineering SSC JE (Technical) - Electrical Engineering (EE)
we can convert this in star form

 as AC Bridges - 1 | Electrical Engineering SSC JE (Technical) - Electrical Engineering (EE)

So, 

AC Bridges - 1 | Electrical Engineering SSC JE (Technical) - Electrical Engineering (EE)For balance condition, Zab.Zc = ZaN.Zbc

AC Bridges - 1 | Electrical Engineering SSC JE (Technical) - Electrical Engineering (EE) AC Bridges - 1 | Electrical Engineering SSC JE (Technical) - Electrical Engineering (EE)

Equating the real part we get,

AC Bridges - 1 | Electrical Engineering SSC JE (Technical) - Electrical Engineering (EE)Now equating the imaginary part we get,
L1 R4 = R3C[R2 R4 + rR2 + rR4]

 AC Bridges - 1 | Electrical Engineering SSC JE (Technical) - Electrical Engineering (EE)


Phasor diagram for Anderson’s bridge:

Phasor Diagram for Anderson`s BridgePhasor Diagram for Anderson's Bridge

Quality factor =  AC Bridges - 1 | Electrical Engineering SSC JE (Technical) - Electrical Engineering (EE)

  • It is suitable for Low Q-coils (i.e. Q < 1).

Advantages:

  •  It may be used for accurate estimation of capacitance in terms of inductance.
  • It is relatively cheaper because here fixed capacitance is used.
  • It is much easier to obtain the balance.

Disadvantage:

  • It is a more complex circuit.
  • The balance equations are not simple and are much more tedious.
  • An additional junction point increases the difficulty of shielding the bridge network.

5. Owen’s Bridge

  • This bridge may also be used for the measurement of inductance in terms of capacitance.

Owen`s BridgeOwen's Bridge

               Phasor Diagram for Owen`s BridgePhasor Diagram for Owen's Bridge

Let R1 and L1 be the unknown quantity

R2 = Variable non-inductive resistance

R3 = Fixed non-inductive resistance

C2 = Variable standard capacitor

C= Fixed standard capacitor

At balance condition,

ZabZcd = Zad. Zbc

AC Bridges - 1 | Electrical Engineering SSC JE (Technical) - Electrical Engineering (EE)

Equating real and imaginary parts we get,
AC Bridges - 1 | Electrical Engineering SSC JE (Technical) - Electrical Engineering (EE)

and

L1 = R2 R3 C4
Quality factor  = AC Bridges - 1 | Electrical Engineering SSC JE (Technical) - Electrical Engineering (EE)
Advantages:

  • It has independent balance equations.
  • The unknown quantities expressions are free from frequency terms.
    This can be used over a wide range of measurements of inductances.

Disadvantages:

  • It requires a variable capacitor so it is a very costly network.
  • Its accuracy is about only 1%.

AC bridges through which capacitances are measured

1. De Sauty’s Bridge

  • It is the simplest method of comparing two capacitances.
  • It may also be used for determining the dissipation factor (D).

Considering ideal capacitors, the bridge circuit is,
  De Sauty BridgeDe Sauty BridgeLet C= unknown capacitor
C2 = a standard capacitor
R3 and R4 = non-inductive resistors
At balance condition:
Zab . Zcd = Zad . Zbc
AC Bridges - 1 | Electrical Engineering SSC JE (Technical) - Electrical Engineering (EE)

The advantage of this bridge is its simplicity but from this we can not determine the “Dissipation Factor (D)”, so some modifications are needed in the above bridge.
Now we consider the lossy capacitor and bridge to become “Modified De-Sauty’s Bridge”.
Modified De Sauty BridgeModified De Sauty Bridge

  • Given C2 so, D2 = ωC2r2 and we have to estimate C1 and hence D1 = ωC1r
    At balance condition,
    Zab . Zcd = Zbc . Zad
    AC Bridges - 1 | Electrical Engineering SSC JE (Technical) - Electrical Engineering (EE)
    Equating real part we get, (R1 + r1)R= (R2 + r2)R3
    AC Bridges - 1 | Electrical Engineering SSC JE (Technical) - Electrical Engineering (EE)Now equating the imaginary part we have,
    AC Bridges - 1 | Electrical Engineering SSC JE (Technical) - Electrical Engineering (EE)   and  AC Bridges - 1 | Electrical Engineering SSC JE (Technical) - Electrical Engineering (EE)
    Also,
      AC Bridges - 1 | Electrical Engineering SSC JE (Technical) - Electrical Engineering (EE)
  • This bridge can not determine the accurate result for the dissipation factor because we have,
    D 2 – D1 = ω[C2r2 – C1r1]
    AC Bridges - 1 | Electrical Engineering SSC JE (Technical) - Electrical Engineering (EE)
    Since (D2 – D1) is very- very small it is difficult to determine “D1” accurately.

2. Schering Bridge

The Schering bridge is used for measuring the capacitance of the capacitor, dissipation factor, properties of an insulator, capacitor bushing, insulating oil, and other insulating materials. It is one of the most commonly used AC bridges. The Schering bridge works on the principle of balancing the load on its arm.

In this diagram:
Schering BridgeSchering Bridge

  • C1 = capacitor whose capacitance is to be determined
  • R1 = a series resistance representing the loss in the capacitor C1
  • C2 = a standard capacitor
  • R3 = a variable non-inductive resistance
  • C= a variable capacitor
  • R4 = a non-inductive resistance in parallel with the variable capacitor C4

When the bridge is in the balanced condition, zero current passes through the detector, which shows that the potential across the detector is zero. At balance condition
Z1/Z2 = Z3/Z4
Z1Z4 = Z2Z3

Substituting the values of z1, z2, z3 and z4 in the above equation, we get
AC Bridges - 1 | Electrical Engineering SSC JE (Technical) - Electrical Engineering (EE)AC Bridges - 1 | Electrical Engineering SSC JE (Technical) - Electrical Engineering (EE)

Equating the real and imaginary parts and the separating we get,

AC Bridges - 1 | Electrical Engineering SSC JE (Technical) - Electrical Engineering (EE)

Phasor Diagram for Schering BridgePhasor Diagram for Schering Bridge

Let us consider the phasor diagram of the above Schering bridge circuit and mark the voltage drops across ab, bc, cd, and ad as e1, e3,e4, and e2 respectively. From the above Schering bridge phasor diagram, we can calculate the value of tanδ which is also called the dissipation factor.
AC Bridges - 1 | Electrical Engineering SSC JE (Technical) - Electrical Engineering (EE)

The equation that we have derived above is quite simple and the dissipation factor can be calculated easily.

Advantages of Schering Bridge:
1. Balance equations are free from frequency.
2. The arrangement of the bridge is less costly as compared to the other bridges.

Question for AC Bridges - 1
Try yourself:Which of the following AC bridges is used for measuring the capacitance of the capacitor, dissipation factor, properties of an insulator, capacitor bushing, insulating oil and other insulating materials?
View Solution

The document AC Bridges - 1 | Electrical Engineering SSC JE (Technical) - Electrical Engineering (EE) is a part of the Electrical Engineering (EE) Course Electrical Engineering SSC JE (Technical).
All you need of Electrical Engineering (EE) at this link: Electrical Engineering (EE)
23 videos|94 docs|42 tests

FAQs on AC Bridges - 1 - Electrical Engineering SSC JE (Technical) - Electrical Engineering (EE)

1. How do AC bridges measure inductance?
Ans. AC bridges measure inductance by balancing the unknown inductance with known resistors, capacitors, and an AC voltage source in a bridge circuit. By adjusting the values of the known components until the bridge is balanced, the inductance value can be calculated.
2. What components are typically used in AC bridges to measure capacitance?
Ans. AC bridges typically use known resistors, inductors, and an AC voltage source in a bridge circuit to measure capacitance. By adjusting the values of the known components until the bridge is balanced, the capacitance value can be calculated.
3. How does an AC bridge work in measuring inductance?
Ans. An AC bridge works by comparing the unknown inductance with known values of resistors, capacitors, and an AC voltage source. The bridge circuit is balanced when the voltage across the detector is zero, indicating that the unknown inductance has been accurately measured.
4. What is the significance of balancing an AC bridge circuit in measuring capacitance?
Ans. Balancing an AC bridge circuit is crucial in measuring capacitance as it allows for accurate determination of the unknown capacitance value. By adjusting the known components until the bridge is balanced, the capacitance value can be calculated with precision.
5. How can AC bridges be used to measure inductance and capacitance simultaneously?
Ans. AC bridges can measure inductance and capacitance simultaneously by using a dual bridge circuit, where one side is used to measure inductance and the other side is used to measure capacitance. By balancing both sides of the bridge, both inductance and capacitance values can be determined accurately.
Related Searches

Viva Questions

,

AC Bridges - 1 | Electrical Engineering SSC JE (Technical) - Electrical Engineering (EE)

,

Semester Notes

,

Exam

,

past year papers

,

practice quizzes

,

mock tests for examination

,

video lectures

,

Important questions

,

Free

,

AC Bridges - 1 | Electrical Engineering SSC JE (Technical) - Electrical Engineering (EE)

,

ppt

,

study material

,

Sample Paper

,

Summary

,

shortcuts and tricks

,

Extra Questions

,

AC Bridges - 1 | Electrical Engineering SSC JE (Technical) - Electrical Engineering (EE)

,

Previous Year Questions with Solutions

,

MCQs

,

Objective type Questions

,

pdf

;