A group of flip flops which is used to store multiple bits of data and the data is moved from one flip flop to another is known as Shift Register. The bits stored in registers shifted when the clock pulse is applied within and inside or outside the registers. To form an n-bit shift register, we have to connect n number of flip flops. So, the number of bits of the binary number is directly proportional to the number of flip flops. The flip flops are connected in such a way that the first flip flop's output becomes the input of the other flip flop.
A Shift Register can shift the bits either to the left or to the right. A Shift Register, which shifts the bit to the left, is known as "Shift left register", and it shifts the bit to the right, known as "Right left register".
The shift register is classified into the following types:
Block Diagram:

Operation
When the clock signal application is disabled, the outputs Y3 Y2 Y1 Y0 = 0000. The LSB bit of the number is passed to the data input Din, i.e., D3. We will apply the clock, and this time the value of D3 is 1. The first flip flop, i.e., FF-3, is set, and the word is stored in the register at the first falling edge of the clock. Now, the stored word is 1000.
The next bit of the binary number, i.e., 1, is passed to the data input D2. The second flip flop, i.e., FF-2, is set, and the word is stored when the next negative edge of the clock hits. The stored word is changed to 1100.
The next bit of the binary number, i.e., 1, is passed to the data input D1, and the clock is applied. The third flip flop, i.e., FF-1, is set, and the word is stored when the negative edge of the clock hits again. The stored word is changed to 1110.

Similarly, the last bit of the binary number, i.e., 1, is passed to the data input D0, and the clock is applied. The last flip flop, i.e., FF-0, is set, and the word is stored when the clock's negative edge arrives. The stored word is changed to 1111.

Truth Table

Waveforms

Block Diagram

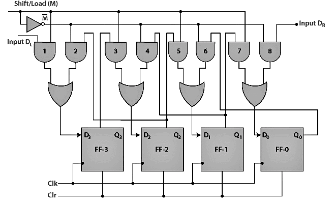
In the "Parallel IN Serial OUT" register, the data is entered in a parallel way, and the outcome comes serially. A four-bit "Parallel IN Serial OUT" register is designed below. The input of the flip flop is the output of the previous Flip Flop. The input and outputs are connected through the combinational circuit. Through this combinational circuit, the binary input B0, B1, B2, B3 are passed. The shift mode and the load mode are the two modes in which the "PISO" circuit works.
Load mode
The bits B0, B1, B2, and B3 are passed to the corresponding flip flops when the second, fourth, and sixth "AND" gates are active. These gates are active when the shift or load bar line set to 0. The binary inputs B0, B1, B2, and B3 will be loaded into the respective flip-flops when the edge of the clock is low. Thus, parallel loading occurs.
Shift mode
The second, fourth, and sixth gates are inactive when the load and shift line set to 0. So, we are not able to load data in a parallel way. At this time, the first, third, and fifth gates will be activated, and the shifting of the data will be left to the right bit. In this way, the "Parallel IN Serial OUT" operation occurs.
Block Diagram

In "Parallel IN Parallel OUT", the inputs and the outputs come in a parallel way in the register. The inputs A0, A1, A2, and A3, are directly passed to the data inputs D0, D1, D2, and D3 of the respective flip flop. The bits of the binary input is loaded to the flip flops when the negative clock edge is applied. The clock pulse is required for loading all the bits. At the output side, the loaded bits appear.
Block Diagram

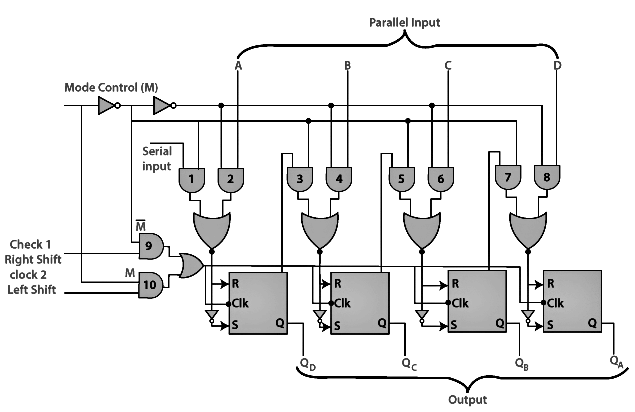
Block Diagram

Operations
1. Shift right operation(M=1)
2. Shift left operation(M=0)
Block Diagram

|
75 videos|188 docs|70 tests
|