Stress Concentration - 1 | Design of Machine Elements - Mechanical Engineering PDF Download

Introduction 

In developing a machine it is impossible to avoid changes in cross-section, holes, notches, shoulders etc. Some examples are shown in figure- 3.2.1.1.
 

Stress Concentration - 1 | Design of Machine Elements - Mechanical Engineering

3.2.1.1F- Some typical illustrations leading to stress concentration.

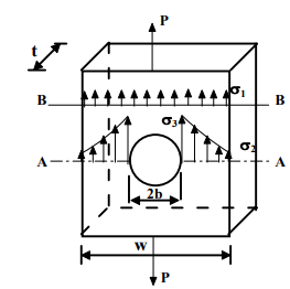
Any such discontinuity in a member affects the stress distribution in the neighbourhood and the discontinuity acts as a stress raiser. Consider a plate with a centrally located hole and the plate is subjected to uniform tensile load at the ends. Stress distribution at a section A-A passing through the hole and another

section BB away from the hole are shown in figure- 3.2.1.2. Stress distribution away from the hole is uniform but at AA there is a sharp rise in stress in the vicinity of the hole. Stress concentration factor kt is defined as Stress Concentration - 1 | Design of Machine Elements - Mechanical Engineering where σav at section AA is simply Stress Concentration - 1 | Design of Machine Elements - Mechanical EngineeringThis is the theoretical or geometric stress concentration factor and the factor is not affected by the material properties.

 

Stress Concentration - 1 | Design of Machine Elements - Mechanical Engineering
3.2.1.2F- Stress concentration due to a central hole in a plate subjected to an uni-axial loading.

 

It is possible to predict the stress concentration factors for certain geometric shapes using theory of elasticity approach. For example, for an elliptical hole in an infinite plate, subjected to a uniform tensile stress σ(figure- 3.2.1.3), stress distribution around the discontinuity is disturbed and at points remote from the discontinuity the effect is insignificant. According to such an analysis

Stress Concentration - 1 | Design of Machine Elements - Mechanical Engineering

If a=b the hole reduces to a circular one and therefore σ3 = 3σ1  which gives kt =3. If, however ‘b’ is large compared to ‘a’ then the stress at the edge of transverse crack is very large and consequently k is also very large. If ‘b’ is small compared to a then the stress at the edge of a longitudinal crack does not rise and kt =1.

' Stress Concentration - 1 | Design of Machine Elements - Mechanical Engineering
3.2.1.3F- Stress concentration due to a central elliptical hole in a plate subjected to a uni-axial loading.

Stress concentration factors may also be obtained using any one of the following experimental techniques:

1. Strain gage method
2. Photoelasticity method
3. Brittle coating technique
4. Grid method 

For more accurate estimation numerical methods like Finite element analysis may be employed.

Theoretical stress concentration factors for different configurations are available in handbooks. Some typical plots of theoretical stress concentration factors and  r/d ratio for a stepped shaft are shown in figure-3.2.1.4.

 

Stress Concentration - 1 | Design of Machine Elements - Mechanical Engineering
3.2.1.4F- Variation of theoretical stress concentration factor with r/d of a stepped shaft for different values of D/d subjected to uni-axial loading .

In design under fatigue loading, stress concentration factor is used in modifying the values of endurance limit while in design under static loading it simply acts as stress modifier. This means Actual stress=kt �calculated stress.

For ductile materials under static loading effect of stress concentration is not very serious but for brittle materials even for static loading it is important.

It is found that some materials are not very sensitive to the existence of notches or discontinuity. In such cases it is not necessary to use the full value of kt and

instead a reduced value is needed. This is given by a factor known as fatigue strength reduction factor kf and this is defined as

Stress Concentration - 1 | Design of Machine Elements - Mechanical Engineering

Another term called Notch sensitivity factor, q is often used in design and this is defined as

Stress Concentration - 1 | Design of Machine Elements - Mechanical Engineering

 The value of ‘q’ usually lies between 0 and 1. If q=0, kf =1 and this indicates no notch sensitivity. If however q=1, then kf = kt and this indicates full notch sensitivity. Design charts for ‘q’ can be found in design hand-books and knowing kt , kf may be obtained. A typical set of notch sensitivity curves for steel is

Stress Concentration - 1 | Design of Machine Elements - Mechanical Engineering

 

Methods of reducing stress concentration

A number of methods are available to reduce stress concentration in machine parts. Some of them are as follows:
1. Provide a fillet radius so that the cross-section may change gradually.
2. Sometimes an elliptical fillet is also used.
3. If a notch is unavoidable it is better to provide a number of small notches rather than a long one. This reduces the stress concentration to a large extent.
4. If a projection is unavoidable from design considerations it is preferable to provide a narrow notch than a wide notch.
5. Stress relieving groove are sometimes provided. These are demonstrated in figure- 3.2.2.1.

Stress Concentration - 1 | Design of Machine Elements - Mechanical Engineering

Stress Concentration - 1 | Design of Machine Elements - Mechanical Engineering

The document Stress Concentration - 1 | Design of Machine Elements - Mechanical Engineering is a part of the Mechanical Engineering Course Design of Machine Elements.
All you need of Mechanical Engineering at this link: Mechanical Engineering
51 videos|102 docs|77 tests

FAQs on Stress Concentration - 1 - Design of Machine Elements - Mechanical Engineering

1. What is stress concentration and how does it affect mechanical engineering?
Ans. Stress concentration refers to the phenomenon where the stress in a material is significantly increased in the presence of a geometric irregularity or notch. In mechanical engineering, stress concentration can lead to localized areas of high stress, which can compromise the structural integrity of a component and increase the likelihood of failure. Understanding and managing stress concentration is crucial in designing safe and reliable mechanical systems.
2. What are the main factors that contribute to stress concentration in mechanical components?
Ans. Several factors contribute to stress concentration in mechanical components. Geometric irregularities such as sharp corners, keyways, holes, and notches can create stress concentration points. Material properties, such as differences in stiffness or hardness, can also contribute to stress concentration. Additionally, external factors like loading conditions and the presence of surface defects can further amplify stress concentration in mechanical components.
3. How is stress concentration typically quantified in mechanical engineering?
Ans. Stress concentration is often quantified using a dimensionless parameter called the stress concentration factor (Kt). The stress concentration factor is the ratio of the maximum stress in a component with a notch or irregularity to the nominal stress in the same component without the irregularity. It provides a measure of the severity of stress concentration and is used in design calculations and analysis to assess the risk of failure.
4. What are some common strategies to mitigate stress concentration in mechanical designs?
Ans. There are several strategies to mitigate stress concentration in mechanical designs. One approach is to gradually blend or fillet sharp transitions and corners, which helps distribute stress more evenly. Reinforcing structures with additional material or using materials with higher strength can also reduce stress concentration. Another approach is to avoid sharp notches or use stress-relieving features like stress relief holes or grooves. Finite element analysis and simulation techniques can also aid in identifying and addressing stress concentration areas.
5. How does stress concentration affect the fatigue life of mechanical components?
Ans. Stress concentration can significantly impact the fatigue life of mechanical components. The localized high stresses in stress concentration areas can initiate and propagate cracks, leading to premature failure under cyclic loading. Components with stress concentrations are more susceptible to fatigue failure, as the concentration amplifies the effects of cyclic loading. Therefore, it is crucial to identify and mitigate stress concentration points to improve the fatigue life and durability of mechanical components.
Related Searches

Sample Paper

,

Previous Year Questions with Solutions

,

practice quizzes

,

Stress Concentration - 1 | Design of Machine Elements - Mechanical Engineering

,

pdf

,

mock tests for examination

,

shortcuts and tricks

,

Free

,

Summary

,

Semester Notes

,

Viva Questions

,

Stress Concentration - 1 | Design of Machine Elements - Mechanical Engineering

,

study material

,

MCQs

,

ppt

,

video lectures

,

past year papers

,

Important questions

,

Exam

,

Objective type Questions

,

Stress Concentration - 1 | Design of Machine Elements - Mechanical Engineering

,

Extra Questions

;