General Purpose Processors - 1 | Embedded Systems (Web) - Computer Science Engineering (CSE) PDF Download

In this lesson the student will learn the following 

Architecture of a General Purpose Processor
 Various Labels of Pipelines
 Basic Idea on Different Execution Units
 Branch Prediction 

Pre-requisite 

Digital Electronics 

Introduction 

The first single chip microprocessor came in 1971 by Intel Corporation. It was called Intel 4004 and that was the first single chip CPU ever built. We can say that was the first general purpose processor. Now the term microprocessor and processor are synonymous. The 4004 was a 4-bit processor, capable of addressing 1K data memory and 4K program memory. It was meant to be used for a simple calculator. The 4004 had 46 instructions, using only 2,300 transistors in a 16-pin DIP. It ran at a clock rate of 740kHz (eight clock cycles per CPU cycle of 10.8 microseconds). In 1975, Motorola introduced the 6800, a chip with 78 instructions and probably the first microprocessor with an index register. In 1979, Motorola introduced the 68000. With internal 32-bit registers and a 32-bit address space, its bus was still 16 bits due to hardware prices. On the other hand in 1976, Intel designed 8085 with more instructions to enable/disable three added interrupt pins (and the serial I/O pins). They also simplified hardware so that it used only +5V power, and added clock-generator and bus-controller circuits on the chip. In 1978, Intel introduced the 8086, a 16-bit processor which gave rise to the x86 architecture. It did not contain floating-point instructions. In 1980 the company released the 8087, the first math coprocessor they'd developed. Next came the 8088, the processor for the first IBM PC. Even though IBM engineers at the time wanted to use the Motorola 68000 in the PC, the company already had the rights to produce the 8086 line (by trading rights to Intel for its bubble memory) and it could use modified 8085-type components (and 68000-style components were much more scarce). 

Table 1 Development History of Intel Microprocessors  

Intel Processor

Year of Introduction

Initial Clock Speed

Number of Transistors

Circuit Line Width

4004

1971

108 kHz

2300

10 micron

8008

1972

500-800 KHz

3500

10 micron

8080

1974

2 MHz

4500

6 micron

8086

1978

5 MHz

29000

3 micron

8088

1979

5 MHz

29000

3 micron

Intel286TM

1982

6 MHz

134,000

1.5 micron

Intel386TM

1985

16 MHz

275,000

1.5 micron

Intel486™

1989

25 MHz

1.2 Million

1 Micron

Pentium™

1993

66 MHz

3.1 Million

0.8 Micron

Pentium™ Pro

1995

200 MHz

5.5 Million

0.35 Micron

Pentium™ II

1997

300 MHz

7.5 Million

0.25 Micron

Celeron™

1998

266 MHz

7.5 Million

0.25 Micron

Pentium™ III

1999

500 MHz

9.5 Million

0.25 Micron

Pentium™ IV

2000

1.5MHz

42 Million

0.18 Micron

Itanium™

2001

800 MHz

25 Million

0.18 Micron

Intel® Xeon™

2001

1.7 GHz

42 million

0.18 micron

Itanium™ 2

2002

1 GHz

220 million

0.18 micron

Pentium™ M

2005

1.5 GHz

140 Million

90 nm


The development history of Intel family of processors is shown in Table 1. The Very Large Scale Integration (VLSI) technology has been the main driving force behind the development.  

A Typical Processor 

General Purpose Processors - 1 | Embedded Systems (Web) - Computer Science Engineering (CSE)

Fig. 8.2 The photograph 

The photograph and architecture of a modern general purpose processor from VIA (C3) (please refer lesson on Embedded components 2) is shown in Fig2 and Fig. 8.3 respectively. 

General Purpose Processors - 1 | Embedded Systems (Web) - Computer Science Engineering (CSE)

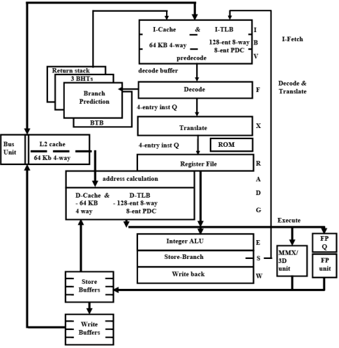
Fig. 8.3 The architecture 

Specification 

Name: VIA C3TM in EBGA: VIA C3 is the name of the company and EBGA for Enhanced Ball Grid Array, clock speed is 1 GHz Ball Grid Array. (Sometimes abbreviated BG.) A ball grid array is a type of microchip connection methodology. 

Ball grid array chips typically use a group of solder dots, or balls, arranged in concentric rectangles to connect to a circuit board. BGA chips are often used in mobile applications where Pin Grid Array (PGA) chips would take up too much space due to the length of the pins used to connect the chips to the circuit board. 

General Purpose Processors - 1 | Embedded Systems (Web) - Computer Science Engineering (CSE)

Fig. 8.4 Pin Grid Array (PGAA) 

General Purpose Processors - 1 | Embedded Systems (Web) - Computer Science Engineering (CSE)

Fig. 8.5 Ball Grid Array 

General Purpose Processors - 1 | Embedded Systems (Web) - Computer Science Engineering (CSE)

The Architecture  

The processor has a 12-stage integer pipe lined structure: 

Pipe Line: This is a very important characteristic of a modern general purpose processor. A program is a set of instructions stored in memory. During execution a processor has to fetch these instructions from the memory, decode it and execute them. This process takes few clock cycles. To increase the speed of such processes the processor divide itself into different units. While one unit gets the instructions from the memory, another unit decodes them and some other unit executes them. This is called pipelining. This can be termed as segmenting a functional unit such that it can accept new operands every cycle while the total execution of the instruction may take many cycles. The pipeline construction works like a conveyor belt accepting units until the pipeline is filled and than producing results every cycle. The above processors has got such a pipeline divided into 12–stages 

There are four major functional groups: I-fetch, decode and translate, execution, and data cache. 

  • The I-fetch components deliver instruction bytes from the large I-cache or the external bus. 
  • The decode and translate components convert these instruction bytes into internal execution forms. If there is any branching operation in the program it is identified here and the processor starts getting new instructions from a different location. 
  • The execution components issue, execute, and retire internal instructions 
  • The data cache components manage the efficient loading and storing of execution data to and from the caches, bus, and internal components 

Instruction Fetch Unit 

General Purpose Processors - 1 | Embedded Systems (Web) - Computer Science Engineering (CSE)

First three pipeline stages (I, B, V) deliver aligned instruction data from the I-cache (Instruction Cache) or external bus into the instruction decode buffers. The primary I-cache contains 64 KB organized as four-way set associative with 32-byte lines. The associated large I-TLB(Instruction Translation Look-aside Buffer) contains 128 entries organized as 8-way set associative.  

TLB: translation look-aside buffer 

a table in the processor’s memory that contains information about the pages in memory the processor has accessed recently. The table cross-references a program’s virtual addresses with the corresponding absolute addresses in physical memory that the program has most recently used. The TLB enables faster computing because it allows the address processing to take place independent of the normal address-translation pipeline.

The instruction data is predecoded as it comes out of the cache; this predecode is overlapped with other required operations and, thus, effectively takes no time. The fetched instruction data is placed sequentially into multiple buffers. Starting with a branch, the first branch-target byte is left adjusted into the instruction decode buffer.

Instruction Decode Unit 

General Purpose Processors - 1 | Embedded Systems (Web) - Computer Science Engineering (CSE)

Instruction bytes are decoded and translated into the internal format by two pipeline stages (F,X). The F stage decodes and “formats” an instruction into an intermediate format. The internalformat instructions are placed into a five-deep FIFO(First-In-First-Out) queue: the FIQ. The Xstage “translates” an intermediate-form instruction from the FIQ into the internal microinstruction format.  Instruction fetch, decode, and translation are made asynchronous from execution via a five-entry FIFO queue (the XIQ) between the translator and the execution unit. 

Branch Prediction 

General Purpose Processors - 1 | Embedded Systems (Web) - Computer Science Engineering (CSE)

BHT Branch History Table and BTB Branch Target Buffer 

The programs often invoke subroutines which are stored at a different location in the memory. In general the instruction fetch mechanism fetches instructions beforehand and keeps them in the cache memory at different stages and sends them for decoding. In case of a branch all such instructions need to be abandoned and new set of instruction codes from the corresponding subroutine is to be loaded. Prediction of branch earlier in the pipeline can save time in flushing out the current instructions and getting new instructions. Branch prediction is a technique that attempts to infer the proper next instruction address, knowing only the current one. Typically it uses a Branch Target Buffer (BTB), a small, associative memory that watches the instruction cache index and tries to predict which index should be accessed next, based on branch history which stored in another set of buffers known as Branch History Table (BHT). This is carried out in the F stage. 

Integer Unit 

General Purpose Processors - 1 | Embedded Systems (Web) - Computer Science Engineering (CSE)

Decode stage (R): Micro-instructions are decoded, integer register files are accessed and resource dependencies are evaluated. 

Addressing stage (A): Memory addresses are calculated and sent to the D-cache (Data Cache).

Cache Access stages (D, G): The D-cache and D-TLB (Data Translation Look aside Buffer) are accessed and aligned load data returned at the end of the G-stage.  

Execute stage (E): Integer ALU operations are performed. All basic ALU functions take one clock except multiply and divide.  Store stage (S): Integer store data is grabbed in this stage and placed in a store buffer.  

Write-back stage (W): The results of operations are committed to the register file.    

Data-Cache and Data Path 

General Purpose Processors - 1 | Embedded Systems (Web) - Computer Science Engineering (CSE)

The D-cache contains 64 KB organized as four-way set associative with 32-byte lines. The associated large D-TLB contains 128 entries organized as 8-way set associative.  The cache, TLB, and page directory cache all use a pseudo-LRU (Least Recently Used) replacement algorithm

The L2-Cache Memory 

General Purpose Processors - 1 | Embedded Systems (Web) - Computer Science Engineering (CSE)

The L2 cache at any point in time are not contained in the two 64-KB L1 caches. As lines are displaced from the L1 caches (due to bringing in new lines from memory), the displaced lines are placed in the L2 cache. Thus, a future L1-cache miss on this displaced line can be satisfied by returning the line from the L2 cache instead of having to access the external memory. 

FP, MMX and 3D 

General Purpose Processors - 1 | Embedded Systems (Web) - Computer Science Engineering (CSE)

FP; Floating Point Processing Unit
 MMX: Multimedia Extension or Matrix Math Extension Unit 
 3D:  Special set of instructions for 3D graphics capabilities 

In addition to the integer execution unit, there is a separate 80-bit floating-point execution unit that can execute floating-point instructions in parallel with integer instructions. Floating-point instructions proceed through the integer R, A, D, and G stages. Floating-point instructions are passed from the integer pipeline to the FP-unit through a FIFO queue. This queue, which runs at the processor clock speed, decouples the slower running FP unit from the integer pipeline so that the integer pipeline can continue to process instructions overlapped with FP instructions. Basic arithmetic floating-point instructions (add, multiply, divide, square root, compare, etc.) are represented by a single internal floating-point instruction. Certain little-used and complex floating point instructions (sin, tan, etc.), however, are implemented in microcode and are represented by a long stream of instructions coming from the ROM. These instructions “tie up” the integer instruction pipeline such that integer execution cannot proceed until they complete.  

This processor contains a separate execution unit for the MMX-compatible instructions. MMX instructions proceed through the integer R, A, D, and G stages. One MMX instruction can issue into the MMX unit every clock. The MMX multiplier is fully pipelined and can start one nondependent MMX multiply[-add] instruction (which consists of up to four separate multiplies) every clock. Other MMX instructions execute in one clock. Multiplies followed by a dependent MMX instruction require two clocks. Architecturally, the MMX registers are the same as the floating-point registers. However, there are actually two different register files (one in the FPunit and one in the MMX units) that are kept synchronized by hardware. 

There is a separate execution unit for some specific 3D instructions. These instructions provide assistance for graphics transformations via new SIMD(Single Instruction Multiple Data) singleprecision floating-point capabilities. These instruction-codes proceed through the integer R, A, D, and G stages. One 3D instruction can issue into the 3D unit every clock. The 3D unit has two single-precision floating-point multipliers and two single-precision floating-point adders. Other functions such as conversions, reciprocal, and reciprocal square root are provided. The multiplier and adder are fully pipelined and can start any non-dependent 3D instructions every clock. 

Conclusion 

This lesson discussed about the architecture of a typical modern general purpose processor(VIA C3) which similar to the x86 family of microprocessors in the Intel family. In fact this processor uses the same x86 instruction set as used by the Intel processor. It is a pipelined architecture. The General Purpose Processor Architecture has the following characteristics

  • Multiple Stages of Pipeline 
  • More than one Level of Cache Memory 
  • Branch Prediction Mechanism at the early stage of Pipe Line 
  • Separate and Independent Processing Units (Integer Floating Point, MMX, 3D etc) 
  • Because of the uncertainties associated with Branching the overall instruction execution time is not fixed (therefore it is not suitable for some of the real time applications which need accurate execution speed) 
  • It handles a very complex instruction set 
  • The over all power consumption because of the complexity of the processor is higher 

In the next lesson we shall discuss the signals associated with such a processor. 

The document General Purpose Processors - 1 | Embedded Systems (Web) - Computer Science Engineering (CSE) is a part of the Computer Science Engineering (CSE) Course Embedded Systems (Web).
All you need of Computer Science Engineering (CSE) at this link: Computer Science Engineering (CSE)
47 videos|77 docs|65 tests

FAQs on General Purpose Processors - 1 - Embedded Systems (Web) - Computer Science Engineering (CSE)

1. What is a general purpose processor?
A general purpose processor is a type of microprocessor that is designed to perform a wide range of tasks and can be programmed to execute different instructions. It is commonly used in personal computers, laptops, and mobile devices to handle various computing functions such as data processing, calculations, and running software applications.
2. How does a general purpose processor work?
A general purpose processor works by fetching instructions from memory, decoding them, executing the instructions, and then storing the results back in memory. It follows a sequential process known as the fetch-decode-execute cycle. The processor's circuitry consists of arithmetic logic units (ALUs) for performing calculations, registers for storing data, and a control unit that manages the flow of instructions.
3. What are the advantages of using a general purpose processor?
Using a general purpose processor offers several advantages. Firstly, it provides flexibility as it can be programmed to perform different tasks, making it suitable for a wide range of applications. Secondly, it allows for multitasking, enabling the execution of multiple processes simultaneously. Additionally, general purpose processors are cost-effective and widely available, making them accessible for various computing needs.
4. Are there any limitations to using a general purpose processor?
Yes, there are some limitations to using a general purpose processor. One limitation is that it may not be optimized for specific tasks or applications, resulting in lower performance compared to specialized processors. Additionally, general purpose processors may consume more power and generate more heat than specialized processors. However, advancements in technology have significantly reduced these limitations over time.
5. How does a general purpose processor differ from a specialized processor?
A general purpose processor is designed to handle a wide range of tasks and can be programmed to perform different functions. It offers versatility and flexibility. On the other hand, a specialized processor is specifically designed to excel at a particular task or application, such as graphics processing or artificial intelligence. Specialized processors are optimized for specific functions, resulting in higher performance but limited versatility compared to general purpose processors.
Related Searches

study material

,

past year papers

,

mock tests for examination

,

Objective type Questions

,

Summary

,

practice quizzes

,

Semester Notes

,

MCQs

,

ppt

,

General Purpose Processors - 1 | Embedded Systems (Web) - Computer Science Engineering (CSE)

,

General Purpose Processors - 1 | Embedded Systems (Web) - Computer Science Engineering (CSE)

,

Sample Paper

,

pdf

,

Exam

,

shortcuts and tricks

,

General Purpose Processors - 1 | Embedded Systems (Web) - Computer Science Engineering (CSE)

,

Free

,

Extra Questions

,

Important questions

,

video lectures

,

Previous Year Questions with Solutions

,

Viva Questions

;