Chapter 8 - Power Electronics (Part - 2) | Additional Study Material for Mechanical Engineering PDF Download

4. Inverters

Introduction 

Inverters convert dc power into ac power at desired output voltage and frequency. Here the magnitude of output voltage is controlled through input dc voltage and the frequency is controlled through gating and of thyristors. Inverters can be broadly classified as voltage source and current source inverters. In voltage source inverter (VFI or VSl), dc source has negligible impedance Hence in case of VSl, output voltage waveform is affected by load and the output current waveform changes depending on the load. A current source inverter (CFl or CS1) has stiff dc current source at input terminal. Hence in case of CSI, output current waveform is not affected by load, rather the output voltage waveform may change depending upon the load.

Single Phase Voltage Source Inverter 

Single Phase Half Bridge Inverter
Chapter 8 - Power Electronics (Part - 2) | Additional Study Material for Mechanical EngineeringSingle-phase half-bridge inverter.Single-phase half-bridge inverter.

Single Phase Full Bridge Inverters
Chapter 8 - Power Electronics (Part - 2) | Additional Study Material for Mechanical EngineeringSingle-phase full-bridge inverterSingle-phase full-bridge inverter

Fourier Analysis of Output Voltage for Single Phase Inverter
Chapter 8 - Power Electronics (Part - 2) | Additional Study Material for Mechanical Engineering
Chapter 8 - Power Electronics (Part - 2) | Additional Study Material for Mechanical Engineering
Chapter 8 - Power Electronics (Part - 2) | Additional Study Material for Mechanical Engineering
(for full bridge inverter)
Chapter 8 - Power Electronics (Part - 2) | Additional Study Material for Mechanical Engineering

Three Phase Bridge Inverters
Chapter 8 - Power Electronics (Part - 2) | Additional Study Material for Mechanical EngineeringThree-phase bridge inverter using thyristors

Three Phase 180° Mode
Chapter 8 - Power Electronics (Part - 2) | Additional Study Material for Mechanical EngineeringChapter 8 - Power Electronics (Part - 2) | Additional Study Material for Mechanical EngineeringVoltage waveforms for 180° mode 3-phase VSI

The fourier series expansion of line output voltage can be expressed as below,
Chapter 8 - Power Electronics (Part - 2) | Additional Study Material for Mechanical Engineering
Similarly, Fourier series expansion of phase voltage can be expressed as,
Chapter 8 - Power Electronics (Part - 2) | Additional Study Material for Mechanical Engineering

  • rms value of line voltage = 0.8165 Vs 
  • rms value of fundamental line voltage = 0.7797VS 
  • rms value of phase voltage = 0.4714VS 
  • rms value of fundamental phase voltage = 0.4502V

Three Phase 120° Mode
Chapter 8 - Power Electronics (Part - 2) | Additional Study Material for Mechanical EngineeringChapter 8 - Power Electronics (Part - 2) | Additional Study Material for Mechanical EngineeringVoltage waveforms for 120°mode six-step 3-phase VSI

Fourier expansion of output phase voltage waveforms are given below,
Chapter 8 - Power Electronics (Part - 2) | Additional Study Material for Mechanical Engineering

Fourier expansion of line voltage is given as,
Chapter 8 - Power Electronics (Part - 2) | Additional Study Material for Mechanical Engineering

  • rms value of phase voltage = 0.4082 VS 
  • rms value of fundamental phase voltage = 0.3898VS 
  • rms value of line voltage = 0.7071VS 
  • rms value of fundamental line voltage = 0.6752 VS

Voltage Control in Single Phase Inverters 

External Control of Output Voltage
In this methodology, voltage control is obtained by external means, say by using phase controlled rectifiers, choppers, transformers etc.

AC Voltage Control

Chapter 8 - Power Electronics (Part - 2) | Additional Study Material for Mechanical EngineeringExternal control of AC output voltage

Series Inverters Control
Chapter 8 - Power Electronics (Part - 2) | Additional Study Material for Mechanical EngineeringSeries inverter control of two inverters

Chapter 8 - Power Electronics (Part - 2) | Additional Study Material for Mechanical Engineering

External Control of DC Input Voltage
Chapter 8 - Power Electronics (Part - 2) | Additional Study Material for Mechanical EngineeringChapter 8 - Power Electronics (Part - 2) | Additional Study Material for Mechanical EngineeringExternal control of dc input voltage to inverter; (a), (b), (c) with ac source on the input (d) with dc source on the input

Internal Control of Inverters 
This is mainly achieved by exercising control within the inverter. PWM inverters fall into this category. In this method, lower order harmonics can be eliminated by output voltage control and higher order harmonics can be easily filtered out.

Pulse Width Modulated Invertors 
In this method, a fixed DC voltage is given to the inverter and a controlled AC output voltage is obtained by adjusting on and off periods of inverter components. Hence the method is termed as Tulse-Width Modulation (PWM) control". Thus PWM techniques are characterized by constant amplitude pulses. The advantages of PWM technique are the following, 

  1. Output voltage control is achieved without additional components. 
  2. With this method, lower order harmonics can be minimized along with the output voltage control. Also higher order harmonics can be easily filtered out 

The main advantage of this method is that SCRs used must possess low turn-on and turn-off times. In PWM inverters, forced commutation is essential. Different PWM techniques are explained in detail below,

Single Pulse Modulation 
In this method, a pulse of width of 2d is present in positive and negative half cycles, symmetrically about π/2 and 3π/2.
Chapter 8 - Power Electronics (Part - 2) | Additional Study Material for Mechanical Engineering

Kouries analysis of output voltage can be summarized as below;

Chapter 8 - Power Electronics (Part - 2) | Additional Study Material for Mechanical Engineering
Chapter 8 - Power Electronics (Part - 2) | Additional Study Material for Mechanical Engineering

Multiple Pulse Modulation (MPM) 
MPM is an extension of SPM. In MPM, several equidistant pulses per half cycle are used.
Symmetrical two-pulse modulation pertaining to MPM.Symmetrical two-pulse modulation pertaining to MPM.

The Fouries analysis of the output voltage and different quantities related to the same are given below;
Chapter 8 - Power Electronics (Part - 2) | Additional Study Material for Mechanical Engineering
Chapter 8 - Power Electronics (Part - 2) | Additional Study Material for Mechanical Engineering

As numbers of pulses in half cycle increases, lower order harmonics are reduced.

Sinusoidal Pulse Modulation (sin M) 
In sin M, several pulses per half cycle are present as in MPM. In sin M, pulse width is a sinusoidal function of angular position of pulse in a cycle as shown in figure below.

Reduction of Harmonics in Invertors Output Voltage

  • Harmonic reduction by PWM 
  • Harmonic reduction by transformer connections

Current Source Invertors 

In CSl, it's assumed that a constant current source is present at input terminals. Hence load current doesn’t depend on nature of load, but output voltage waveform depends on nature of the load. A CSl doesn't require any feedback diodes.

Single Phase CSl with R load
Chapter 8 - Power Electronics (Part - 2) | Additional Study Material for Mechanical EngineeringChapter 8 - Power Electronics (Part - 2) | Additional Study Material for Mechanical Engineering(a) Power circuit diagram and (b) wave forms for an ideal single -phase CSl

Single phase capacitor commentated CSl with R load
Chapter 8 - Power Electronics (Part - 2) | Additional Study Material for Mechanical Engineering(a) Power circuit diagram of 1-Φ CSl with R load

Chapter 8 - Power Electronics (Part - 2) | Additional Study Material for Mechanical EngineeringVoltage and current waveforms of CSI with R-loadVoltage and current waveforms of CSI with R-load

5. AC Voltage regulators and Cycloconverters

Introduction to AC Voltage Controllers

AC voltage controllers are helpful to convert fixed alternating voltage to variable alternating voltage at the same frequency. The main disadvantage of these controllers is introduction of objectionable harmonics in supply currents, particularly at reduced voltages.
Chapter 8 - Power Electronics (Part - 2) | Additional Study Material for Mechanical EngineeringSingle-phase half-wave AC voltage controller (a) Power-circuit diagram and (b) voltage and current waveforms.Single-phase half-wave AC voltage controller (a) Power-circuit diagram and (b) voltage and current waveforms.

Chapter 8 - Power Electronics (Part - 2) | Additional Study Material for Mechanical EngineeringSingle-phase full-wave AC voltage controller (a) Power-circuit diagram and (b) voltage and current waveform.Single-phase full-wave AC voltage controller (a) Power-circuit diagram and (b) voltage and current waveform.

Integral Cycle Control

Integral cycle control refers to a technique in which supply is connected to load for integral number of cycles, m and disconnected for further integral number of cycles, n. By varying m and n, power delivered to load can be regulated.
Waveforms pertaining to integral cycle controWaveforms pertaining to integral cycle contro

rms value of output voltage Vor = Vs√k where k = n/n + m) is duty cycle of AC voltage controller
rms value of load current,
Chapter 8 - Power Electronics (Part - 2) | Additional Study Material for Mechanical Engineering
Power delivered to load
Chapter 8 - Power Electronics (Part - 2) | Additional Study Material for Mechanical Engineering
Input Pf = √R
Average value of thyristor current,
Chapter 8 - Power Electronics (Part - 2) | Additional Study Material for Mechanical Engineering
rms value of thyristor current,
Chapter 8 - Power Electronics (Part - 2) | Additional Study Material for Mechanical Engineering
Integral cycle control relatively reduces lower harmonics as compared to phase controlled ac voltage controllers.

Single Phase Voltage Controllers with R-load
Chapter 8 - Power Electronics (Part - 2) | Additional Study Material for Mechanical EngineeringChapter 8 - Power Electronics (Part - 2) | Additional Study Material for Mechanical EngineeringChapter 8 - Power Electronics (Part - 2) | Additional Study Material for Mechanical Engineering(a) Single-phase AC voltage controller with Rlaod (b) votlage and current waveforms for figure, (a)

Chapter 8 - Power Electronics (Part - 2) | Additional Study Material for Mechanical Engineering
Chapter 8 - Power Electronics (Part - 2) | Additional Study Material for Mechanical Engineering
Chapter 8 - Power Electronics (Part - 2) | Additional Study Material for Mechanical Engineering
rms value of output voltage,
Chapter 8 - Power Electronics (Part - 2) | Additional Study Material for Mechanical Engineering
Average power delivered to load,
Chapter 8 - Power Electronics (Part - 2) | Additional Study Material for Mechanical Engineering
Chapter 8 - Power Electronics (Part - 2) | Additional Study Material for Mechanical Engineering

Single Phase Voltage Controller with R-L load
Chapter 8 - Power Electronics (Part - 2) | Additional Study Material for Mechanical EngineeringChapter 8 - Power Electronics (Part - 2) | Additional Study Material for Mechanical EngineeringChapter 8 - Power Electronics (Part - 2) | Additional Study Material for Mechanical EngineeringChapter 8 - Power Electronics (Part - 2) | Additional Study Material for Mechanical Engineering

Chapter 8 - Power Electronics (Part - 2) | Additional Study Material for Mechanical Engineering
For ∝ ≥ Ф, V0 is controllable
For ∝ < Ф, thyristor T1 is reverse biased by voltage across T2. Hence T1 can not be triggered in positive half cycle. Same applies for T2 in negative half cycle 

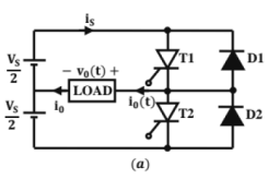
Two Stage Sequence Control of Voltage Controller

Chapter 8 - Power Electronics (Part - 2) | Additional Study Material for Mechanical EngineeringChapter 8 - Power Electronics (Part - 2) | Additional Study Material for Mechanical EngineeringTwo-stage sequence controlled AC voltage controller (b) R load (c) RL loadTwo-stage sequence controlled AC voltage controller (b) R load (c) RL load

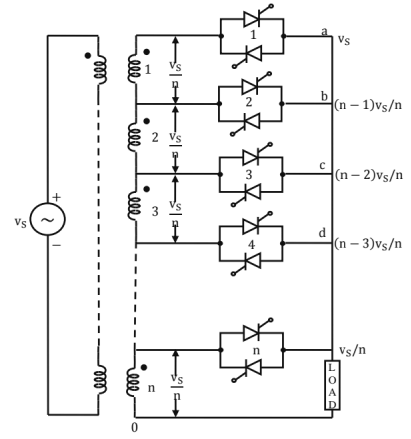
Multi-Stage Sequence of Voltage Controller
Chapter 8 - Power Electronics (Part - 2) | Additional Study Material for Mechanical EngineeringMultistage sequence control of AC votlage controllers

Here each transformer secondary is rated at Vs/n where Vs is source voltage. Depending on the required output voltage, required thyrsistor pairs are triggered at ωt = 0° and ωt = ∝. For output variation from Chapter 8 - Power Electronics (Part - 2) | Additional Study Material for Mechanical Engineering thyristor pair 4 is triggered at 0° and thyristor pair 3 is trigged at firing angle oc (0° < ∝ < 180°). Thus depending on required output voltage, by triggering the appropriate thyristor pairs, target output voltage can be achieved.

Introduction to Cydoconverters 

Cydoconverter is a device which converts input power at one frequency to output power at a different frequency with one stage conversion.

Step-Down Cydoconverters 
In step-down cydoconverters, output frequency, f0 is less than that of input frequency, fs; i.e f0 < fs.

Step-Up Cydoconverters 
In step-up cydoconverters, output frequency, f0 is more than that of input frequency, fs; i.e fo > fs 

Single Phase to Single Phase Circuit Step Up Cycloconverter 
The cycloconvertors shown are of 2 types; mid-point and bridge cydoconverters.
Chapter 8 - Power Electronics (Part - 2) | Additional Study Material for Mechanical EngineeringSingle-phase to single-phase cycloconverter rircuit (a) mid-point type and (b) bridge typeSingle-phase to single-phase cycloconverter rircuit (a) mid-point type and (b) bridge type

Waveforms for step-up cycloconverterWaveforms for step-up cycloconverter

Chapter 8 - Power Electronics (Part - 2) | Additional Study Material for Mechanical EngineeringVoltage and current waveforms for step-down cycloconverter with discontinuous load currentVoltage and current waveforms for step-down cycloconverter with discontinuous load current

6. Applications of Power Electronics

Introduction to Electric Drives 

In many applications, electric motors supply power to a load, hence require a variable voltage or variable frequency control. The same can be achieved through power electronic
An electric drive systemAn electric drive system

Block diagram of a modem electric drive system using power electronic converter.Block diagram of a modem electric drive system using power electronic converter.

Single Phase Half Wave Converter Drives
Chapter 8 - Power Electronics (Part - 2) | Additional Study Material for Mechanical EngineeringChapter 8 - Power Electronics (Part - 2) | Additional Study Material for Mechanical Engineering

Chapter 8 - Power Electronics (Part - 2) | Additional Study Material for Mechanical EngineeringSingle-phase half-wave converter drive (a) circuit diagram (b) quadrant diagram and (c) waveforms.

Chapter 8 - Power Electronics (Part - 2) | Additional Study Material for Mechanical Engineering
where ∝1 is firing angle of T.

Te = Km.Ia
where Km is motor constant
Chapter 8 - Power Electronics (Part - 2) | Additional Study Material for Mechanical Engineering
where ∝2 is firing angle of T1 and T2

Ea = Kmm
where ωis speed of armature in rad/sec.

Chapter 8 - Power Electronics (Part - 2) | Additional Study Material for Mechanical Engineering
Chapter 8 - Power Electronics (Part - 2) | Additional Study Material for Mechanical Engineering

Single Phase Semi-Converter Drives

Chapter 8 - Power Electronics (Part - 2) | Additional Study Material for Mechanical EngineeringSingle-phase semiconverter drive (a) circuit diagram and (b) waveformsSingle-phase semiconverter drive (a) circuit diagram and (b) waveforms

Chapter 8 - Power Electronics (Part - 2) | Additional Study Material for Mechanical Engineering
Chapter 8 - Power Electronics (Part - 2) | Additional Study Material for Mechanical Engineering

Single Phase Full Converter Drives

Chapter 8 - Power Electronics (Part - 2) | Additional Study Material for Mechanical Engineering
Single-phase full converter drive (a) circuit diagram (b) two-quadrant diagram and (c) waveforms.Single-phase full converter drive (a) circuit diagram (b) two-quadrant diagram and (c) waveforms.

Chapter 8 - Power Electronics (Part - 2) | Additional Study Material for Mechanical Engineering
where ∝1 is firing angle of single phase full converter drive in armature circuit
Chapter 8 - Power Electronics (Part - 2) | Additional Study Material for Mechanical Engineering
where ∝2 is firing angle of single phase full converter drive in field circuit.
Chapter 8 - Power Electronics (Part - 2) | Additional Study Material for Mechanical Engineering

Single Phase Dual Converter Drive 
A single phase dual converter obtained by connecting two full converters in anti-parallel and supplying power to a dc motor is shown in figure below.
Chapter 8 - Power Electronics (Part - 2) | Additional Study Material for Mechanical EngineeringChapter 8 - Power Electronics (Part - 2) | Additional Study Material for Mechanical Engineering

When converter 1 is in operation,
Chapter 8 - Power Electronics (Part - 2) | Additional Study Material for Mechanical Engineering
When converter 2 is in operation,
Chapter 8 - Power Electronics (Part - 2) | Additional Study Material for Mechanical Engineering
Also, ∝1 + ∝2 = π

Three Phase Drives 

The three-phase dc drives may be subdivided as, 

  • Three phase half wave converter drive 
  • Three phase semiconductor drive 
  • Three phase full converter drive 
  • Three phase dual converter drive 

Chopper Drives

When variable dc voltage is to be obtained from fixed dc voltage, dc chopper is an ideal a chopper is inserted between a fixed voltage dc source and dc motor armature. Figure
Chapter 8 - Power Electronics (Part - 2) | Additional Study Material for Mechanical Engineering
Chapter 8 - Power Electronics (Part - 2) | Additional Study Material for Mechanical EngineeringChapter 8 - Power Electronics (Part - 2) | Additional Study Material for Mechanical EngineeringD.C. Chopper for series motor drive (a) circuit diagram (b) quadrant diagram and (c) waveforms.D.C. Chopper for series motor drive (a) circuit diagram (b) quadrant diagram and (c) waveforms.

Power delivered to motor = Vt.la = ∝. Vs. la 
Average source current = ∝. Ia 
Vt = Ea + Ia(ra + rs) = Kmωm + Ia(ra + rs)
Where Km is motor constant

AC Drives

When AC voltage or frequency control of input voltage of a AC motor is required. The same can be achieved through AC voltage regulators or cydoconverters. AC drives have many advantages over DC drives like lighter weight for the same rating and low maintenance. Also AC drives can be classified as induction motor and synchronous motor drives. Also their operation can be summarized using appropriate motor equations and converter equations.

The document Chapter 8 - Power Electronics (Part - 2) | Additional Study Material for Mechanical Engineering is a part of the Mechanical Engineering Course Additional Study Material for Mechanical Engineering.
All you need of Mechanical Engineering at this link: Mechanical Engineering
1 videos|30 docs|57 tests
Related Searches

Chapter 8 - Power Electronics (Part - 2) | Additional Study Material for Mechanical Engineering

,

study material

,

ppt

,

shortcuts and tricks

,

Objective type Questions

,

Free

,

Sample Paper

,

Semester Notes

,

MCQs

,

Previous Year Questions with Solutions

,

Exam

,

Chapter 8 - Power Electronics (Part - 2) | Additional Study Material for Mechanical Engineering

,

video lectures

,

Summary

,

Viva Questions

,

practice quizzes

,

Important questions

,

mock tests for examination

,

Chapter 8 - Power Electronics (Part - 2) | Additional Study Material for Mechanical Engineering

,

past year papers

,

Extra Questions

,

pdf

;