| Table of contents |
The relation between an input variable and an output variable of a signal flow graph is given by Mason's Gain Formula.
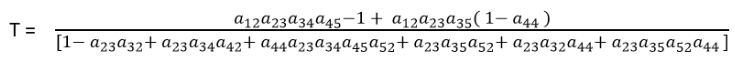
For determination of the overall system transfer function, the gain is given by:

Where,
Δ = 1 - (sum of individual loop gains) + (sum of products of gains of two non-touching loops) - (sum of products of gains of three non-touching loops) + ...
Δk = value of Δ computed for the portion of the graph that does not touch the kth forward path (i.e., exclude loops that touch that forward path when forming Δk).

A forward path is any path from the input node to the output node in which no node is encountered more than once.
From the example signal flow graph shown below there are two forward paths with their path gains as indicated:

A loop is a closed path that starts and ends at the same node without passing through any other node more than once. The gain of a loop is the product of gains along that closed path.
There are five individual loops in the example signal flow graph with their loop gains as shown:

Two loops are said to be non-touching if they do not have any node in common. For Δ, products of gains of combinations of non-touching loops are used.
In the example graph there are two possible combinations of non-touching loops; their loop-gain products are shown here:

In the above SFG there are no combinations of three non-touching loops, four non-touching loops, and so on.





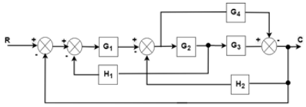
Draw the Signal Flow Diagram and determine C/R for the block diagram shown in the figure.

The signal flow graph of the above diagram is drawn below

Sol.
P1 = G1G2G3 Δ1 = 1
P2 = -G1G4 Δ2 = 1
Individual loops:
L1 = - G1G2H1
L2 = - G2G3H2
L3 = - G1G2G3
L4 = G1G4
L5 = G4H2
Non-touching loops = 0


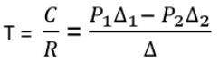
Compute Δ for the whole graph.
Use the definition Δ = 1 - (sum of individual loop gains) + (sum of products of two non-touching loops) - ...
Since there are no non-touching loop combinations contributing, Δ = 1 - (L1 + L2 + L3 + L4 + L5).
Substitute the loop gains:
Δ = 1 - [ -G1G2H1 - G2G3H2 - G1G2G3 + G1G4 + G4H2 ]
Simplify the signs:
Δ = 1 + G1G2H1 + G2G3H2 + G1G2G3 - G1G4 - G4H2
Apply Mason's Gain Formula:
Overall transfer C/R = (P1Δ1 + P2Δ2) / Δ
Substitute P1, P2, Δ1 and Δ2:
C/R = [ G1G2G3 - G1G4 ] / [ 1 + G1G2H1 + G2G3H2 + G1G2G3 - G1G4 - G4H2 ]
Factor if required for simplification:
C/R = G1 [ G2G3 - G4 ] / [ 1 + G1G2H1 + G2G3H2 + G1G2G3 - G1G4 - G4H2 ]
Try yourself: What does the Mason's Gain Formula in signal flow graph represent?
53 videos|116 docs|40 tests |