



Where:

Where:
The shear centre from the centre line of the web is determined by:
Where:
For a thin-walled semicircular cross-section, the shear stress at an angle θ is given by:

Where y is the moment of area under consideration about the neutral axis.
The position of the shear centre e is given by:

Where R is the radius of the semicircle.




Where:
tb = thickness of the base
tf = thickness of the flange
h = height
b = width
5. Circular Arc: The shear centre is given by:
Where R is the radius of the arc and θ is the angle subtended by the arc.
These equations and principles help determine the shear centre for various cross-sectional shapes, which is crucial for designing structures that avoid torsional effects under load.
Q1. Find the approximate location of the shear center for a beam with the cross-section of the channel as shown in the figure. h = 250 mm, b = 130 mm, t = 3 mm. Choose the correct answer from the following options.
Solution:
Shear Centre:It is the point (inside or outside a section) through which the applied shear force produces no torsion or twist of the member (or)
Shear Centre is defined as the point through which the load must be applied to produce zero twisting moment on the section. If load passes through the shear centre, then there will be only bending stress in the cross-section and no twisting.
The following points should be remembered for the shear centre:
The shear flow in channel section causes clockwise twisting as shown.
To balance that clockwise twisting, the external resultant load must cause anticlockwise twisting and it can be possible if load lies an LHS of the channel section.
Further, since the channel section has X-X as of symmetry and Y-Y axis is not the symmetric axis so, 'R' cannot be shear centre.
'S', and 'Q' cannot be shear centre because they cause external loading twisting in clockwise rather than anticlockwise.
So, the only possible location of the shear centre is 'P'.
Here Point P represents Shear centre ( Which is outside the body )
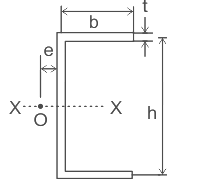
Shear centre for channel section
The location of the shear centre for a channel section is given by
where,
h = distance between the centre lines of the flanges
t = Thickness of the flange
b = Length of the flange up to the centreline of the web
Ixx = Moment of inertia of the channel about the axis of symmetry (X-X axis)
e = Horizontal distance of applied vertical downward shear force from the centre of the web
Calculation:
Given data
h = 250 mm, b = 130 mm, t = 3 mm
Ixx = 1.60960 x107 mm4
The location of the shear centre for a channel section is given by
e = 49.216 mm
Q2. Shear centre of a semi-circular arc of radius r is at:
Solution: Shear center of a circular section is given by:


Q3. A cross-section of a slit circular tube of constant thickness is shown in the figure below. Calculate the distance 'e' from the center of the circle (C) to the shear center (S), if the radius r = 20 cm.
Solution: Given data:
r = 20 cm
e = distance between the center of the circle (C) to the shear center (S)
Now Shear center of the circular tube is given by the following formula:
e = 2r
e = 2 x 20
e = 40 cm
| 1. What is the concept of the shear centre in structural engineering? | ![]() |
| 2. How is the shear centre different from the centroid of a cross-section? | ![]() |
| 3. Why is the concept of the shear centre important in structural analysis? | ![]() |
| 4. How can the shear centre be calculated for a given cross-section? | ![]() |
| 5. What are the practical implications of understanding the shear centre in structural design? | ![]() |