Q1: The four stator conductor (A, A′, B and B′) of a rotating machine are carrying DC currents of the same value, the directions of which are shown in figure (i). The rotor coils a − a′ and b − b′ are formed by connecting the back ends of conductor 'a' and ′a' and 'b' and ′b′', respectively, as shown in figure (ii). The e.m.f. induced in coil a−a′ and coil b−b′ are denoted by Ea−a′ and Eb−b′; respectively. If the rotor is rotated at uniform angular speed ωrad/s in the clockwise direction then which of the following correctly describes the Ea−a′ and Eb−b′ ? (2023)
(a) Ea−a′ and Eb−b′ have finite magnitudes and are in the same phase
(b) Ea−a′ and Eb−b′ have finite magnitudes with Eb−b′ leading Ea−a
(c) Ea−a′ and Eb−b′ have finite magnitudes with Ea−a′ leading Eb−b′
(d) Ea−a′ = Eb−b′= 0
Ans: (d)
Sol: Since, a-a' and b-b' are placed at GNA (Geometric Neutral Axis) therefore, Ea−a′ = Eb−b′ = 0
Q2: A 10-pole, 50 Hz, 240 V, single phase induction motor runs at 540 RPM while driving rated load. The frequency of induced rotor currents due to backward field is (2023)
(a) 100 Hz
(b) 95 Hz
(c) 10 Hz
(d) 5 Hz
Ans: (b)
Sol: Synchronous speed,

Now, forward slip,
∴ Backward slip = 2−S = 1.9
Thus, required frequency = 1.9×50 = 95 Hz
Q3: The following columns present various modes of induction machine operation and the ranges of slip
The correct matching between the elements in column A with those of column B is (2023)
(a) a-r, b-p, and c-q
(b) a-r, b-q, and c-p
(c) a-p, b-r, and c-q
(d) a-q, b-p, and c-r
Ans: (a)
Sol: Torque speed characteristic of 3−ϕ IM :
S > 1 ⇒ Plugging mode
0 < S < 1 ⇒ Motoring mode
S < 0 ⇒ Generating Mode
Q4: A 4-pole induction motor with inertia of 0.1 kg − m2 drives a constant load torque of 2 Nm. The speed of the motor is increased linearly from 1000 rpm to 1500 rpm in 4 seconds as shown in the figure below. Neglect losses in the motor. The energy, in joules, consumed by the motor during the speed change is ____________. (round off to nearest integer) (2022)
(a) 1732
(b) 2534
(c) 1245
(d) 3251
Ans: (a)
Sol: We have


Q5: The type of single-phase induction motor, expected to have the maximum power factor during steady state running condition, is (2022)
(a) split phase (resistance start).
(b) shaded pole.
(c) capacitor start.
(d) capacitor start, capacitor run.
Ans: (d)
Q6: A three-phase, 50 Hz, 4-pole induction motor runs at no-load with a slip of 1%. With full load, the slip increases to 5 %. The % speed regulation of the motor (rounded off to 2 decimal places) is _________ . (2020)
(a) 4.21
(b) 16.45
(c) 2.21
(d) 8.44
Ans: (a)
Sol: Synchronous speed,
Speed at no-load,
Speed at full load,
% Speed regulation = 

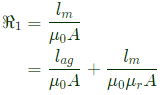
Q7: The magnetic circuit shown below has uniform cross-sectional area and air gap of 0.2 cm. The mean path length of the core is 40 cm. Assume that leakage and fringing fluxes are negligible. When the core relative permeability is assumed to be infinite, the magnetic flux density computed in the air gap is 1 tesla. With same Ampere-turns, if the core relative permeability is assumed to be 1000 (linear), the flux density in tesla(round off to three decimal places) calculated in the air gap is __________ (2019)
(a) 0.257
(b) 0.456
(c) 0.833
(d) 0.658
Ans: (c)
Sol:
In case-1:

As flux ϕ ∝ B for uniform cross section area.

Q8: The equivalent circuit of a single phase induction motor is shown in the figure, where the parameters are
and s is the slip. At no-load, the motor speed can be approximated to be the synchronous speed. The no-load lagging power factor of the motor is___________ (up to 3 decimal places). (2018)
(a) 0.182
(b) 0.412
(c) 0.214
(d) 0.106
Ans: (d)
Sol: 
Simplifying the above circuit into a simple R - L circuit,


(∴ θ : impedance angle will be p.f. angle)
∴ No laod lagging p.f. of motor is (cosθ), cos(83.9) = 0.106 lagging power factor
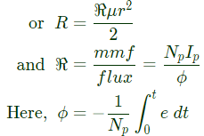
Q9: A transformer with toroidal core of permeability μ is shown in the figure. Assuming uniform flux density across the circular core cross-section of radius r<<R, and neglecting any leakage flux, the best estimate for the mean radius R is (2018)
(a) 
(b) 
(c) 
(d) 
Ans: (d)
Sol:
Since we know reluctance of core:
Here, lc = mean core length, a= area of core reluctance,
[where R = mean radius of core]
[where e is primary generated voltage]

Q10: A 375W, 230 V, 50 Hz capacitor start single-phase induction motor has the following constants for the main and auxiliary windings (at starting): Zm = (24.50 + j12.75)Ω (main winding), Zn = (24.50 + j12.75)Ω (auxiliary winding). Neglecting the magnetizing branch the value of the capacitance (in μF ) to be added in series with the auxiliary winding to obtain maximum torque at starting is _______. (SET-1 (2017))
(a) 38.43
(b) 200
(c) 150
(d) 50
Ans: (c)
Sol: Auxiliary winding impedance = (24.5 + j12.75)Ω
Let Xc be the reactance of the capacitor connected in auxiliary winding
For maximum torque at starting, condition on ϕa and ϕm is given by 
Comparing equation (i) and (ii),
Capacitive reactance,
