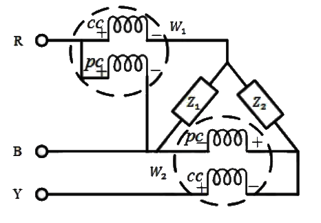
Q1: In the circuit shown, Z1 = 50∠ −90° and Z2 = 200∠ −30°Ω. It is supplied by a three phase 400 V source with the phase sequence being R-Y-B. Assume the watt meters W1 and W2 to be ideal. The magnitude of the difference between the readings of W1 and W2 in watts is ______ (rounded off to 2 decimal places). (2024)
(a) 253.65
(b) 742.25
(c) 692.8
(d) 562.25
Ans: (c)
Sol: 
VRY = 400∠0°
VYB = 400∠ − 120°
VBR = 400∠ − 240°
VPC = VRB = 400∠ − 60°
ILI = ICC(1) = I1 + I2 = 8∠30° + 2∠30°
= 10∠30° ⇒ ICC(1)
W = VRB x I2θcos (∠VRB and ILO)
W1 = 400 x 10 x cos(-60° - 30°) = 0 Watt
W2 = VYB x I2cos(∠VYB and I2)
= 400 x 2 x cos(-120° - 30°) = -692.8 Watt
W2 = 0 - (-692.8) = 692.8 Watt
Q2: A 3-phase, star-connected, balanced load is supplied from a 3-phase, 400V (rms), balanced voltage source with phase sequence R − Y − B, as shown in the figure. If the wattmeter reading is −400 W and the line current is IR = 2 A(rms), then the power factor of the load per phase is (2023)
(a) Unity
(b) 0.5 leading
(c) 0.866 leading
(d) 0.707 lagging
Ans: (c)
Sol: By observation of wattmeter connection, the wattmeter read reactive power
∵ Wattmeter reading,
W = YYBIR (Angle between VYB and IR.
Phasor diagram :
∴ W = VLILcos(90° − β)
= VLILsinϕ
Given: W = −400 W
∴ − 400 = 400 × 2 × sinϕ
⇒ ϕ = −30°
Thus, P.F. = cosϕ = 0.866 leading
Q3: The voltage across and the current through a load are expressed as follows
v(t) = −170sin(377t − (π/6))V
i(t) = 8cos(377t + (π/6))A
The average power in watts (round off to one decimal place) consumed by the load is _______. (2019)
(a) 340.5
(b) 170.6
(c) 588.9
(d) 377.8
Ans: (c)
Sol: v(t)= -170sin (377t - (π/6))V = Vpc
i(t) = 8cos (377t + (π/6))A = ICC
i(t) = 8sin (377t + (2π/3))A = ICC
Pavg = (1/2) x (-170)(8) x cos(- (π/6) - (2π/3))
= (1/2) x (-170)(8) x cos (150°)
= 588.9 W
Q4: Two wattmeter method is used for measurement of power in a balanced three-phase load supplied from a balanced three-phase system. If one of the wattmeters reads half of the other (both positive), then the power factor of the load is (2018)
(a) 0.532
(b) 0.632
(c) 0.707
(d) 0.866
Ans: (d)
Sol: In two wattmeter method,
Given, W2 = W1/2
ϕ = 30°
cosϕ = cos30° = 0.866
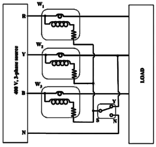
Q5: The load shown in the figure is supplied by a 400 V (line to line) 3-phase source (RYB sequence). The load is balanced and inductive, drawing 3464 VA. When the switch S is in position N, the three watt-meters W1, W2 and W3 read 577.35W each. If the switch is moved to position Y, the readings of the watt-meters in watts will be: (SET-1(2017))
(a) W1 = 1732 and W2 = W3 = 0
(b) W1 = 0, W2 = 1732 and W3 = 0
(c) W1 = 866, W2 = 0, W3 = 866
(d) W1 = W2 = 0 and W3 = 1732
Ans: (d)
Sol: When switch is on Neutral side
W = W1 + W2 + W3
= 577.35 + 577.35 + 577.35
= 1732 Watts
VA load = 3464 = 3VphIph
⇒ VphIph = 1154.66
Each Ω meter reading
= VRNIRcos(∠VRN and IR)
577.35 = VphIph cos(ϕ)
ϕ = cos-1(0.5) = 60°
When switch is on Y-phase side,
W1 = VRYIRcos(∠VRY and IR)
= 0 Watt
W3 = VBYIRcos(∠VBY and IR)
= 1732 Watt
W1 = 0
W2 = 0
W3 = 1732 Watt
Q6: An energy meter, having meter constant of 1200 revolutions/kWh, makes 20 revolutions in 30 seconds for a constant load. The load, in kW, is _____________. (SET-2 (2016))
(a) 1
(b) 2
(c) 3
(d) 4
Ans: (b)
Sol: Ploss = (20 x 3600)/(1200 x 30) = 2 kW
Q7: The coils of a wattmeter have resistances 0.01Ω and 1000Ω; their inductances may be neglected. The wattmeter is connected as shown in the figure, to measure the power consumed by a load, which draws 25A at power factor 0.8. The voltage across the load terminals is 30V. The percentage error on the wattmeter reading is _________. (SET-2(2015))
(a) 0.85
(b) 0.15
(c) 0.25
(d) 0.55
Ans: (b)
Sol: True value of power
= VI cos ϕ
= 30 × 25 × 0.8 = 600W
In the give diagram,
Measured power = Power loss in pressure coil + Power in loead
= V2/RP + VI Cos ϕ
= (302/1000) + 600 W = 600.9 W
Therefore, percentage error in wattmeter reading [/latex]

Q8: A 3-phase balanced load which has a power factor of 0.707 is connected to a balanced supply. The power consumed by the load is 5 kW. The power is measured by the two-wattmeter method. The readings of the two wattmeters are (SET-2 (2015))
(a) 3.94 kW and 1.06 kW
(b) 2.50 kW and 2.50 kW
(c) 5.00 kW and 0.00 kW
(d) 2.96 kW and 2.04 kW
Ans: (a)
Sol: p.f. = 0.707
ϕ = cos−1(0.707) = 45°
P = 5kW
W1 + W2 = 5 ...(i)

From equation (i) and (ii),
W - 1 = 3.94 kW
W2 = 1.06 kW
Q9: An LPF wattmeter of power factor 0.2 is having three voltage settings 300 V, 150 V and 75 V, and two current settings 5 A and 10 A. The full scale reading is 150. If the wattmeter is used with 150 V voltage setting and 10 A current setting, the multiplying factor of the wattmeter is _______. (SET-3 (2014))
(a) 1
(b) 2
(c) 3
(d) 2.5
Ans: (b)
Sol: Given, cosϕ = 0.2 (LPF wattmeter)
Given ,, full scale reading of wattmeter,
Wm = 150 Watt
Also for V = 150 volt, I = 10A settings,
wattmeter reading,
W = V I cosϕ = 150 × 10 × 0.2 = 300
Therefore, multiplying factor of wattmeter,

Q10: While measuring power of a three-phase balanced load by the two-wattmeter method, the readings are 100 W and 250 W. The power factor of the load is ______. (SET-2(2014))
(a) 0.20
(b) 0.48
(c) 0.80
(d) 0.96
Ans: (c)
Sol: Given, W1 = 250W, W2 = 100W
Power factor angle is given by
Therefore, power factor of load = cosϕ = cos36.58° = 0.802 = 0.80
Q11: Power consumed by a balanced 3-phase, 3-wire load is measured by the two wattmeter method. The first wattmeter reads twice that of the second. Then, the load impedance angle in radians is (SET-1 (2014))
(a) π/12
(b) π/8
(c) π/6
(d) π/3
Ans: (c)
Sol: For two wattmeter method, wattmeter readings are
W1 = VLILcos(30 + ϕ)
W2 = VLILcos(30 + ϕ)
Forϕ = 30°, (or π/6)
W1 = VLILcos60° = 
W2 = VLILcos0° = VLIL
Therefore W2 = 2W1
Q12: For the circuit shown in the figure, the voltage and current expressions are
v(t) = E1sin(ωt) + E3sin(3ωt) and i(t) = I1sin(ωt − ϕ1) + I3sin(3ωt − ϕ3) + I5sin(5ωt)
The average power measured by the wattmeter is (2012)
(a) (1/2) E1I1cosϕ1
(b) (1/2)
[E1I1cosϕ1 + E1I3cosϕ3 + E1I5]
(c) (1/2)[E1I1cosϕ1 + E3I3cosϕ3]
(d) (1/2)[E1I1cosϕ1 + E3I1cosϕ3]
Ans: (c)
Sol: V(t) = E1sinωt + E3sin3ωt
i(t) = I1sin(ωt − ϕ1) + I3sin(3ϕt − ϕ3) + I5 sin 5ωt
Average power,
Pavg = 1/2π 
The product of different frequency terms have zero average value.
∴ Pavg = (1/2) E1I1 cos ϕ1 + (1/2)E3I3 cos ϕ3
Q13: Consider the following statement
(1) The compensating coil of a low power factor wattmeter compensates the effect of the impedance of the current coil.
(2) The compensating coil of a low power factor wattmeter compensates the effect of the impedance of the voltage coil circuit. (2011)
(a) (1) is true but (2) is false
(b) (1) is false but (2) is true
(c) both (1) and (2) are true
(d) both (1) and (2) are false
Ans: (b)
Sol: The current coil carries a current of I + IP and produces a filed corresponding to this current. The compensating coil is connected in series with the pressure coil circuit and is made as nearly as possible identical and coincident with the current coil. It is so connected that it opposes the field of the current coil. The compensating coil carries a current IP and produces a field corresponding to this current. This field acts as in opposition to the current coil field. Thus the resultant field is due to current I only. Hence the error caused by the pressure coil current flowing in the current coil is neutralized.

Q14: A wattmeter is connected as shown in figure. The wattmeter reads. (2010)
(a) Zero always
(b) Total power consumed by Z1 and Z2
(c) Power consumed by Z1
(d) Power consumed by Z2
Ans: (d)
Sol:
Potential coil draws negligible current. So current through Z1 and Z2 is same.
current through current coil = Icc = I
Voltage across potential coil = Vpc
Voltage across Z1 = Vpc = V
Wattmeter reads power consumed by Z2, as voltage across potential coil = Voltage across Z2
Current through current coil = Current through Z2.
Q15: The figure shows a three-phase delta connected load supplied from a 400V, 50 Hz, 3-phase balanced source. The pressure coil (PC) and current coil (CC) of a wattmeter are connected to the load as shown, with the coil polarities suitably selected to ensure a positive deflection. The wattmeter reading will be (2009)
(a) 0
(b) 1600 Watt
(c) 800 Watt
(d) 400 Watt
Ans: (c)
Sol: Assuming phase angle sequence abc
Line to line voltage Vl−l = 400V
Taking Vab as the reference
Vab = Vl−l∠0° = 400∠0°V
Vbc = 400∠ − 120°V
Vca = 400∠ − 240°V
Current through current coil
Voltage across pressure ciol
Bpc = Vbc = 400∠ - 120°V
ϕ = angle between Icc and Vpc
= -120 - (-240°) = 120°
Wattmeter reading,
|Vpc||Icc| cosϕ = 400 x 4 x cos(120°)
= -800 W