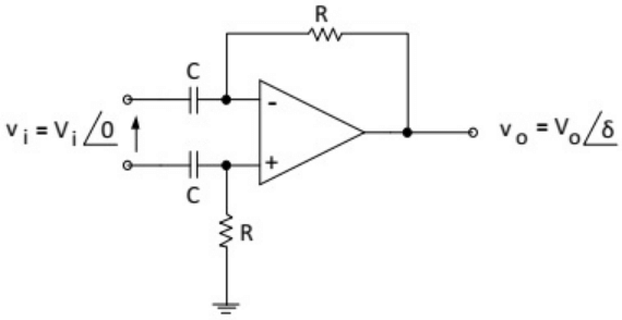
Q16: The operational amplifier shown in the figure is ideal. The input voltage (in Volt) is Vi = 2sin(2π × 2000t). The amplitude of the output voltage Vo (in Volt) is _______. (SET-2 (2015))
(a) 0.14
(b) 1.24
(c) 2.25
(d) 2.44
Ans: (b)
Sol: Vi = 2sin(2π × 2000t)
The transfer function of the system is
The input is 2sin(2π × 2000t)
ω = 4000π
V0 = 2∣H(jω)∣ω = 4000π × sin(4000πt − ϕ)
Output = 1.245sin(4000πt − 51.46°)
So, amplitude of output is 1.245.
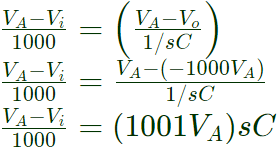
Q17: The op-amp shown in the figure has a finite gain A = 1000 and an infinite input resistance. A step-voltage Vi = 1mV is applied at the input at time t = 0 as shown. Assuming that the operational amplifier is not saturated, the time constant (in millisecond) of the output voltage Vo is (SET-1 (2015))
(a) 1001
(b) 101
(c) 11
(d) 1
Ans: (a)
Sol: The circuit is
Now, the gain of op-amp is 1000
So, Vo = 1000(V+ − V−)
Since V+ = 0 (grounded)
V- = VA
The above circuit can be redrawn as
So, Vo = 1000VA
Now, KCL at node 'A'
VA − Vi = (1001) × 1000VAsC
VA − Vi = s(1001000 × 10−6)VA
VA − s1.001VA = Vi
Since, Vo = −1000VA
Since, pole is at (1/1.001), so time constant is approax '1001'.
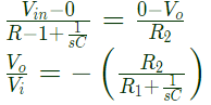
Q18: Consider the circuit shown in the figure. In this circuit R = 1kΩ, and C = 1μF. The input voltage is sinusoidal with a frequency of 50 Hz, represented as a phasor with magnitude Vi and phase angle 0 radian as shown in the figure. The output voltage is represented as a phasor with magnitude Vo and phase angle δ radian. What is the value of the output phase angle δ (in radian) relative to the phase angle of the input voltage? (SET-1 (2015))
(a) 0
(b) π
(c) π/2
(d) −π/2
Ans: (d)
Sol: The circuit is
Since circuit has negative feedback, so with help of virtual short VA = VB
So, KVL in the loop from A to B given,
So, VA = −IR
and VA = VB
So, 
Now, 
So, Vo = VB − IR
= −Vi(sCR)
(a)
(b)
(c)
(d)
Ans: (c)
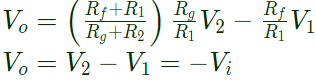
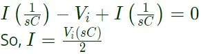
Hence Vo = 0
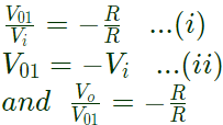
Vo = −V01 ...(iii)
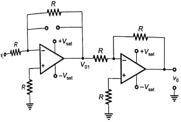
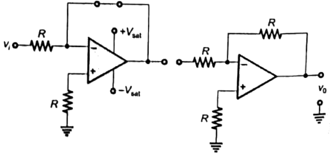
The output of the circuit for a given input vi is (SET-3 (2014))
(b) 
(c) 
(d) +Vsat or −Vsat
⇒ V0 = 2V01
(SET-1 (2014))
(a)
(b)
(c)
(d)
Ans: (a)
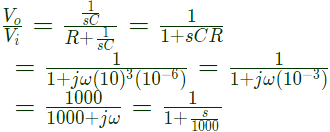
This filter is considered as low-pass filter (LPF). The transfer function for LPF
ωc (corner frequency)= 103 rad/sec.

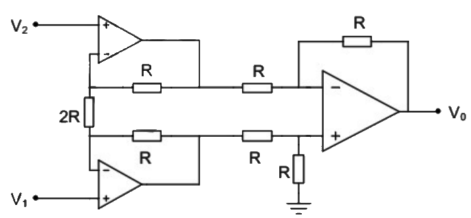
(a) (V1 − V2)
and apply KCL at node '1'
From equation (i), (ii) and (iii), we get
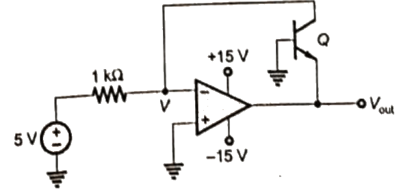
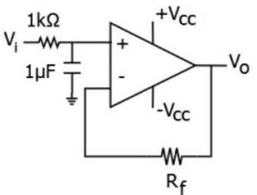
(a) 4
(a) -15 V
Using the concept of vitual ground, V = 0
Vout = −0.7V
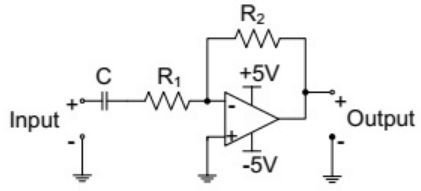
(a) low pass filter with f3dB =
(b) high pass filter with f3dB = 
(c) low pass filter with f3dB = 
(d) high pass filter with f3dB = 
Ans: (b)
Sol: 
It is a high pass filter with

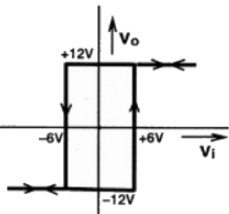
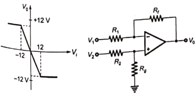
The CORRECT transfer characteristic is (2011)
(b)
(c)
(d)
Ans: (d)
Output is
Second stage-schmitt trigger


It is band pass filter.
(a) 4V
= (1 + 2)(2) = 6V135 videos|181 docs|71 tests |