Transformers - 2

Practical Transformer

A practical transformer is a type of electrical device used to transfer electrical energy between two or more circuits through electromagnetic induction. Transformers are essential in the distribution and regulation of electrical power in various applications, ranging from small electronic devices to large-scale power grids.

To study the practical transformer, the effect of assumptions, made for the ideal transformer, will be taken up one by one under the following cases.

Here μ is the permeabilty of magnetic core of the transformer.

Case-1: All Features of ideal Transformer Expect: μ ≠ ∞

No-load Condition:
As there is no core loss, hence magnetizing current, and no-load current will be equal, and flux ϕ will be in phase with the no-load current because the flux is generated by the load current.

Case-1: All Features of ideal Transformer Expect: μ ≠ ∞
On Load Condition:

Case-1: All Features of ideal Transformer Expect: μ ≠ ∞

⇒  Case-1: All Features of ideal Transformer Expect: μ ≠ ∞  

Case-1: All Features of ideal Transformer Expect: μ ≠ ∞

Note:
• No-load current is also known as exciting current.

Case-2 : μ ≠ 0 and Core Loss Exists

• The core losses are always present in the ferromagnetic core of the transformer since the transformer is an ac-operated magnetic device.
• The hysteresis loss in the core can be minimized by using high-grade material such as CRGO steel and eddy current loss can be minimized by using thin laminations for the core.

Case-2 : μ ≠ 0 and Core Loss Exists

• Because of hysteresis the no-load current of exciting current I0 leads the magnetic flux ø by an angle α called the angle of hysteretic advance.
Iø = Io sin øo

Case-2 : μ ≠ 0 and Core Loss Exists
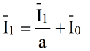
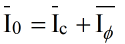
• The component lø along ø is called the reactive or magnetizing current and the second component lc along V1 is called core loss component or power component.

Remember:
In an ideal transformer, core-loss current lc = 0 and no-load current l0 = magnetizing current lø.

Case-3 : Effect of Leakage Flux

• The magnetic potential difference is necessary for the establishment of flux in a magnetic circuit.
• This magnetic potential difference establishes.
• The mutual flux Ø linking both the windings.
• This magnetic potential difference establishes:
- The mutual flux Ø linking both the windings.
- The primary leakage flux fl1, which links only the primary winding.

Case-3 : Effect of Leakage Flux

• The inductor is the suitable element for showing the leakage flux element.
• Ø l1 and Øl2 are in phase with land l2 respectively because these flux are created by load current.

Case-3 : Effect of Leakage Flux

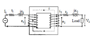
• El1 and El2 are the induced emf caused by leakage fluxes in primary and secondary respectively.
• xand x2 are the leakage reactances of primary and secondary respectively.
Now let us see the cpmplete phsor diagram.

MULTIPLE CHOICE QUESTION

Try yourself: Which of the following statements is true about the practical transformer?

A

The hysteresis loss in the core cannot be minimized.

B

In an ideal transformer, core-loss current lc is not equal to 0.
 

C

The primary leakage flux links only the primary winding.
 

D

The inductor is not a suitable element for showing the leakage flux element.
 


Complete Phasor Diagram:
• We are using the convention that all induced EMFs and currents directly satisfy, Lenz's law (by opposing the flux).

Case-3 : Effect of Leakage Flux
Basic Equation for Transformers:
Case-3 : Effect of Leakage Flux

  • Case-3 : Effect of Leakage Flux
  • Case-3 : Effect of Leakage Flux
  • Case-3 : Effect of Leakage Flux
  • Case-3 : Effect of Leakage Flux
    Where r1 and r2 are the resistances of the windings.

Case-3 : Effect of Leakage Flux

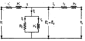
Equivalent Circuit

The equivalent circuit is a circuit representation of the equation describing the performance of the device.

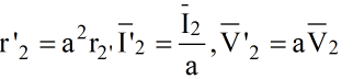
Here 'a' can be taken as turns ratio.

Therefore, a = N1/N2

Exact Equivalent Circuit:

Equivalent Circuit

Equivalent Circuit

Equivalent Circuit

Equivalent Circuit

• All the prime quantities are referred to the primary side.
Equivalent Circuit Referred to Secondary Side:

Equivalent Circuit

• Where Equivalent Circuit

Testing of Transformer

The following tests are performed to find the performance parameters of transformers.

Polarity Test

• In determining the relative polarity of the two windings of a transformer the two windings are connected in series across a voltmeter while one of the winding is excited from a suitable voltage source as shown in the figure.

Polarity Test
• If the polarities of the windings are as marked on the diagram, the voltmeter should read E=(E1-E2). If it reads (E1 + E2), then it is called additive polarity. We don't want additive polarity because these are subjected to high voltage stresses.
• On account of these reasons, the polarity markings of one of the windings must be interchanged then after interchanging polarity voltmeter reads (E1 - E2) is called subtractive polarity. Subtractive polarity. Subtractive polarity is preferable to additive polarity.

Open-circuit (OC) or No-load test:

The open-circuit test gives the following information:
• Core-loss at rated voltage and frequency
• The shunt branch parameters of the equivalent circuit, i.e. Rc and Xm
• Turns ratio of the transformer.

Open-circuit (OC) or No-load test:

• A voltmeter, wattmeter, and ammeter are connected to the low voltage side of the transformer. Readings are recorded when  a voltage is applied at rated frequency to the L.V. side and kept high voltage side open-circuited.
• The ammeter records the no-load current or exciting current l0. Since l0 is quite small (2 to 6%) of rated current, so primary leakage impedance drop is negligible.
• The wattmeter recorded input power which consists of core loss and ohmic loss.
Remember:
The ohmic loss during the open-circuit test is negligible in composition with the normal core loss.
Parameters of the shunt branch can be found out by the following sequence of equations.

  • Open-circuit (OC) or No-load test:
  • Open-circuit (OC) or No-load test:
  • Open-circuit (OC) or No-load test:

Where Voc, Poc, and lo are instruments reading.

Short-circuit Test:

• The short circuit test gives the following information:
- Ohmic loss at rated current and frequency.
- The equivalent resistance and equivalent leakage reactance.
- Voltage regulation of a transformer.
Note:
• For efficiency, all data is necessary which are obtained from both test, open circuit test and short circuit test.
• In a short circuit test, all the instruments are placed on the high voltage side and the low voltage side of the transformer is short-circuited.

Short-circuit Test:

• The applied voltage is adjusted by autotransformer to circulate rated current in the high voltage side.
This circulated rated current achieved by only 2 to 12% of its rated value of primary voltage.
• In this test, the wattmeter records the core loss and the ohmic loss in both the windings but the core loss and shut branch parameter ignored because only 2 to 12% of rated voltage is applied.

Short-circuit Test:

• To find different parameters of transformers in the sequence of equations.

Short-circuit Test:

Back to Back or Sumpner's test or Load Test:

Open circuit and short circuit tests on a transformer are not suitable for conducting a 'heat run' test, which is necessary to determine the steady temperature rise when a transformer is fully loaded continuously. These tests only subject the transformer to either core loss or copper loss, but not both simultaneously, failing to provide an accurate measure of the heat generated under actual operating conditions.

Full Load Test:

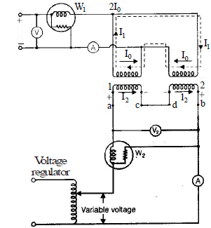
To determine the maximum temperature rise in a transformer, a full-load test, also known as the back-to-back test, regenerative test, or Sumpner's test, is essential. This test requires two identical single-phase transformers. It effectively simulates full-load conditions without the need for full-load power from the supply, thus allowing for an accurate assessment of the transformer's performance under continuous full load. Full Load Test:
• The primary windings of the two transformers are connected in parallel and supplied at rated voltage and rated frequency.
• The secondaries are connected in series with their polarities in phase opposition which can be checked by the voltmeter V2. If the voltmeter Vab across a, b point reads zero, the secondaries are in series opposition and terminal a and be are use for test.
• If voltmeter Vab =sum of the two secondaries voltages. It means these are in the same phase. In order to bring them in phase opposition, terminals ad should be joined together to result in zero voltage across terminals bc.
• The total voltage across the two secondaries in series will be zero. There will be no current in the secondary windings. The transformers will behave as if their secondary windings are open-circuited Hence, the reading of wattmeter W1 gives the iron losses of both the transformers.
• Now a small voltage is injected in the secondary circuit by a regulating transformer excited by the main supply. The magnitude of the injected voltage is adjusted till the ammeter A2 reads full load secondary current, this current produces full load current to flow through the primary windings and will follow a circulatory path through the main bus bar.
• The reading of wattmeter W2 will not be affected by this current. This wattmeter W2 given the full load copper losses of the two transformers.

Note:
• The Ammeter A1 given the total no-load current of the two transformers. Thus in this method, we have loaded the two transformers to full load but the power taken from the supply is only that necessary to supply the losses of both transformers.
• The temperature rise of transformers can be determined by operating these transformers back to back for a long time and measuring the temperature of the oil at periodic intervals of time.

MULTIPLE CHOICE QUESTION

Try yourself:  A transformer is undergoing a short-circuit test. The primary voltage is adjusted so that the rated current is circulating on the high voltage side. This circulated rated current is achieved by:

A

20 to 50% of its rated value of primary voltage.
 

B

2 to 12% of its rated value of primary voltage.
 

C

 50 to 80% of its rated value of primary voltage.
 

D

80 to 100% of its rated value of primary voltage.
 

The document Transformers - 2 is a part of the Electrical Engineering (EE) Course Electrical Engineering SSC JE (Technical).
All you need of Electrical Engineering (EE) at this link: Electrical Engineering (EE)

FAQs on Transformers - 2

1. What is the purpose of conducting a back to back or Sumpner's test on a transformer?
Ans. The back to back or Sumpner's test is performed on a transformer to determine the transformer's efficiency, losses, and voltage regulation under actual operating conditions.
2. How is the equivalent circuit of a transformer helpful in testing the transformer?
Ans. The equivalent circuit of a transformer helps in predicting the transformer's behavior under different load conditions and in analyzing the transformer's performance during testing.
3. What are some common parameters that are measured during the testing of a transformer?
Ans. Some common parameters that are measured during the testing of a transformer include efficiency, losses, voltage regulation, impedance, and power factor.
4. How does the load test help in determining the performance of a transformer?
Ans. The load test, also known as the back to back or Sumpner's test, helps in evaluating the transformer's ability to handle loads and maintain voltage regulation within acceptable limits.
5. Why is it important to conduct practical transformer testing before putting a transformer into service?
Ans. Practical transformer testing is crucial to ensure that the transformer meets the specified performance requirements, operates efficiently, and does not pose any safety risks when connected to the electrical system.
Explore Courses for Electrical Engineering (EE) exam
Get EduRev Notes directly in your Google search
Related Searches
shortcuts and tricks, pdf , Previous Year Questions with Solutions, past year papers, Transformers - 2, MCQs, study material, Transformers - 2, video lectures, Semester Notes, Transformers - 2, Free, ppt, Summary, practice quizzes, Exam, Sample Paper, mock tests for examination, Objective type Questions, Extra Questions, Viva Questions, Important questions;