You can boost your Civil Engineering (CE) 2026 exam preparation with this UPSSSC JE Civil Mock Test - 1 (available with detailed solutions).. This mock test has been designed with the analysis of important topics, recent trends of the exam, and previous year questions of the last 3-years. All the questions have been designed to mirror the official pattern of Civil Engineering (CE) 2026 exam, helping you build speed, accuracy as per the actual exam.
Mock Test Highlights:
Sign up on EduRev for free and get access to these mock tests, get your All India Rank, and identify your weak areas to improve your marks & rank in the actual exam.
Detailed Solution: Question 1
In a non-tilting type drum mixer,
Which of the above statements are correct?
Detailed Solution: Question 2
For a saturated clay soil Skempton's pore pressure parameter 'B' is
Detailed Solution: Question 3
Match List-I with List-II and select the most appropriate answer using the codes given below the list:

Detailed Solution: Question 4
Detailed Solution: Question 5
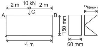
A rectangular beam 60 mm wide and 150mm deep is simply supported over a span of 4 m. If the beam is subjected to a central point load of 10 kN, find the maximum bending stress induced in the beam section.

Detailed Solution: Question 6
Consider the following statements:
Which of the above statements is /are correct?
Detailed Solution: Question 7
In laboratory compaction tests, the optimum moisture content of soil decreases
Detailed Solution: Question 8
Detailed Solution: Question 9
The omitting error of a line lies in the South-West quadrant having a length ‘l’ and reduced bearing θ. The latitude ‘L’ and departure ‘D’ are computed by:
Detailed Solution: Question 10
Which of the following is an example of a hypabyssal rock?
Detailed Solution: Question 11
What is the correct sequence of preparing an estimate?
Detailed Solution: Question 12
If the odour intensity or pO value is 4, then what is the interpretation?
Detailed Solution: Question 13
Consider the following statements:
A. Stores and Balcony are included in the calculation of the carpet area.
B. Staircases within the Property unit are included in the carpet area
C. Roof Terrace are excluded from the carpet area.
The correct statements are:
Detailed Solution: Question 14
What is the principle behind the two theodolite methods used to establish a simple circular curve?
Detailed Solution: Question 15
Propped cantilever ABCD is loaded as shown in figure. If it is of uniform cross-section, the collapse load of the beam will be nearly

Detailed Solution: Question 16
The total station is the one which is the combination of:
Detailed Solution: Question 17
Detailed Solution: Question 18
Detailed Solution: Question 19
The hydraulic efficiency of an impulse turbine is maximum, when the ratio of the velocity at wheel to jet velocity is
Detailed Solution: Question 20
Which statements are true for Quartz (a silicate-based mineral)?
I. Its chemical formula is SiO2.
II. Its hardness on the Mohs scale is 7.
III. Insoluble in hydrofluoric acid.
IV. Specific gravity is 2.6 - 2.65.
Detailed Solution: Question 21
Due to each end contraction, the discharge of rectangular sharp-crested weir is reduced by
Detailed Solution: Question 22
Detailed Solution: Question 23
Detailed Solution: Question 24
Detailed Solution: Question 25
Detailed Solution: Question 26
Detailed Solution: Question 27
In Microsoft word, the word document orientation is set ________ by default.
Detailed Solution: Question 28
Detailed Solution: Question 29
Detailed Solution: Question 30