Mechanical Engineering Exam  >  Mechanical Engineering Tests  >  Practice Test: Mechanical Engineering (ME)- 1 - Mechanical Engineering MCQ

Practice Test: Mechanical Engineering (ME)- 1 - Mechanical Engineering MCQ


Test Description

30 Questions MCQ Test - Practice Test: Mechanical Engineering (ME)- 1

Practice Test: Mechanical Engineering (ME)- 1 for Mechanical Engineering 2025 is part of Mechanical Engineering preparation. The Practice Test: Mechanical Engineering (ME)- 1 questions and answers have been prepared according to the Mechanical Engineering exam syllabus.The Practice Test: Mechanical Engineering (ME)- 1 MCQs are made for Mechanical Engineering 2025 Exam. Find important definitions, questions, notes, meanings, examples, exercises, MCQs and online tests for Practice Test: Mechanical Engineering (ME)- 1 below.
Solutions of Practice Test: Mechanical Engineering (ME)- 1 questions in English are available as part of our course for Mechanical Engineering & Practice Test: Mechanical Engineering (ME)- 1 solutions in Hindi for Mechanical Engineering course. Download more important topics, notes, lectures and mock test series for Mechanical Engineering Exam by signing up for free. Attempt Practice Test: Mechanical Engineering (ME)- 1 | 65 questions in 180 minutes | Mock test for Mechanical Engineering preparation | Free important questions MCQ to study for Mechanical Engineering Exam | Download free PDF with solutions
Practice Test: Mechanical Engineering (ME)- 1 - Question 1

A vendor sells his articles at a certain profit percentage. If he sells his articles at 1/4th of his actual selling price then he incurs a loss of 60%. What is his actual profit percentage?

Detailed Solution for Practice Test: Mechanical Engineering (ME)- 1 - Question 1

Let the cost price = 100 Rs.
From the options:
If profit % = 60%
Then SP = 160 Rs.
New SP = 160/4 = 40 Rs.
Then,
Percentage loss= (100-40)/100 = 60%
Hence Verified

Practice Test: Mechanical Engineering (ME)- 1 - Question 2

Direction: Read the following information carefully and answer the questions that follow:
The distribution of car sales of 6 companies has been shown in the pie chart below:

Note: The total number of cars sold is equal to 36000
If the average cost of a Hyundai car is 2 lakh rupees, then how much money is obtained by selling Hyundai cars?

Detailed Solution for Practice Test: Mechanical Engineering (ME)- 1 - Question 2

Total number of cars sold = 36000
Out of these 15% were Hyundai cars.
∴ Number of Hyundai cars sold = 15/100 × 36000
∴ Number of Hyundai cars sold = 5400
Money earned from Hyundai cars = 5400 × 2 = 10800 lakh rupees
Hence the correct option is option (B).

Practice Test: Mechanical Engineering (ME)- 1 - Question 3

Criteria for selecting candidate for internship programme
The candidate:
1) can preferably start the internship between 18th Oct'17 and 17th Nov'17
2) are preferably available for duration of 6 months
3) have computer skills and interest in designing
4) have already graduated or are currently in any year of study
5) knows to deal with customers
Nick is a high school student and wants to do an internship as his summer project. He is a very vibrant boy and goes well with people. Is he the right candidate for the internship?

Detailed Solution for Practice Test: Mechanical Engineering (ME)- 1 - Question 3

He does is looking for summer internships and November is not summer time. Hence, option B is the correct option.

Practice Test: Mechanical Engineering (ME)- 1 - Question 4

Direction: In the given question, one statement with a blank along with four words is given. Two of the given words can fit into the given blank. Five options with various combinations of these words are given. Choose the combination of the words that best fits into the blank.
Comedian Vasu Primlani takes hilarious ______ at the new trend of renaming Indian cities.
a) Jabs
b) Jokes
c) Satires
d) Gags

Detailed Solution for Practice Test: Mechanical Engineering (ME)- 1 - Question 4

The meaning of the words as follows:
a. Jab as a noun refers to a quick, sharp blow, especially with the fist.
b. A joke is a thing that someone says to cause amusement or laughter, especially a story with a funny punchline.
c. Satire is the use of humour, irony, exaggeration, or ridicule to expose and criticize people's stupidity or vices, particularly in the context of contemporary politics and other topical issues.
d. A gag is a joke or an amusing story, especially one forming part of a comedian's act, or in a film.
‘Hilarious satires’ and ‘hilarious jabs’ seems inappropriate and ambiguous. Among all the options, ‘jokes’ and ‘gags’ fit perfectly in the blank. Therefore, option D is the apt answer.

Practice Test: Mechanical Engineering (ME)- 1 - Question 5

Which of the following is MOST OPPOSITE in meaning to Locus?

Detailed Solution for Practice Test: Mechanical Engineering (ME)- 1 - Question 5

Locus (noun) (ठिकाना) - a particular position or place where something occurs or is situated

Practice Test: Mechanical Engineering (ME)- 1 - Question 6

The ratio between the speed of a bus and train is 15 : 27, respectively. Also, a car covered a distance of 720 km in 9 h. the speed of the bus is three- fourth of the speed of the car. How much distance will the train cover on 7 h?

Detailed Solution for Practice Test: Mechanical Engineering (ME)- 1 - Question 6


Distance covered by train in 7 h = 108 × 7 = 756 km

Practice Test: Mechanical Engineering (ME)- 1 - Question 7

The Union Sports Ministry has approved five lakh rupees from the National Welfare Fund for Sportspersons for Kaur Singh who is suffering from heart disease. Kaur Singh is associated with which of the following sports?

Detailed Solution for Practice Test: Mechanical Engineering (ME)- 1 - Question 7

Kaur Singh, former heavyweight Boxer is struggling with the treatment for heart disease and admitted at private hospital in Mohali. Under such circumstances, the Union Sports Ministry has approved five lakh rupees from the National Welfare Fund for Sportspersons for Kaur Singh.

Practice Test: Mechanical Engineering (ME)- 1 - Question 8

Direction: In the following table data is given about a electronic shop. Some data is given and some data is hidden. Study the given data carefully and answer the related questions given below.

Selling price of T.V is what percent of Marked price of laptop ?

Detailed Solution for Practice Test: Mechanical Engineering (ME)- 1 - Question 8

Practice Test: Mechanical Engineering (ME)- 1 - Question 9

In below are given three statements followed by two conclusions numbered I and II. You have to take the given two statements to be true even if they seem to be at variance with commonly known facts and then decide which of the given conclusions logically follows from the statements, disregarding commonly known facts. Give answer

Statements: All pencils are papers.
                     All papers are black.
Conclusions: I. All black things being pencils is a possibility.
                     II. Some papers are not pencils.

Detailed Solution for Practice Test: Mechanical Engineering (ME)- 1 - Question 9

Correct option is A)

For situation and conclusion questions, there are two following strategies to follow:

I. Possibility

= There exists at least a Venn diagram to justify the conclusion without violating the situations.

II. Definite

= There must not exist any Venn Diagram that is following the conclusion.( without violating the situations)

 

In the Venn diagrams, Pencils; Papers; Black.

 

All black things being pencils is a possibility

According to the strategy I, there is a Venn diagram(2) that results in conclusion without violating any of the situations.

So it follows.

 

Some papers are not pencils.

According to strategy II, there must not exist any Venn diagram but there exist Venn diagrams(1, 2) that are not following the conclusion.

So not follow.

 

Only conclusion I follow.

Option A

Practice Test: Mechanical Engineering (ME)- 1 - Question 10

Direction: In the given question, the 1st part of the sentence is given. The rest of the sentence/passage is split into four parts and named A, B, C and D. These four parts are not given in their proper order. Read the sentence and find out which of the four combinations is correct.
1) According to Indian Express, on Sunday, six men reached South Delhi businessman's house in Malviya Nagar in a Tata Safari car bearing the Haryana government’s sticker fixed on the windscreen.
A) One of the guys first took away all the cell phones of the businessman’s family members alleging that they had come on government duty to investigate a tax evasion charge.
B) The plan could have been successfully executed but one of the family members found their behaviour suspicious.
C) When the family member raised an alarm about the same, about 150 people from the same locality gathered outside the trader's house and the con men were beaten up and interrogated before they were handed over to the police.
D) They “searched” the house, moving from room to room, and collected Rs 20 lakh in cash that they kept in their cars.

Detailed Solution for Practice Test: Mechanical Engineering (ME)- 1 - Question 10

The sentence 1 introduced a situation, and the rest of the sentences should be arranged in the order that they happened. Clearly A is the first in sequence as it uses the word 'first' indicating the first step of these six men. The next step is described in D. Now, the twist comes in sentence C as the suspicions rise. People cannot get suspicious of something unless something actually happened. So, we place A first, followed by D and B. This leaves C for the last, which describes the result of those suspicions. Hence, the correct answer is D.

Practice Test: Mechanical Engineering (ME)- 1 - Question 11

For flow of incompressible, viscous flow two configurations are shown. The inlet velocity for the diverging nozzle (Fig (i)) and free-stream velocity for flow past the bluff body (Fig(ii)) is constant and flow is laminar. The relation regarding velocity gradients at point A and B is (. Points A and B are separation points and y is the direction normal to the surface at the point of separation)

Detailed Solution for Practice Test: Mechanical Engineering (ME)- 1 - Question 11

Points A and B are points where flow separation takes place.

*Answer can only contain numeric values
Practice Test: Mechanical Engineering (ME)- 1 - Question 12

A pump is running at a speed of 4800 rpm and delivers 2.5 m3/s of water under a head of 20 m. The power input to a pump (in kW) at a shaft speed of 1600 rpm is (assume, pump efficiency = 85 %)


Detailed Solution for Practice Test: Mechanical Engineering (ME)- 1 - Question 12

Given, η0 = 0.85, Q = 2.5 m3/s, H = 20 m, N1 = 4800 rpm, N2 = 1600 rpm
Power at 4800 rpm,

Practice Test: Mechanical Engineering (ME)- 1 - Question 13

Figure shows a two composite bars AB and BC of equalcross sectional area are firmly attached at B. The outer end A and C are fixed to rigid supports. The coefficient of expansion of bar AB and BC are α1 and α2 and their modulus of elasticity are E1 and E2 respectively. The lengths are l1 and l2 respectively.

The stresses in both the bars due to a fall in temperature by T0C are

Detailed Solution for Practice Test: Mechanical Engineering (ME)- 1 - Question 13

As the temperature falls both the rods will be subjected to tensile stresses and due to equal cross sectional area, these stresses will be equal. Let σ be the stresses induced in both the rods.
Extension of rod AB due to tensile stresses − Free expansion of rod AB
= Free contraction of rod BC − extension of rod BC due to tensile stresses

Practice Test: Mechanical Engineering (ME)- 1 - Question 14

A 3 m diameter riveted boiler sustains an internal pressure of 1 MPa. The allowable safe stress of the material is 80 MPa. Take, diameter of rivet D = 6√t, where, t = plate thickness (in mm). The pitch of the single riveted but joint is (assume efficiency of the riveted joint = 80%)

Detailed Solution for Practice Test: Mechanical Engineering (ME)- 1 - Question 14

Given, d = 3 m, p =1 MPa, η = 0.8
Maximum stress of boiler = hoop stress = 
t = 23.4375 mm
Diameter of rivet, D = 6 √23.4375 = 29.047 mm
Efficiency of the riveted joint,

Where, P =pitch of the rivets for longitudinal joint

Practice Test: Mechanical Engineering (ME)- 1 - Question 15

A metallic ball in shape of sphere is made up of steel (thermal conductivity of 35W/m-K) of diameter 0.38 m . The outside heat transfer coefficient is 15W/m2. It is to be insulated with film of thermal conductivity 3W/m-K. The thickness of insulation should be

Detailed Solution for Practice Test: Mechanical Engineering (ME)- 1 - Question 15


Thickness=0.4-0.19=0.21m

*Answer can only contain numeric values
Practice Test: Mechanical Engineering (ME)- 1 - Question 16

In a heat exchanger water enters at 90℃ and exits at 70℃. Air at entry temperature 25℃ flows at double the mass flow rate of water. The effectiveness of this heat exchanger is______


Detailed Solution for Practice Test: Mechanical Engineering (ME)- 1 - Question 16

Practice Test: Mechanical Engineering (ME)- 1 - Question 17

For a fluid with Prandtl number unity flowing over a flat plate, Reynolds Number is 450000, Nusselt Number is 900. The Surface friction coefficient will be

Detailed Solution for Practice Test: Mechanical Engineering (ME)- 1 - Question 17

As per Reynold’s Analogy

Practice Test: Mechanical Engineering (ME)- 1 - Question 18

The demand for an item during the re-order period is normally distributed with mean = 500 units and standard deviation = 40 units.
Given data: Area between mean line and Z line corresponding to Z is given in table:

If the reserve stock is 66 units then the probability of stock-out of the units in the firm is

Detailed Solution for Practice Test: Mechanical Engineering (ME)- 1 - Question 18

Given, μ = 500 units, σ = 40 units, RS = 66 units, X =500+40 =540 units
The normal distribution curve is shown in figure.

Probability of stock out = 1−Service level

So the area between mean line μ and Z line = 0.45
So, service level = 0.5 + 0.45 = 0.95
Probability of out of stock = 1−0.95 = 0.05

*Answer can only contain numeric values
Practice Test: Mechanical Engineering (ME)- 1 - Question 19

A cylindrical shaft has an ultimate strength (σu) of 900 MPa. The shaft has an endurance strength of of 360 MPa and alternating stress of 500 MPa, a log-log plot is shown in figure below. Calculate the shaft life ____ (In thousand)


Detailed Solution for Practice Test: Mechanical Engineering (ME)- 1 - Question 19



x= 4.78
N = 104.78 = 60256 cycles = 60.2 thousand

Practice Test: Mechanical Engineering (ME)- 1 - Question 20

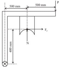
A single shoe block brake is shown in figure, drum diameter is 300 mm and  = 0.3, the breaking torque is 135 N-m, Now which of the following conditions is true?

Detailed Solution for Practice Test: Mechanical Engineering (ME)- 1 - Question 20

Option (C) is correct


Given : T = 135 N-m & T = Fr × 0.15, 135 = Fr × 0.15
Fr = 900 N & Fr = N 900 = 0.3 × N, N = 3000 N
Now, from figure (2)
P × (1) + Fr × 0.4 – 3000 × 0.5 = 0
P = +1140N
Therefore, it is desirable condition of grabbing

Practice Test: Mechanical Engineering (ME)- 1 - Question 21

A Roller bearing has a basic dynamic load rating (C10 for 106 revolution) of 50 kN. If the equivalent radial load on the bearing in 70 kN, the expected life in (106 revolutions) is

Detailed Solution for Practice Test: Mechanical Engineering (ME)- 1 - Question 21

Option (A) is correct
Given : C = 50 kN & P = 70 KN

i.e. 0.325 million revolutions

*Answer can only contain numeric values
Practice Test: Mechanical Engineering (ME)- 1 - Question 22

In a plane milling operation following data has been taken as,
Length of workpiece = 150 mm
Cutter diameter = 100mm
No. of teeth = 5
Cutter speed = 150 rpm
Feed = 200 mm/min
Depth of cut = 3mm
Determine maximum undeformed chip thickness (in microns) ______.


Detailed Solution for Practice Test: Mechanical Engineering (ME)- 1 - Question 22

Practice Test: Mechanical Engineering (ME)- 1 - Question 23

The operation in which liquid is flown into voids by capillary action of a powder metallurgy product is known as

Detailed Solution for Practice Test: Mechanical Engineering (ME)- 1 - Question 23

Infiltration is operation in which liquid is flown into voids by capillary action, thereby decreasing the porosity and improving the strength of component.

Practice Test: Mechanical Engineering (ME)- 1 - Question 24

In a hartnell governor with the range of speed is zero, when the radius of rotation of mass of ball is 40mm the downward spring force is 120N and when the radius of rotation is 60mm the downward spring force is (in N)

Detailed Solution for Practice Test: Mechanical Engineering (ME)- 1 - Question 24

It is the case of isochronisms because the range of speed is constant which means the range of speed is zero (ω1= ω 2= ω)
Neglecting mass of sleeve (Not given) (mr2w2) a = (FS2/2)xb (1)
& (mr1w2) a = (FS1/2)xb (2)
(1) Divide (2) = r2/r1 = FS2/FS1
=> FS2/120 = 60/40 = FS2 = 180N

Practice Test: Mechanical Engineering (ME)- 1 - Question 25

Match the following:-
Column - I
A) Knife edge follower
B) Roller follower
C) Flat face follower
D) Radial follower

Column - II
(i) Wear is absent
(ii) Wear is highly reduced
(iii) Excessive wear
(iv) Line of motion passing from center of rotation

Practice Test: Mechanical Engineering (ME)- 1 - Question 26

An engine operating at 30% efficiency produces work at a rate of 300 kW. The heat exhausted into the surrounding

Detailed Solution for Practice Test: Mechanical Engineering (ME)- 1 - Question 26

Practice Test: Mechanical Engineering (ME)- 1 - Question 27

Air after passing from a heating coil of temperature 45℃ is obtained at 38℃. Calculate inlet air temperature, if the bypass factor of the coil is 0.35.

Detailed Solution for Practice Test: Mechanical Engineering (ME)- 1 - Question 27

Practice Test: Mechanical Engineering (ME)- 1 - Question 28

The value of integral 

Detailed Solution for Practice Test: Mechanical Engineering (ME)- 1 - Question 28

Practice Test: Mechanical Engineering (ME)- 1 - Question 29

There are two containers with one containing 5 red and 4 green ball and other containing 4 blue and 5 green balls. One ball is drawn at random from each container. The probability that one is red and another is blue

Detailed Solution for Practice Test: Mechanical Engineering (ME)- 1 - Question 29

P(one red and other is blue) = P(1st red 2nd blue)
= (5/9)*(4/9)
20/81

Practice Test: Mechanical Engineering (ME)- 1 - Question 30

The Fourier cosine series for an even function g(x) is given as

The value for coefficient a2 for g(x)=sin2x in interval [0,π] is

Detailed Solution for Practice Test: Mechanical Engineering (ME)- 1 - Question 30


Hence, a2=-0.5

View more questions
Information about Practice Test: Mechanical Engineering (ME)- 1 Page
In this test you can find the Exam questions for Practice Test: Mechanical Engineering (ME)- 1 solved & explained in the simplest way possible. Besides giving Questions and answers for Practice Test: Mechanical Engineering (ME)- 1, EduRev gives you an ample number of Online tests for practice
Download as PDF