Electronics and Communication Engineering (ECE) Exam  >  Electronics and Communication Engineering (ECE) Tests  >  Test: Subtractors - Electronics and Communication Engineering (ECE) MCQ

Test: Subtractors - Electronics and Communication Engineering (ECE) MCQ


Test Description

10 Questions MCQ Test - Test: Subtractors

Test: Subtractors for Electronics and Communication Engineering (ECE) 2025 is part of Electronics and Communication Engineering (ECE) preparation. The Test: Subtractors questions and answers have been prepared according to the Electronics and Communication Engineering (ECE) exam syllabus.The Test: Subtractors MCQs are made for Electronics and Communication Engineering (ECE) 2025 Exam. Find important definitions, questions, notes, meanings, examples, exercises, MCQs and online tests for Test: Subtractors below.
Solutions of Test: Subtractors questions in English are available as part of our course for Electronics and Communication Engineering (ECE) & Test: Subtractors solutions in Hindi for Electronics and Communication Engineering (ECE) course. Download more important topics, notes, lectures and mock test series for Electronics and Communication Engineering (ECE) Exam by signing up for free. Attempt Test: Subtractors | 10 questions in 30 minutes | Mock test for Electronics and Communication Engineering (ECE) preparation | Free important questions MCQ to study for Electronics and Communication Engineering (ECE) Exam | Download free PDF with solutions
Test: Subtractors - Question 1

A full binary subtractor has _______ input lines and _______ output lines

Detailed Solution for Test: Subtractors - Question 1

A full subtractor is a combinational circuit that performs subtraction of two bits, one is minuend and other is subtrahend, taking into account borrow of the previous adjacent lower minuend bit. This circuit has three inputs and two outputs. The three inputs are minuend, subtrahend, and previous borrow. The two outputs represent the difference and output borrow.

Test: Subtractors - Question 2

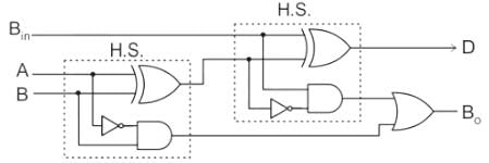
A binary full-subtractor:

Detailed Solution for Test: Subtractors - Question 2

A binary full-subtractor contains two half-subtractors and one OR gate.

Truth table for the full- subtractor is

Difference(D) = A̅ B̅ Bin + A̅ B B̅in + AB̅ B̅in + ABBin

D = Bin ⊕ (A ⊕ B)

Borrow(B) = A̅ B̅ Bin + A̅ B B̅in + A̅ B Bin + ABBin

B = (A̅ B̅ + AB)Bin + A̅ B

B = (A̅ ⊕ B)Bin + A̅ B

Test: Subtractors - Question 3

In a half-subtractor circuit with X and Y as inputs, the Borrow (M) and Difference (N = X - Y) are given by

Detailed Solution for Test: Subtractors - Question 3

The Truth Table for a half subtractor is drawn as:

The Boolean expression for difference can be written as:

N = X̅ Y + XY̅

N = X ⊕ Y

And the Boolean expression for the borrow can be written as:

M = X̅ Y

Test: Subtractors - Question 4

Consider the following circuit diagram

A 4-bit subtractor, four 4-bit three-state buffers (with bus input and output), and one inverter is used to subtract two numbers (Y - X),  X = 0101 and Y = 0010

If A = 0, then D and Bout are respectively

Detailed Solution for Test: Subtractors - Question 4

Concept:

The truth table for a tristate buffer is as shown:


Observation:

If the “Enable” input signal is 1, the input is simply passed to the output.

If the “Enable” input signal is 0, the tristate buffer passes a high impedance signal that disconnects its output from the circuit.

Application:

When A = 0, Buffer 1 and Buffer 3 are enabled, and buffer 2 and 4 are disabled.

The input to the 4-bit subtractor will be Y and X respectively, such that the output is:

D = Y – X = 0010 – 0101

= 1101 with a borrow of 1, i.e. Bout = 1

Test: Subtractors - Question 5

The circuit shown in the given figure represents a/an:

Detailed Solution for Test: Subtractors - Question 5

In given question

Y0 to y7 are minterms

Test: Subtractors - Question 6

What is the circuit?

Detailed Solution for Test: Subtractors - Question 6

Concept:

A half subtractor is a combinational circuit that is used to perform the subtraction of two single-bit words.

It subtracts two single-bits A & B and produces difference d & borrow b. 

The equation for half subtractor is :

d = A'B+AB' or A ⊕ B

b = A'B

Truth Table for half subtractor:

From the above circuit we get,

F = A⊕ B and G = A¯B

F implements the Difference and G implements the barrow. So the given circuit acts like a Half Subtractor 

Test: Subtractors - Question 7

For subtracting 1 from 0, we use to take a _______ from neighbouring bits.

Detailed Solution for Test: Subtractors - Question 7

For subtracting 1 from 0, we use to take a borrow from neighbouring bits because carry is taken into consideration during addition process.

Test: Subtractors - Question 8

What does minuend and subtrahend denotes in a subtractor?

Detailed Solution for Test: Subtractors - Question 8

Minuend and subtrahend are the two bits of input of a subtractor. If A and B are the two inputs of a subtractor then A is called minuend and B as subtrahend.

Test: Subtractors - Question 9

The output of a full subtractor is same as ____________

Detailed Solution for Test: Subtractors - Question 9

The sum and difference output of a full adder and a full subtractor are same. If A, B and C are the input of a full adder and a full subtractor then the output will be given by (A XOR B XOR C), respectively.

Test: Subtractors - Question 10

The full subtractor can be implemented using ___________

Detailed Solution for Test: Subtractors - Question 10

A full subtractor has 3 input bits and two outputs bits BORROW and DIFFERENCE. The full subtractor can be implemented using two half subtractors and an OR gate.

Information about Test: Subtractors Page
In this test you can find the Exam questions for Test: Subtractors solved & explained in the simplest way possible. Besides giving Questions and answers for Test: Subtractors, EduRev gives you an ample number of Online tests for practice
Download as PDF