Civil Engineering (CE) Exam  >  Civil Engineering (CE) Notes  >  Design of Irrigation Canals (Part - 2)

Design of Irrigation Canals (Part - 2) - Civil Engineering (CE) PDF Download

Typical sections of lined channels

Though there may be a large number of combinations of the factors on which the cross-section of a lined canal depends, some typical examples are given in the following figures, which may give an idea of laying and a practical channel cross section.

Design of Irrigation Canals (Part - 2) - Civil Engineering (CE)

                                               All dimensions in millimetres

FIGURE 5 (a). Typical cross section of canal when natural ground level is below bed level

Design of Irrigation Canals (Part - 2) - Civil Engineering (CE)

                                           All dimensions in millimetres.

FIGURE 5 (b). Typical cross section of canal when natural ground level is between canal bed and full supply levels

Design of Irrigation Canals (Part - 2) - Civil Engineering (CE)

                     All dimensions in millimetres.

FIGURE 5 (c). Typical cross section of canal when natural ground level is above the top level of lining

Design of Irrigation Canals (Part - 2) - Civil Engineering (CE)

Design of Irrigation Canals (Part - 2) - Civil Engineering (CE)

 All dimensions in millimetres.

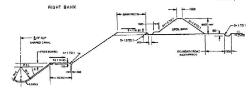
FIGURE 5(d) Typical cross sections of canals when canal bed level is above natural ground level

Design of Irrigation Canals (Part - 2) - Civil Engineering (CE)

Design of Irrigation Canals (Part - 2) - Civil Engineering (CE)

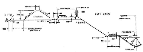
FIGURE 5 (e). Typical cross sections of canals when natural ground level is between canal bed and full supply levels

Design of Irrigation Canals (Part - 2) - Civil Engineering (CE)

Design of Irrigation Canals (Part - 2) - Civil Engineering (CE)

FIGURE 5 (f). Typical cross sections of canals when natural ground level is above top of canal lining

The Bureau of Indian Standard code IS: 10430-1982 “Criteria for design of lined canals and guidelines for selection of type of lining” (Reaffirmed in 1991) may generally be used, in addition to special codes like IS: 9451-1985 “Guidelines for lining of canals in expansive soils (first revision)” (Reaffirmed in 1991), which may be used under particular circumstances. 

Subsurface drainage of lined canals

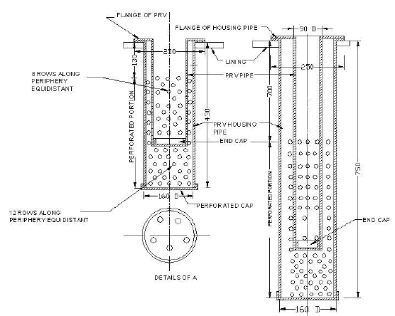
Lined canals passing through excavations may face a situation when the canal is dry and the surrounding soil is saturated, like when the ground table is very near the surface. Similar situation may occur for lined canals in filling when the confining banks become saturated, as during rains and the canal is empty under the circumstances of repair of lining or general closure of canal. The hydrostatic pressure built up behind the linings, unless released, causes heaving of the lining material, unless it is porous enough to release the pressure on its own. Hence, for most of the linings (except for the porous types like the boulder or various types of earth linings which develop inherent cracks), there is a need to provide a mechanism to release the back pressure of the water in the subgrade. This may be done by providing pressure relief valves, as shown in Figure 6. 

Design of Irrigation Canals (Part - 2) - Civil Engineering (CE)

FIGURE 6a. Details of a Pressure Relief Valve (PRV)

Design of Irrigation Canals (Part - 2) - Civil Engineering (CE)

FIGURE 6b. Possible locations of PRVs

The document Design of Irrigation Canals (Part - 2) - Civil Engineering (CE) is a part of Civil Engineering (CE) category.
All you need of Civil Engineering (CE) at this link: Civil Engineering (CE)

FAQs on Design of Irrigation Canals (Part - 2) - Civil Engineering (CE)

1. What are the factors to consider in the design of irrigation canals?
Ans. The design of irrigation canals takes into account several factors including the topography of the area, water availability, soil type, crop water requirements, and the desired irrigation method. These factors influence the canal alignment, width, depth, slope, and overall layout to ensure efficient water distribution to the fields.
2. How can the slope of irrigation canals be determined?
Ans. The slope of irrigation canals can be determined by considering the desired velocity of water flow and the topography of the area. A steeper slope will result in a faster flow, while a gentler slope will slow down the flow. The slope can be calculated using the Manning's equation, which relates the slope, roughness coefficient, hydraulic radius, and flow velocity.
3. What is the significance of cross-sectional shape in the design of irrigation canals?
Ans. The cross-sectional shape of irrigation canals is crucial for their hydraulic performance. It affects the flow velocity, energy losses, sediment deposition, and overall efficiency of water conveyance. The most common shapes used are trapezoidal and rectangular, as they provide a good balance between flow capacity and construction cost.
4. How is the flow velocity controlled in irrigation canals?
Ans. The flow velocity in irrigation canals is controlled through the design of their dimensions, particularly the width, depth, and slope. By adjusting these parameters, the canal's hydraulic characteristics can be optimized to achieve the desired flow velocity. Additionally, structures such as weirs, gates, and drop structures can be incorporated to regulate the flow and control velocity.
5. What measures are taken to minimize water losses in irrigation canals?
Ans. Several measures are taken to minimize water losses in irrigation canals. These include lining the canal with impermeable materials, such as concrete or plastic, to prevent seepage. Proper maintenance and repair of the canal banks and structures are also essential to prevent leaks. Additionally, the use of water-saving irrigation techniques, such as drip irrigation, can further reduce water losses by delivering water directly to the roots of plants.
Download as PDF

Top Courses for Civil Engineering (CE)

Related Searches

past year papers

,

practice quizzes

,

ppt

,

video lectures

,

shortcuts and tricks

,

Exam

,

Important questions

,

Previous Year Questions with Solutions

,

Objective type Questions

,

pdf

,

Summary

,

Design of Irrigation Canals (Part - 2) - Civil Engineering (CE)

,

Sample Paper

,

Design of Irrigation Canals (Part - 2) - Civil Engineering (CE)

,

Viva Questions

,

Design of Irrigation Canals (Part - 2) - Civil Engineering (CE)

,

Free

,

MCQs

,

Semester Notes

,

mock tests for examination

,

study material

,

Extra Questions

;