Electrical Engineering (EE) Exam  >  Electrical Engineering (EE) Notes  >  Static Random Access Memory (SRAM)

Static Random Access Memory (SRAM) - Electrical Engineering (EE) PDF Download

Objectives

In this lecture you will learn the following

  • SRAM Basics
  • CMOS SRAM Cell
  • CMOS SRAM Cell Design
  • READ Operation
  • WRITE Operation

 

28.1 SRAM Basics

The memory circuit is said to be static if the stored data can be retained indefinitely, as long as the power supply is on, without any need for periodic refresh operation. The data storage cell, i.e., the one-bit memory cell in the static RAM arrays, invariably consists of a simple latch circuit with two stable operating points. Depending on the preserved state of the two inverter latch circuit, the data being held in the memory cell will be interpreted either as logic '0' or as logic '1'. To access the data contained in the memory cell via a bit line, we need atleast one switch, which is controlled by the corresponding word line as shown in Figure 28.11.

Static Random Access Memory (SRAM) - Electrical Engineering (EE)

Fig 28.11: SRAM Cell


28.2 CMOS SRAM Cell

A low power SRAM cell may be designed by using cross-coupled CMOS inverters. The most important advantage of this circuit topology is that the static power dissipation is very small; essentially, it is limited by small leakage current. Other advantages of this design are high noise immunity due to larger noise margins, and the ability to operate at lower power supply voltage. The major disadvantage of this topology is larger cell size. The circuit structure of the full CMOS static RAM cell is shown in Figure 28.12. The memory cell consists of simple CMOS inverters connected back to back, and two access transistors. The access transistors are turned on whenever a word line is activated for read or write operation, connecting the cell to the complementary bit line columns.

Static Random Access Memory (SRAM) - Electrical Engineering (EE)

Fig 28.21: Full CMOS SRAM cell

 

28.3 CMOS SRAM Cell Design

To detemine W/L ratios of the transistors, a number of design criteria must be taken into consideration. The two basic requirements, which dictate W/L ratios, are that the data read operation should not destroy the stored information in the cell. The cell should allow stored information modification during write operation. In order to consider operations of SRAM, we have to take into account, the relatively large parasitic column capacitance Static Random Access Memory (SRAM) - Electrical Engineering (EE) and column pull-up transistors as shown in Figure 28.31.

Static Random Access Memory (SRAM) - Electrical Engineering (EE)

Fig 28.31: CMOS SRAM cell with precharge transistors

When none of the word lines is selected, the pass transistors M3 and M4 are turned off and the data is retained in all memory cells. The column capacitances are charged by the pull-up transistors P1 and P2. The voltages across the column capacitors reach Static Random Access Memory (SRAM) - Electrical Engineering (EE)

 

28.4 READ Operation

Consider a data read operation, shown in Figure 28.41, assuming that logic '0' is stored in the cell. The transistors M2 and M5 are turned off, while the transistors M1 and M6 operate in linear mode. Thus internal node voltages are Static Random Access Memory (SRAM) - Electrical Engineering (EE) and Static Random Access Memory (SRAM) - Electrical Engineering (EE) before the cell access transistors are turned on. The active transistors at the beginning of data read operation are shown in Figure 28.41.

Static Random Access Memory (SRAM) - Electrical Engineering (EE)

Fig 28.41: Read Operation

After the pass transistors M3 and M4 are turned on by the row selection circuitry, the voltage of CBb will not change any significant variation since no current flows through M4. On the other hand M1 and M3 will conduct a nonzero current and the voltage level of Cwill begin to drop slightly. The node voltage V1 will increase from its initial value of '0'V. The node voltage V1 may exceedthe threshold voltage of M2 during this process, forcing an unintended change of the stored state. 

Therefore voltage V1 must not exceed the threshold voltage of M2, so the transistor M2 remains turned off during read phase, i.e., Static Random Access Memory (SRAM) - Electrical Engineering (EE)   (Eq 28.1)   

The transistor M3 is in saturation whereas M1 is linear, equating the current equations we get

Static Random Access Memory (SRAM) - Electrical Engineering (EE)

substituting Eq 28.1 in Eq 28.2 we get

Static Random Access Memory (SRAM) - Electrical Engineering (EE)      (Eq 28.3)

 

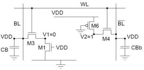
28.5 WRITE Operation

Consider the write '0' operation assuming that logic '1' is stored in the SRAM cell initially. Figure 28.51 shows the voltage levels in the CMOS SRAM cell at the beginning of the data write operation. The transistors M1 and M6 are turned off, while M2 and M5 are operating in the linear mode. Thus the internal node voltage V1  = VDD and  v2 = 0before the access transistors are turned on. The column voltage Vb is forced to '0' by the write circuitry. Once M3 and M4 are turned on, we expect the nodel voltage vto remain below the threshold voltage of M1, since M2 and M4 are designed according to Eq. 28.1.

Static Random Access Memory (SRAM) - Electrical Engineering (EE)

Fig 28.51: SRAM start of write '0'

The voltage at node 2 would not be sufficient to turn on M1. To change the stored information, i.e., to force V1 = 0 and V1  = VDD, the node voltage V1 must be reduced below the threshold voltage of M2, so that M2 turns off. When Static Random Access Memory (SRAM) - Electrical Engineering (EE) the transistor M3 operates in linear region while M5 operates in saturation region. Equating their current equations we get

Static Random Access Memory (SRAM) - Electrical Engineering (EE)

Rearranging the condition of Vin the result we get

Static Random Access Memory (SRAM) - Electrical Engineering (EE)

 

28.6 WRITE Circuit

The principle of write circuit is to assert voltage of one of the columns to a low level. This can be achieved by connecting either BIT or Static Random Access Memory (SRAM) - Electrical Engineering (EE) to ground through transistor M3 and either of M2 or M1. The transistor M3 is driven by the column decoder selecting the specified column. The transistor M1 is on only in the presence of the write enable signal Static Random Access Memory (SRAM) - Electrical Engineering (EE)and when the data bit to be written is '0'. The transistor M2 is on only in the presence of the write signal Static Random Access Memory (SRAM) - Electrical Engineering (EE)and when the data bit to be written is '1'. The circuit for write operation is shown in Figure 28.61

Static Random Access Memory (SRAM) - Electrical Engineering (EE)

Fig 28.61: Circuit for write operation

The document Static Random Access Memory (SRAM) - Electrical Engineering (EE) is a part of Electrical Engineering (EE) category.
All you need of Electrical Engineering (EE) at this link: Electrical Engineering (EE)

FAQs on Static Random Access Memory (SRAM) - Electrical Engineering (EE)

1. What is SRAM and how does it differ from other types of memory?
Ans. SRAM stands for Static Random Access Memory. It is a type of computer memory that stores data using a flip-flop circuitry, which makes it faster and more reliable than other types of memory like Dynamic Random Access Memory (DRAM). Unlike DRAM, SRAM does not require constant refreshing of data and can retain its contents as long as power is supplied.
2. How is SRAM used in modern electronic devices?
Ans. SRAM is commonly used as a cache memory in modern electronic devices, such as computers and smartphones. It provides fast access to frequently used data, reducing the time it takes for the processor to retrieve information from the main memory. Additionally, SRAM is used in networking devices, graphics cards, and other applications where high-speed data storage and retrieval are crucial.
3. What are the advantages of SRAM over other types of memory?
Ans. SRAM offers several advantages over other types of memory. Firstly, it provides faster access times, allowing for quicker data retrieval. Secondly, SRAM does not require constant refreshing, which improves its overall efficiency. Moreover, SRAM consumes less power than DRAM, making it suitable for battery-powered devices. Lastly, SRAM is more resistant to electromagnetic interference, ensuring data integrity in noisy environments.
4. Can SRAM be used as the main memory in a computer system?
Ans. Although SRAM offers fast access times and reliability, it is not commonly used as the main memory in computer systems due to its high cost and lower density compared to DRAM. SRAM's higher cost per bit and larger physical size make it impractical for storing large amounts of data. However, it is often used as a cache memory to improve system performance.
5. What are the limitations of SRAM?
Ans. SRAM has a few limitations. Firstly, it is more expensive to manufacture compared to DRAM, which limits its use in high-capacity memory applications. Secondly, SRAM requires more power to operate, making it less energy-efficient than other types of memory. Additionally, SRAM has a lower storage density, meaning it can store fewer bits of data per unit area compared to DRAM. These limitations make it less suitable for certain memory-intensive applications.
Download as PDF

Top Courses for Electrical Engineering (EE)

Related Searches

Objective type Questions

,

practice quizzes

,

Exam

,

Extra Questions

,

past year papers

,

Static Random Access Memory (SRAM) - Electrical Engineering (EE)

,

ppt

,

Viva Questions

,

Semester Notes

,

study material

,

MCQs

,

Previous Year Questions with Solutions

,

shortcuts and tricks

,

Static Random Access Memory (SRAM) - Electrical Engineering (EE)

,

Summary

,

Sample Paper

,

mock tests for examination

,

video lectures

,

pdf

,

Static Random Access Memory (SRAM) - Electrical Engineering (EE)

,

Free

,

Important questions

;