Magnetic Circuits | Basic Electrical Technology - Electrical Engineering (EE) PDF Download

Introduction  

Before really starting, let us look at some magnetic circuits shown in the following figures. 

Magnetic Circuits | Basic Electrical Technology - Electrical Engineering (EE) Magnetic Circuits | Basic Electrical Technology - Electrical Engineering (EE) Magnetic Circuits | Basic Electrical Technology - Electrical Engineering (EE)

All of them have a magnetic material of regular geometric shape called core. A coil having a number of turns (= N) of conducting material (say copper) are wound over the core. This coil is called the exciting coil. When no current flows through the coil, we don’t expect any magnetic field or lines of forces to be present inside the core. However in presence of current in the coil, magnetic flux φ will be produced within the core. The strength of the flux, it will be shown, depends on the product of number of turns (N) of the coil and the current (i) it carries. The quantity Ni called mmf (magnetomotive force) can be thought as the cause in order to produce an effect in the form of flux φ within the core. Is it not somewhat similar to an electrical circuit problem where a voltage (emf) is applied (cause) and a current is produced (effect) in the circuit? Hence the term magnetic circuit is used in relation to producing flux in the core by applying mmf (= Ni). We shall see more similarities between an electrical circuit and a magnetic circuit in due course as we go along further. At this point you may just note that a magnetic circuit may be as simple as shown in figure 21.1 with a single core and a single coil or as complex as having different core materials, air gap and multiple exciting coils as in figure 21.2. After going through this lesson you will be able to do the following.

  1. to distinguish between a linear and non linear magnetic circuit.
  2. to draw the equivalent electrical circuit for a given magnetic circuit problem.
  3. to calculate mean lengths of various flux paths.
  4. to calculate the reluctances of the various flux paths for linear magnetic circuit problem.
  5. to understand the importance of B-H characteristics of different materials.
  6. how to deal with a non linear magnetic circuit problem using B-H characteristic of the materials.

Different laws for calculating magnetic field

Biot-Savart law

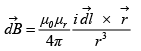
We know that any current carrying conductor produces a magnetic field. A magnetic field ℜ is characterized either by  Magnetic Circuits | Basic Electrical Technology - Electrical Engineering (EE) the magnetic field intensity or by  Magnetic Circuits | Basic Electrical Technology - Electrical Engineering (EE) the magnetic flux density vector. These two vectors are connected by a rather simple relation: Magnetic Circuits | Basic Electrical Technology - Electrical Engineering (EE)0 μr Magnetic Circuits | Basic Electrical Technology - Electrical Engineering (EE)μ = 4π×10-7H /m is called the absolute permeability of free space and μr , a dimensionless quantity called the relative permeability of a medium (or a material). For example the value of μr is 1 for free space or could be several thousands in case of ferromagnetic materials. 

 Biot-Savart law is of fundamental in nature and tells us how to calculate dB  or Magnetic Circuits | Basic Electrical Technology - Electrical Engineering (EE)  at a given point with position vector r , due to an elemental current  Magnetic Circuits | Basic Electrical Technology - Electrical Engineering (EE)  and is given by:

                                                                             Magnetic Circuits | Basic Electrical Technology - Electrical Engineering (EE)

If the shape and dimensions of the conductor carrying current is known then field at given point can be calculated by integrating the RHS of the above equation. 

                                                                           Magnetic Circuits | Basic Electrical Technology - Electrical Engineering (EE)

where, length indicates that the integration is to be carried out over the length of the conductor. However, it is often not easy to evaluate the integral for calculating field at any point due to any arbitrary shaped conductor. One gets a nice closed form solution for few cases such as:

  1. Straight conductor carries current and to calculate field at a distance d from the conductor.
  2. Circular coil carries current and to calculate field at a point situated on the axis of the coil. 

Ampere’s circuital law

This law states that line integral of the vector  Magnetic Circuits | Basic Electrical Technology - Electrical Engineering (EE)along any arbitrary closed path is equal to the current enclosed by the path. Mathematically: 

Magnetic Circuits | Basic Electrical Technology - Electrical Engineering (EE)

For certain problems particularly in magnetic circuit problems Ampere’s circuital law is used to calculate field instead of the more fundamental Biot Savart law for reasons going to be explained below. Consider an infinite straight conductor carrying current i and we want to calculate field at a point situated at a distance d from the conductor. Now take the closed path to be a circle of radius d. At any point on the circle the magnitude of field strength will be constant and direction of the field will be tangential. Thus LHS of the above equation simply becomes H × 2π d. So field strength is 

                                                                       Magnetic Circuits | Basic Electrical Technology - Electrical Engineering (EE)

It should be noted that in arriving at the final result no integration is required and it is obtained rather quickly. However, one has to choose a suitable path looking at the distribution of the current and arguing that the magnitude of the field remains constant through out the path before applying this law with advantage. 

Application of Ampere’s circuital law in magnetic circuit  

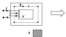
Ampere’s circuital law is quite handy in determining field strength within a core of a magnetic material. Due to application of mmf, the tiny dipole magnets of the core are aligned one after the other in a somewhat disciplined manner. The contour of the lines of force resembles the shape the material. The situation is somewhat similar to flow of water through an arbitrary shaped pipe. Flow path is constrained to be the shape of the bent pipe. For an example, look at the sectional view (figure 21.4 & 21.5) of a toroidal magnetic circuit with N number of turns wound uniformly as shown below. When the coil carries a current i, magnetic lines of forces will be created and they will be confined within the core as the permeability of the core is many (order of thousands) times more than air.

Take the chosen path to be a circle of radius r. Note that the value of H will remain same at any point on this path and directions will be always tangential to the path. Hence by applying Ampere’s circuital law to the path we get the value of H to be  Magnetic Circuits | Basic Electrical Technology - Electrical Engineering (EE) If r is increased from a to be b the value of H decreases with r. a and b are respectively the inner and outer radius of the toroidal core.

Magnetic Circuits | Basic Electrical Technology - Electrical Engineering (EE) Magnetic Circuits | Basic Electrical Technology - Electrical Engineering (EE)

Assumptions

1. Leakage flux & Fringing effect  Strictly speaking all the flux produced by the mmf will not be confined to the core. There will be some flux lines which will complete their paths largely through the air as depicted in figure 21.6. Since the reluctance (discussed in the following section) or air is much higher compared to the reluctance offered by the core, the leakage flux produced is rather small. In our discussion here, we shall neglect leakage flux and assume all the flux produced will be confined to the core only.  

Magnetic Circuits | Basic Electrical Technology - Electrical Engineering (EE)

Figure 21.6: 

In the magnetic circuit of figure 21.6 an air gap is present. For an exciting current, the flux lines produced are shown. These flux lines cross the air gap from the top surface of the core to the bottom surface of the core. So the upper surface behaves like a north pole and the bottom surface like a south pole. Thus all the flux lines will not be vertical and confined to the core face area alone. Some lines of force in fact will reach the bottom surface via bulged out curved paths outside the face area of the core. These flux which follow these curved paths are called fringing flux and the phenomenon is called fringing effect. Obviously the effect of fringing will be smaller if the air gap is quite small. Effect of fringing will be appreciable if the air gap length is more. In short the effect of fringing is to make flux density in the air gap a bit less than in the core as in the air same amount of flux is spread over an area which is greater than the core sectional area. Unless otherwise specified, we shall neglect the fringing effect in our following discussion. Effect of fringing sometimes taken into account by considering the effective area in air to be about 10 to 12% higher than the core area.  

2. In the practical magnetic circuit (as in figure 21.5), the thickness (over which the lines of forces are spread = b-a) are much smaller compared to the overall dimensions (a or b) of the core. Under this condition we shall not make great mistake if we calculate H at  Magnetic Circuits | Basic Electrical Technology - Electrical Engineering (EE) and take this to be H every where within the core. The length of the flux path corresponding to the mean radius i.e., lm= 2πrm is called the mean length. This assumption allows us to calculate the total flux φ produced within the core rather easily as enumerated below: 

  • Calculate the mean length lm of the flux path from the given geometry of the magnetic circuit.
  • Apply Ampere’s circuital law to calculate  Magnetic Circuits | Basic Electrical Technology - Electrical Engineering (EE)
  • Note, this H may be assumed to be same every where in the core. 
  • Calculate the magnitude of the flux density B from the relation B = μoμrH. 
  • Total flux within the core is φ = BA, where A is the cross sectional area of the core. 

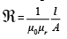
Reluctance & permeance   

Let us now try to derive a relationship between flux produced φ and mmf Ni applied for linear case. 

Magnetic Circuits | Basic Electrical Technology - Electrical Engineering (EE)

Now defining Ni = mmf and  Magnetic Circuits | Basic Electrical Technology - Electrical Engineering (EE) the above equation can be written in the following handy form

Magnetic Circuits | Basic Electrical Technology - Electrical Engineering (EE)

This equation resembles the familiar current voltage relationship of an electric circuit which is produced below for immediate comparison between the two:

Magnetic Circuits | Basic Electrical Technology - Electrical Engineering (EE)

The expression in the denominator is called resistance which impedes the flow of the current.  Magnetic Circuits | Basic Electrical Technology - Electrical Engineering (EE) is known as reluctance of the magnetic circuit and permeance (similar to admittance in electric circuit) is defined as the reciprocal of reluctance i.e., Magnetic Circuits | Basic Electrical Technology - Electrical Engineering (EE)

B-H Characteristics  A magnetic material is identified and characterized by its B – H characteristic. In free space or in air the relationship between the two is linear and the constant of proportionality is the permeability μ0. If B is plotted against H, it will be straight a line. However, for most of the materials the relationship is not linear and is as shown in figure 21.7. A brief outline for experimental determination of B-H characteristic of a given material is given now. First of all a sample magnetic circuit (with the given material) is fabricated with known dimensions and number of turns. Make a circuit arrangement such as shown in Figure 21.8, to increase the current from 0 to some safe maximum value. Apart from ammeter reading one should record the amount of flux produced in the core by using a flux meter-let us not bother how this meter works! 

                   Number of turns    = N

Mean length of the flux path    =    l in m.

           Cross sectional area    =    a in m2

     Reading of the ammeter    = I in A

       Reading of the flux meter =    φ in Wb

Now corresponding to this current, calculate  Magnetic Circuits | Basic Electrical Technology - Electrical Engineering (EE) and  Magnetic Circuits | Basic Electrical Technology - Electrical Engineering (EE) and tabulate them. Thus we have several pair of H & B values for different values of currents. Now by choosing H to be the x axis B to be the y axis and plotting the above values one gets a typical B-H curve as shown in Figure 21.7 below. 

Magnetic Circuits | Basic Electrical Technology - Electrical Engineering (EE) Magnetic Circuits | Basic Electrical Technology - Electrical Engineering (EE)

 Different zones of B-H characteristic  

The initial portion of the B-H curve is nearly a straight line and called linear zone. After this zone the curve gradually starts deviating from a straight line and enters into the nonlinear zone. The slope of the curve  Magnetic Circuits | Basic Electrical Technology - Electrical Engineering (EE)  starts gradually decreasing after the linear zone. A time comes whenthere is practically no increase in B in spite of the fact that H is further increased. The material is then said to be saturated. The rise in the value of B in the linear zone is much more than in the nonlinear or saturation zone for same ΔH. this can be ascertained from the B-H curve by noting ΔB1 > ΔB2 for same ΔH. 

For this lesson, a brief qualitative explanation for the typical nature of the B-H curve is given. In a ferromagnetic material, very large number of tiny magnets (magnetic dipoles) are present at the atomic/molecular level. The material however does not show any net magnetic property at macroscopic level due to random distribution of the dipoles and eventual cancellation of their effects. In presence of an external field Magnetic Circuits | Basic Electrical Technology - Electrical Engineering (EE) , these dipoles start aligning themselves along the direction of the applied field. Thus the more and more dipoles get aligned (resulting into more B) as the H i.e., current in the exciting coil is increased. At the initial phase, increase in B is practically proportional to H. However rate of this alignment gets reduced after a definite value of H as number of randomly distributed dipoles decreases. This is reflected in the nonlinear zone of the figure 21.7. Obviously if we further increase H, a time will come when almost all the dipoles will get aligned. Under such circumstances we should not expect any rise in B even if H is increased and the core is said to be saturated. At the saturation zone, the characteristic becomes almost parallel to the H axis.

Different materials will have different B-H curves and if the characteristics are plotted on same graph paper, one can readily decides which of them is better than the other. Referring to Figure 21.9, one can easily conclude that material-3 is better over the other two as flux produced in material-3 is the highest for same applied field H.  

From the above discussion it can be said that there is no point in operating a magnetic circuit deep into saturation zone as because large exciting current will put extra overhead on the source supplying power to the coil. Also any desire to increase B by even a small amount in this zone will call for large increase in the value of the current. In case of transformers and rotating machines operating point is chosen close to the knee point of the B-H characteristic in order to use the magnetic material to its true potential. To design a constant value of inductance, the operating point should be chosen in the linear zone.

Approach to solve a magnetic circuit problem will be different for linear and nonlinearcases. In the following section let us discuss those approaches followed by equivalent electrical circuit representation of the magnetic circuits. It is instructive to draw always the equivalent representation of a magnetic circuit for the following reasons: 

Magnetic Circuits | Basic Electrical Technology - Electrical Engineering (EE)

  1. It will help us to visualize the problem in terms of more familiar series and seriesparallel d.c circuits.
  2. We can apply with ease KFL (Kirchoff’s flux law) at the junctions in the same manner as we apply KCL in circuit analysis.
  3. Similar to KVL equations, we can apply mmf balance equations in different closed paths of the magnetic circuit.
  4. Above all, with this circuit before hand, one can decide upon the strategy of solving the problem. 

Analysis of Series magnetic circuit 

Consider first a simple magnetic circuit, shown in Figure 21.10 with a single core material having uniform cross sectional area A and mean length of flux path l. Reluctance offered to the flow of flux is ℜ . The corresponding electrical representation is rather simple. Due to the fact that NI = φℜ = Hl, the equivalent electrical circuit is also drawn beside the magnetic circuit. Polarity of mmf is decided on the basis of the direction of the flux which is clockwise inside the core in this case. Although in the actual magnetic circuit there is no physical connection of the winding and the core, in the electrical circuit representation mmf and reluctance are shown to be connected. One should not feel disturbed by this as because the relationship between mmf and flux prompted us to draw an electrical equivalent to facilitate easier calculation and neat visualization of the actual problem. 

Magnetic Circuits | Basic Electrical Technology - Electrical Engineering (EE) Magnetic Circuits | Basic Electrical Technology - Electrical Engineering (EE)

Figure 21.10: 

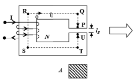
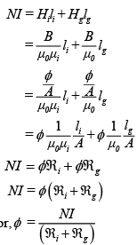
Let us now consider another magnetic circuit which is similar to the earlier one but has a small air gap of length lg as shown in Figure 21.11 and note that it is a series circuit involving two mediums, namely (i) iron and (ii) air. It is a series circuit because same flux (φ) has to flow through the mediums. Hence total reluctance will be the sum of reluctances of iron and air (ℜ= ℜ i + ℜair) . 

For this circuit basic equations can be developed as follows:

Let,

Number of turns = N

Exciting current i = I in A

Mean length of the flux path through iron = li in m

Length of the flux path through air = lg in m

Cross sectional area = A in m2      

Magnetic Circuits | Basic Electrical Technology - Electrical Engineering (EE) Magnetic Circuits | Basic Electrical Technology - Electrical Engineering (EE)

If the cross sectional area A is constant throughout, flux density B= φ/A will be also constant both in iron and air path. Since value of permeabilities are different for iron and air, the corresponding values of H too will be different   

H require d for iro n,  Magnetic Circuits | Basic Electrical Technology - Electrical Engineering (EE)

H require d for air, Magnetic Circuits | Basic Electrical Technology - Electrical Engineering (EE)

∵ Ampere circuital law gives 

                                              Magnetic Circuits | Basic Electrical Technology - Electrical Engineering (EE)

So as expected these two reluctances are connected in series. In fact, for series magnetic circuit having different reluctance segments, total reluctance will be the sum of individual reluctances

Analysis of series-parallel magnetic circuit.

We now take up the following magnetic circuit (Figure 21.12) which appears to be not so straight forward as the previous cases. As a first step to solve this circuit, we would like to draw its equivalent electrical representation. Vertical links of the core are called limbs and the horizontal links are called yoke of the magnetic circuit. In the figure PU, QT and RS are the limbs whereas PQ, QR, UT and TS are the yokes. It is customary to fix up the corner points P,Q,R etc from the given physical dimensions, joining of which will give you the mean length of the flux paths. 

Magnetic Circuits | Basic Electrical Technology - Electrical Engineering (EE)

If the coil carries a current I in the direction shown, flux φ, produced in the first limb will be in the upward direction. Same φ is constrained to move along the yoke PQ. At point Q, two parallel paths are available to φ for its onwards journey namely (i) the central limb QT and (ii) the yoke QR. In other words, φ will be divided into two components φ1 and φ2 as shown with the obvious condition φ = φ1 + φ2. The relative values of these components will be decided by respective reluctances of the paths. φ1 and φ2 once again recombine at point T and completes the path. Now in the path TUPQ flux φ is same, it is made of same material and has same cross sectional area A, then its reluctance  Magnetic Circuits | Basic Electrical Technology - Electrical Engineering (EE) In the central limb, flux is same (φ 1), however it encounters two materials, one is iron (QM and WT) and the other is a small air gap (MW). The reluctance of the air gap  Magnetic Circuits | Basic Electrical Technology - Electrical Engineering (EE) The two reluctances ℜQM and ℜWT of the  magnetic material may however be combined into a single reluctance as ℜ1 = ℜQM + ℜWT. The portion of the magnetic circuit which carries flux φ2 can be represented by a single reluctance  Magnetic Circuits | Basic Electrical Technology - Electrical Engineering (EE)  Instead of carrying on with long suffixes let us call ℜQRST to be ℜ2. To write down the basic equations let us redraw the electrical equivalence of the above magnetic circuit below (Figure 21.13): 

Magnetic Circuits | Basic Electrical Technology - Electrical Engineering (EE)

                     Figure 21.13:

Important equations  

The various equations which will hold good are written below: 

φ = φ1 + φ2

NI = Hl + H1l1 + Hglg = ℜφ + (ℜ1+ℜg1 balance in loop1

(ℜ1+ℜg1 = ℜ2φ2 mmf balance in loop2

H1l1 + Hglg = H2l2 mmf balance in loop2

NI = Hl + H2l2 mmf balance in the outer loop.

General discussion on solving problems

As pointed out earlier, the approach to solve a magnetic circuit problem is primarily guided by the fact that whether the magnetic circuit is linear or non linear. If it is linear then the material is fully characterized by its relative permeability μr and the reluctance which remains constant (independent of the operating point) can be easily calculated and shown in the equivalent circuit. In other words, for linear cases, the magnetic circuit problems are solved exactly in the same manner for solving linear electrical circuits. Depending on situation, one can invoke any convenient method of solving electrical circuit problem here as well.  Let us go through the following solved linear magnetic circuit numerical problem to understand the steps involved.

However, in case of non linearity (which is more common in practice), one has no other alternative but to refer to graphical solution involving B-H characteristic of the material or materials. The reason being, the material can not be characterized by a unique μr for different operating points as dB/dH is a function of the operating point. The values of B’s (B, B1, B2) in the three limbs are expected to be different in the magnetic circuit of Figure 21.12. Instead of looking for relative permeabilities, it will be much easier to read the corresponding H values (H, H1, H2) from the B-H curve of the material and calculate the respective mmf drops as Hl, Hl1 and Hl2. Generally the pair of B-H values are given in tabular form for some fixed number of points. One has to plot these points on a simple graph paper and join them by a smooth curve to get the characteristic and use it for problem solving.

In practical situations we would like to know how much mmf (NI) is needed in order to establish a definite amount of flux at a particular portion of the magnetic circuit. In this lesson, we have primarily discussed the methods to be adopted to solve such problems. However, the reverse problem i.e., if the mmf (NI) is known how to calculate the flux produced at a particular portion of the magnetic circuit is somewhat involved. Similar situation exists in non linear electric circuit analysis as well with supply voltage known and the circuit elements are non linear in nature. In such cases, one has to either adopt numerical techniques or solve the problem graphically by drawing appropriate load lines. In this introductory lesson of magnetic circuit, we shall confine ourselves in solving problem of the first kind.

Let us go through the following solved non linear magnetic circuit numerical problem to understand the steps involved.  

Worked out example

  • Example-1 In the magnetic circuit detailed in Figure 21.14 with all dimensions in mm, calculate the required current to be passed in the coil having 200 turns in order to establish a flux of 1.28 mWb in the air gap. Neglect fringing effect and leakage flux. The B-H curve of the material is given in Figure 21.15. Permeability of air may be taken as, μ0 = 4π × 10-7 H/m

Solution: 

 Step 1 First draw the simplified diagram of the given magnetic circuit along with the equivalent circuit as shown in figure 21.16.

 Step 2 To calculate mean lengths of various parts, mark the center points of various limbs and yokes with small bullets.

 Step 3 Name the different portions which will carry same flux as 1, 2 and 3. For example, the path CFED is in fact path 1 where flux φ1 will remain same. Similarly the path DC (path 2) will carry same flux φ2 and path CBAD (path 3) will carry same flux φ3.   

 Step 4 Calculation of mmf required for the path 2: 

Magnetic Circuits | Basic Electrical Technology - Electrical Engineering (EE)

Magnetic Circuits | Basic Electrical Technology - Electrical Engineering (EE)

Figure 21.15:  For Q B1. 

Magnetic Circuits | Basic Electrical Technology - Electrical Engineering (EE)

Figure 21.16:  Circuit showing mean lengths. 

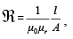
φg = φ2 = 1.28 × 10-3

Cross sectional area of central limb A2 = 16 × 10-4 m2

Magnetic Circuits | Basic Electrical Technology - Electrical Engineering (EE)

                                              63.66 × 104 AT/m

mmf required for gap Hglg = 63.66 × 104 × 1 × 10-4 AT

                                          = 63.66 AT 

Now we must calculate the mmf required in the iron portion of the central limb as follows: 

                            flux density, B2 = 0.8 T ∵ fringing & leakage neglected 

 corresponding H from graph, H2 ≈ 500 AT /m 

                     Mean iron length, l2 = (440 – 0.1) mm 

                                                     ≈ 0.44 m 

mmf required for iron portion, H2l2 = 220 AT 

Total mmf required for iron & air gap, = (220 + 63.66) AT 

                                              mmfCD  =   283.66 AT. 

Step 5 Due to parallel connection, mmf acting across path 1 is same as mmf acting across path 2. Our intention here, will be to calculate φ1 in path 1.

                         mean length of the path, l1 = lDE + lEF + lFC

                                                                     = 2 × 170 + 440 mm 

                                                                     = 0.78 m

                                                     Magnetic Circuits | Basic Electrical Technology - Electrical Engineering (EE)

corresponding flux density from graph, B≈ 0.39 T 

                                           Magnetic Circuits | Basic Electrical Technology - Electrical Engineering (EE)

Step 6  In this step we calculate the mmf necessary to drive φ3 in path 3 as follows. 

                                    flux in path 3, φ 3 = φ 1 + φ 2

                                                                = 2.22 × 10-3  Wb 

                                   flux density, B3 

                                                            Magnetic Circuits | Basic Electrical Technology - Electrical Engineering (EE)

                                                     ∴ B3 = 0.925 T 

         corresponding H from graph, H3 ≈ 562.5 AT /m 

                     mean length of path 3, l3 = 2 × 170 + 440 mm 

                                                             = 0.78 m 

               total mmf required for path 3 = H3l3

                                                            = 562.5 × 0.78 AT 

                                                            = 438.7 AT 

   ∴ mmf to be supplied by the coil, NI = 283.66 + 438.7 AT 

                                                or 200I = 722.36 AT  

∴ exciting current needed, I 

                                                            Magnetic Circuits | Basic Electrical Technology - Electrical Engineering (EE)

The document Magnetic Circuits | Basic Electrical Technology - Electrical Engineering (EE) is a part of the Electrical Engineering (EE) Course Basic Electrical Technology.
All you need of Electrical Engineering (EE) at this link: Electrical Engineering (EE)
74 docs|62 tests

FAQs on Magnetic Circuits - Basic Electrical Technology - Electrical Engineering (EE)

1. What is a magnetic circuit?
Ans. A magnetic circuit is a closed path or loop through which magnetic flux flows. It consists of a magnetic core made of a ferromagnetic material, such as iron, and one or more coils or windings that produce the magnetic field.
2. How does a magnetic circuit work?
Ans. A magnetic circuit works based on the principles of magnetism and electromagnetism. When a current flows through the coil or winding, it generates a magnetic field in the magnetic core, which in turn produces a magnetic flux. This flux follows the path of least resistance through the magnetic circuit, completing the loop.
3. What are the applications of magnetic circuits?
Ans. Magnetic circuits have various applications in electrical engineering. Some common applications include transformers, electric motors, generators, inductors, solenoids, and magnetic sensors. They are also used in magnetic levitation systems, magnetic resonance imaging (MRI) machines, and magnetic storage devices.
4. What is the difference between a magnetic circuit and an electric circuit?
Ans. The main difference between a magnetic circuit and an electric circuit lies in the medium through which energy flows. In an electric circuit, energy flows through the conductive material, such as wires, while in a magnetic circuit, energy flows through the magnetic field in the magnetic core. Electric circuits deal with the flow of electric current, while magnetic circuits deal with the flow of magnetic flux.
5. How can magnetic circuits be analyzed and designed?
Ans. Magnetic circuits can be analyzed and designed using magnetic circuit laws and principles. The most commonly used law is the Ampere's law for magnetic circuits, which states that the magnetic field intensity (H) multiplied by the length of the magnetic path (l) is equal to the magnetomotive force (MMF) applied to the circuit. By applying these laws, engineers can calculate and optimize parameters such as magnetic flux, reluctance, and magnetic field strength to design efficient magnetic circuits for specific applications.
Related Searches

Extra Questions

,

practice quizzes

,

Important questions

,

Exam

,

Previous Year Questions with Solutions

,

pdf

,

Semester Notes

,

study material

,

Viva Questions

,

Magnetic Circuits | Basic Electrical Technology - Electrical Engineering (EE)

,

MCQs

,

Magnetic Circuits | Basic Electrical Technology - Electrical Engineering (EE)

,

Summary

,

Objective type Questions

,

Magnetic Circuits | Basic Electrical Technology - Electrical Engineering (EE)

,

mock tests for examination

,

shortcuts and tricks

,

Sample Paper

,

video lectures

,

Free

,

past year papers

,

ppt

;