Electrical Engineering (EE) Exam  >  Electrical Engineering (EE) Notes  >  Study Notes for Sequential Circuits (Part -2)

Study Notes for Sequential Circuits (Part -2) - Electrical Engineering (EE) PDF Download

1. Registers
When a group of the flip flop is used to store a word (a group of bits) then it is called register. To store n bits, n flip flops are cascaded in the register. If in a register, the binary information can be moved from stage to stage, this type of registers is called shift registers. According to data movement in a register, shift registers can be classified as

  • Serial Input Serial Output (SISO)
  • Serial Input Parallel Output (SIPO)
  • Parallel Input Serial Output (PISO)
  • Parallel Input Parallel Output (PIPO)

Serial Input Serial Output (SISO)
Study Notes for Sequential Circuits (Part -2) - Electrical Engineering (EE)
Study Notes for Sequential Circuits (Part -2) - Electrical Engineering (EE)

  • In registers edge trigger circuit used to make circuit synchronous.
  • If no clock is applied then get same data which is stored.
  • In N bits SISO registers to provide N bits data, Serially in require N clock pulse, and Serially out require (N-1) clock pulse.

Serial Input Parallel Output (SIPO)
Study Notes for Sequential Circuits (Part -2) - Electrical Engineering (EE)

  • To provide N-bit data: Serial in requires N clock pulse, and Serial out requires no clock pulse.
  • SISO can provide n × tCIK delay to the input.
  • SISO can convert serial data or temporal code to parallel or serial code.

Parallel Input Serial Output (PISO)
Study Notes for Sequential Circuits (Part -2) - Electrical Engineering (EE)

  • If control = 0 then it acts as parallel input;
  • If control = 1 then it acts as serial output;
  • To provide parallel input, one clock pulse is required.
  • To provide N bits serial output, it requires (N-1) clock pulse.
  • PISO can convert special code to temporal code.

Parallel Input Parallel Output (PIPO)
Study Notes for Sequential Circuits (Part -2) - Electrical Engineering (EE)

  • In PIPO register for parallel input number of pulse required is 1 clock pulse.
  • In PIPO register for parallel output number of pulse required is 0 clock pulse.
  • PIPO register cannot be used as a shift register.
  • It is used for temporal storage of data in microcontroller, DSP, CPU etc.

Summary of Registers
Study Notes for Sequential Circuits (Part -2) - Electrical Engineering (EE)

2. Counter

  • A counter is a sequential logic circuit capable of counting the number of clock pulses arriving at its clock input.
  • The sequence of count may be ascending, descending or non-sequence.
  • For a counter circuit having n flip flops, Maximum possible states (N) = 2n
  • If N = 2n, the counter acts as a binary counter.
  • If  N < 2n , the counter the non-binary counter.
  • It counter is capable to count from 0 to 2n-1.
  • MOD number is the Number of states present in a counter is known as modulus count or MOD number.
  • For n-flip flops, the counter will have 2n different states then this counter is said MOD- 2n counter.

MOD-N Counter

  • MOD number indicates frequency division obtained from the last flip flops.
    Study Notes for Sequential Circuits (Part -2) - Electrical Engineering (EE)
  • Cascaded two counters:
    Study Notes for Sequential Circuits (Part -2) - Electrical Engineering (EE)
  • MOD-MN counter:
    Overall states of combined counter = MN
    Input frequency = f
    Output frequency f = f/(MN)

3. Classification of Counters
Based upon the applying clock pulse, counters are classified into two categories.

  • Synchronous counter
  • Asynchronous counter (ripple counter)
    Study Notes for Sequential Circuits (Part -2) - Electrical Engineering (EE)

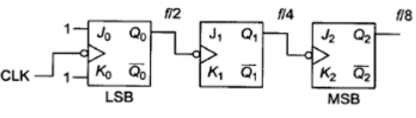
4. Toggle Mode Circuit
These are frequency dividers circuit.

Study Notes for Sequential Circuits (Part -2) - Electrical Engineering (EE)
Study Notes for Sequential Circuits (Part -2) - Electrical Engineering (EE)

Other Toggle Mode Circuit
Study Notes for Sequential Circuits (Part -2) - Electrical Engineering (EE)

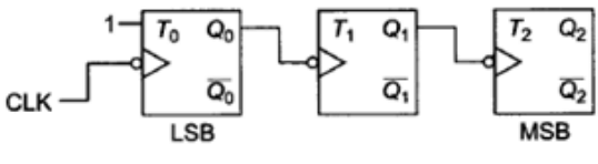
5. Asynchronous Counter (Ripple counter)

  • A different clock pulse is applied to different flip flops.
  • All flip flops are operating in toggle mode.
  • In asynchronous counter flip flop applied with external clock acts as LSB bit.

3-bit Ripple Up Counter
Study Notes for Sequential Circuits (Part -2) - Electrical Engineering (EE)

  • Input clock is applied at LSB bit.
  • It n-bit ripple counter maximum possible states are 2n.
  • Bit ripple up counter counts from 0 to 2n - 1.
  • If all states are used then with input frequency f, then output frequency will be f/2n
  • Calculation of Time Period of Flip Flop: In n-bit ripple counter if propagation delay of each flip flop is tpd(FF), then the time period of the clock is:
    Study Notes for Sequential Circuits (Part -2) - Electrical Engineering (EE)
  • Maximum Clock Frequency
    Study Notes for Sequential Circuits (Part -2) - Electrical Engineering (EE)
  • Due to propagation delays of flip flops decoding errors are present.
  • Clear and preset are known as asynchronous input to flip flop.
  • In any ripple counter, the following conditions will fulfil
    Negative edge trigger and Q as clock ⇒ up counter
    Positive edge trigger and Q as clock ⇒ up counter

3-bit Ripple Down Counter

Study Notes for Sequential Circuits (Part -2) - Electrical Engineering (EE)

  • Positive edge trigger and Q as clock ⇒ down counter
  • Negative edge trigger and Q as clock ⇒ down counter

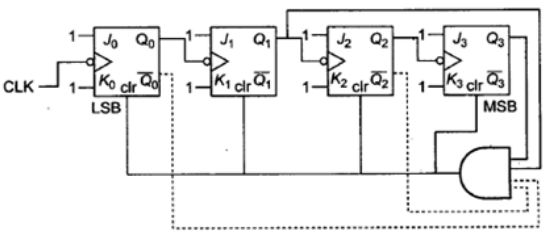
Non-binary Ripple Counter
Decode counter or BCD counter is an example of a non-binary counter. It requires 4 flip flops.
Study Notes for Sequential Circuits (Part -2) - Electrical Engineering (EE)

  • Used state = 10 and unused states = 6 → (24 -10)
  • Output frequency of BCD counter = f/10
  • For making non-binary counter clear (clr) signal is used.
  • c1r is active high, and (clr)' is active low.

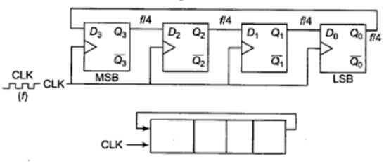
6. Synchronous Counters
In this type of counter, there are no connections of first flip flop output to a clock input of the next flip flop.
Ring Counter: It is a circular shift register with only flip flop being set at any particular time, all others are cleared. It is a shift register with feedback.
Study Notes for Sequential Circuits (Part -2) - Electrical Engineering (EE)

  • In ring counter, if feedback is used the number of states is reduced.
  • With n flip flops maximum states = n.
  • Number of unused states in ring counter = 2n – n
  • Maximum Clock Frequency: If input frequency is f, then at the output of every flip flop we get f/N frequency. In ring counter, if propagation delay of each flip flop is tpd(FF) then
    Study Notes for Sequential Circuits (Part -2) - Electrical Engineering (EE)

Jhonson Ring Counter: Jhonson ring counter is also called as a Twisted ring counter, Switch tail counter, Creeping counter, or Mobies counter.
Study Notes for Sequential Circuits (Part -2) - Electrical Engineering (EE)

  • In n - bit Jhonson counter maximum used states = 2n, unused states = 2n - 2n.
  • If input clock frequency is f, the output frequency of each flip flop is f /2n and the duty cycle is 50%.
  • A disadvantage of Jhonson Ring Counter: Lockout may occur. To decode each state one, two input AND or NOR gate is used.
The document Study Notes for Sequential Circuits (Part -2) - Electrical Engineering (EE) is a part of Electrical Engineering (EE) category.
All you need of Electrical Engineering (EE) at this link: Electrical Engineering (EE)
Download as PDF

Top Courses for Electrical Engineering (EE)

Related Searches

Study Notes for Sequential Circuits (Part -2) - Electrical Engineering (EE)

,

practice quizzes

,

Viva Questions

,

shortcuts and tricks

,

ppt

,

Semester Notes

,

Summary

,

mock tests for examination

,

Previous Year Questions with Solutions

,

Study Notes for Sequential Circuits (Part -2) - Electrical Engineering (EE)

,

MCQs

,

study material

,

video lectures

,

Sample Paper

,

pdf

,

Extra Questions

,

Exam

,

Study Notes for Sequential Circuits (Part -2) - Electrical Engineering (EE)

,

Objective type Questions

,

past year papers

,

Free

,

Important questions

;