A full wave rectifier is a component, in electronics that converts alternating current (AC) into direct current (DC). Unlike a wave that only utilizes one half of the input cycle a full wave rectifier takes advantage of both the positive and negative halves of the input cycle resulting in a smoother and more efficient output. In this article, we will go through the types of full wave rectifiers how they work, their advantages and disadvantages as well and their applications.
A wave rectifier circuit is used to convert an input AC signal into DC by rectifying both negative cycles. This process is achieved by utilizing diodes that conduct during each cycle of the input signal. The outcome is a DC output with reduced ripples compared to a half-wave rectifier resulting in a smoother waveform with a value.

Full Wave Rectifier Circuit
An electrical arrangement called a wave rectifier circuit’s employed to convert alternating current (AC) into direct current (DC). It makes use of diodes to ensure that both halves of the AC cycle are transformed into a flow of current, in one direction. This leads to a smoother DC output. The basic implementation can be done using either a center tapped transformer or a bridge rectifier configuration.
We are going to learn about some important formulas as given below :
A full wave rectifier is a circuit that converts alternating voltage (AC) into (DC) voltage. There are two used types; the center tapped wave and the bridge rectifier.
To calculate the output DC voltage (Vout) of a center tapped full wave rectifier you can use the equation:

Here,
There are four diodes used in a bridge rectifier to rectify the AC voltage. The output voltage (Vout) of a bridge rectifier can be calculated using the below equation:
Vout = Vm – Vd
Where:
In both cases, the output voltage is a pulsating DC voltage. To obtain a smoother DC voltage, a filter capacitor is often connected across the output.
Note: Keep in mind that these formulas provide idealized results, and in practical circuits, there may be variations due to factors like diode characteristics, transformer losses, and other real-world considerations.
PIV is the maximum reverse voltage that a diode in a full-wave rectifier must withstand. It is equal to the peak value of the input AC voltage.
PIV= Vm
where, Vm = peak value of the AC input voltage
The DC output voltage of a full-wave rectifier is approximately equal to the peak value of the AC input voltage minus the voltage drop across the diodes.
Vdc ≈ Vm – 2Vd
where, Vd= voltage drop across each diode
The RMS value of the output current in a full-wave rectifier can be calculated using the RMS value of the input current.
where, Im= peak value of the input current
The form factor is the ratio of the RMS value of the output voltage to the average value of the output voltage. For a full-wave rectifier, the form factor is typically around 1.11.
Where, Vrms = RMS value of the output voltage
The peak factor is the ratio of the peak value of the output voltage to its RMS value.
Rectification efficiency measures how effectively the rectifier converts AC to DC. It is the ratio of the DC power output to the AC power input. The efficiency of the full wave rectifiers is 81.2%.
Ripple voltage is the AC component super imposed on the DC output voltage. In a full-wave rectifier with a filter capacitor, it can be calculated using the load current (IL) and the capacitance (C) of the filter capacitor.
A filter circuit in conjunction with a full-wave rectifier plays a crucial role in converting alternating current (AC) into direct current (DC) with minimal ripple voltage. The full-wave rectifier, typically implemented using diodes, ensures that both halves of the AC input waveform are utilized, effectively doubling the frequency of voltage pulses. However, this rectification process still leaves some residual AC components and produces a pulsating DC output. To smooth out these fluctuations and obtain a relatively constant DC voltage, a filter circuit is employed. This filter typically consists of capacitors and sometimes inductors arranged in various configurations.

Filter Circuit using Full Wave Rectifier
Capacitors store electrical energy and discharge it during the brief gaps between rectified pulses, effectively reducing the ripple voltage. This results in a much smoother and steady DC output that is suitable for powering electronic devices and circuits. The combination of the full-wave rectifier and the filter circuit ensures that the DC output is nearly constant, which is crucial for many applications where stable power supply is essential.
A full wave rectifier is an electronic circuit that converts alternating current (AC) into direct current (DC), and it has two main types:

Centre-tapped Full Wave Rectifier
A center-tapped full wave rectifier circuit consists of a center-tapped transformer, two diodes, and a resistive load. The center-tapped transformer has a wire connected at the center of its secondary winding, which divides the input AC voltage into two halves. The diodes are connected in parallel to each other, with the load connected at the center tap of the transformer.
During the positive half of the input cycle, one diode conducts (forward bias) while the other diode is non-conducting (reverse bias). This allows current to flow through the load. In the negative part of the cycle, the diodes change their job. The one that was allowing electricity to flow now stops, and the one that was blocking it begins to allow it through. This is unlike a half-wave rectifier that uses only one part of the cycle. Using both parts in a full wave rectifier improves its performance and ensures more efficient conversion of the wavy input into a smooth output.

Working of Centre-tapped Full Wave Rectifier
In this arrangement the center tapped full wave rectifier effectively converts AC to DC by utilizing two diodes. During the half of the AC cycle one diode allows current to flow through the connected device or load. Conversely during the half of the cycle the other diode takes over. Enables current to flow in the opposite direction. This dual diode action ensures that both positive and negative halves of the input AC cycle are transformed into an flow resulting in a more stable and reliable source of power for electronic devices.

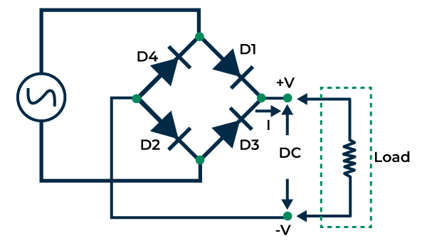
Bridge Rectifier Full Wave Rectifier
A wave rectifier that doesn’t need a center-tapped transformer is a bridge rectifier circuit. Instead, it converts both of the input cycle’s negative components using four diodes arranged in a bridge arrangement.
In this circuit, the diodes are positioned so that two conduct during one half of the input cycle and the other two conduct during the other. By ensuring that both input cycle halves are rectified, a current (DC) output waveform is produced.
Input Image

Input Voltage Waveforms
Output Image

Rectified Output Voltage/Current Waveforms
Consider a square with two diodes on top and two on bottom, making the outline of a bridge. When the AC power goes through this bridge, during each half of the cycle, two of these diodes start working like a team. They let the electric current flow through them and into whatever you’re powering. This clever setup ensures that both the positive and negative parts of the AC electricity get turned into DC, which means you get a smoother and more even kind of electricity that’s great for powering all sorts of things.
So, a bridge rectifier is like a bridge that helps make your power supply smooth and stable.
Suppose we have an AC voltage source with a sinusoidal waveform:
This AC voltage source is connected to a full-wave bridge rectifier circuit consisting of four diodes. We want to find the output DC voltage Vout across the load resistor (RL=1,000).
Solution
1. The given AC voltage source Vin(t) has a frequency of 60 Hz, which means it completes 60 cycles per second.
2. The full-wave bridge rectifier circuit will convert both the positive and negative halves of the input AC waveform into positive DC voltage.
3. The output voltage Vout can be calculated as follows:
Vout= Vpeak − Vdiode drop
4. To find Vpeak, we need to determine the peak value of the sinusoidal waveform. The peak value of a sine wave is times its RMS (root mean square) value.
RMS value = 10/√2 volts
Peak value Vpeak = √2 volts = 10 volts
5. Now, we can calculate Vout:
Vout = 10 volts – 0.7 volts = 9.3 volts
So, the output DC voltage Vout across the load resistor is 9.3 volts when the input AC voltage is a 10-volt sinusoidal waveform with a frequency of 60 Hz. This rectified DC voltage can be used to power electronic devices or circuits.
A full-wave rectifier with a smoothing capacitor is an electrical circuit designed to convert alternating current (AC) into direct current (DC) while mitigating voltage fluctuations, resulting in a more stable DC output voltage. This configuration is frequently employed in power supply systems to deliver a dependable source of DC voltage for a variety of electronic devices. The rectifier uses diodes to ensure that both halves of the AC cycle are utilized, yielding a pulsating DC output. The smoothing capacitor, connected in parallel, stores energy during peak voltage moments and releases it during lower voltage periods, effectively diminishing voltage ripples, thus furnishing a steadier DC output. This helps ensure consistent power delivery for electronic equipment.

Full Wave Rectifier With Smoothing Capacitor
There are some list of advantages and disadvantages of Full Wave Rectifier given below :
Full wave rectifiers play a vital role in electronics by converting AC signals to DC signals. Whether it’s a center-tapped rectifier or a bridge rectifier, both types offer advantages such as higher rectification efficiency, smoother DC output waveforms, and increased output voltage and load current values. These rectifiers find applications in power supply units, radio signal detection, electric welding, and high voltage conversion, among others. Understanding the working principles and characteristics of full wave rectifiers is essential for anyone working in the field of electronics.
|
135 videos|181 docs|71 tests
|
| 1. What is a full wave rectifier? | ![]() |
| 2. How does a full wave rectifier differ from a half wave rectifier? | ![]() |
| 3. What are the two types of full wave rectifiers? | ![]() |
| 4. What is the advantage of using a full wave rectifier over a half wave rectifier? | ![]() |
| 5. How does a full wave rectifier improve the efficiency of power supplies? | ![]() |