Electrical Engineering (EE) Exam  >  Electrical Engineering (EE) Questions  >  A strain gauge forms one arm of the bridge sh... Start Learning for Free
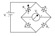
A strain gauge forms one arm of the bridge shown in the figure below and has a  nominal resistance without any load as Rs = 300 . Other bridge resistances are R1 = R2 = R3 = 300. The maximum permissible current through the strain gauge is 20mA. During certain measurement when the bridge is excited by maximum permissible voltage and the strain gauge resistance is increased by 1% over the nominal value, the output voltage V0  in mV is
  • a)
    56.02
  • b)
    40.83
  • c)
    29.85
  • d)
    10.02
Correct answer is option 'C'. Can you explain this answer?
Most Upvoted Answer
A strain gauge forms one arm of the bridge shown in the figure below a...
Voltage, Vin = (300+300)*20m
                      = 12v
Now, V 0 =  6-((300/603)*12)
                = 0.03v.   I.e., 30mV
Explore Courses for Electrical Engineering (EE) exam

Top Courses for Electrical Engineering (EE)

Question Description
A strain gauge forms one arm of the bridge shown in the figure below and has a nominal resistance without any load asRs= 300 . Other bridge resistances areR1= R2= R3= 300. The maximum permissible current through the strain gauge is 20mA. During certain measurement when the bridge is excited by maximum permissible voltage and the strain gauge resistance is increased by 1% over the nominal value, the output voltageV0 in mV isa)56.02b)40.83c)29.85d)10.02Correct answer is option 'C'. Can you explain this answer? for Electrical Engineering (EE) 2025 is part of Electrical Engineering (EE) preparation. The Question and answers have been prepared according to the Electrical Engineering (EE) exam syllabus. Information about A strain gauge forms one arm of the bridge shown in the figure below and has a nominal resistance without any load asRs= 300 . Other bridge resistances areR1= R2= R3= 300. The maximum permissible current through the strain gauge is 20mA. During certain measurement when the bridge is excited by maximum permissible voltage and the strain gauge resistance is increased by 1% over the nominal value, the output voltageV0 in mV isa)56.02b)40.83c)29.85d)10.02Correct answer is option 'C'. Can you explain this answer? covers all topics & solutions for Electrical Engineering (EE) 2025 Exam. Find important definitions, questions, meanings, examples, exercises and tests below for A strain gauge forms one arm of the bridge shown in the figure below and has a nominal resistance without any load asRs= 300 . Other bridge resistances areR1= R2= R3= 300. The maximum permissible current through the strain gauge is 20mA. During certain measurement when the bridge is excited by maximum permissible voltage and the strain gauge resistance is increased by 1% over the nominal value, the output voltageV0 in mV isa)56.02b)40.83c)29.85d)10.02Correct answer is option 'C'. Can you explain this answer?.
Solutions for A strain gauge forms one arm of the bridge shown in the figure below and has a nominal resistance without any load asRs= 300 . Other bridge resistances areR1= R2= R3= 300. The maximum permissible current through the strain gauge is 20mA. During certain measurement when the bridge is excited by maximum permissible voltage and the strain gauge resistance is increased by 1% over the nominal value, the output voltageV0 in mV isa)56.02b)40.83c)29.85d)10.02Correct answer is option 'C'. Can you explain this answer? in English & in Hindi are available as part of our courses for Electrical Engineering (EE). Download more important topics, notes, lectures and mock test series for Electrical Engineering (EE) Exam by signing up for free.
Here you can find the meaning of A strain gauge forms one arm of the bridge shown in the figure below and has a nominal resistance without any load asRs= 300 . Other bridge resistances areR1= R2= R3= 300. The maximum permissible current through the strain gauge is 20mA. During certain measurement when the bridge is excited by maximum permissible voltage and the strain gauge resistance is increased by 1% over the nominal value, the output voltageV0 in mV isa)56.02b)40.83c)29.85d)10.02Correct answer is option 'C'. Can you explain this answer? defined & explained in the simplest way possible. Besides giving the explanation of A strain gauge forms one arm of the bridge shown in the figure below and has a nominal resistance without any load asRs= 300 . Other bridge resistances areR1= R2= R3= 300. The maximum permissible current through the strain gauge is 20mA. During certain measurement when the bridge is excited by maximum permissible voltage and the strain gauge resistance is increased by 1% over the nominal value, the output voltageV0 in mV isa)56.02b)40.83c)29.85d)10.02Correct answer is option 'C'. Can you explain this answer?, a detailed solution for A strain gauge forms one arm of the bridge shown in the figure below and has a nominal resistance without any load asRs= 300 . Other bridge resistances areR1= R2= R3= 300. The maximum permissible current through the strain gauge is 20mA. During certain measurement when the bridge is excited by maximum permissible voltage and the strain gauge resistance is increased by 1% over the nominal value, the output voltageV0 in mV isa)56.02b)40.83c)29.85d)10.02Correct answer is option 'C'. Can you explain this answer? has been provided alongside types of A strain gauge forms one arm of the bridge shown in the figure below and has a nominal resistance without any load asRs= 300 . Other bridge resistances areR1= R2= R3= 300. The maximum permissible current through the strain gauge is 20mA. During certain measurement when the bridge is excited by maximum permissible voltage and the strain gauge resistance is increased by 1% over the nominal value, the output voltageV0 in mV isa)56.02b)40.83c)29.85d)10.02Correct answer is option 'C'. Can you explain this answer? theory, EduRev gives you an ample number of questions to practice A strain gauge forms one arm of the bridge shown in the figure below and has a nominal resistance without any load asRs= 300 . Other bridge resistances areR1= R2= R3= 300. The maximum permissible current through the strain gauge is 20mA. During certain measurement when the bridge is excited by maximum permissible voltage and the strain gauge resistance is increased by 1% over the nominal value, the output voltageV0 in mV isa)56.02b)40.83c)29.85d)10.02Correct answer is option 'C'. Can you explain this answer? tests, examples and also practice Electrical Engineering (EE) tests.
Explore Courses for Electrical Engineering (EE) exam

Top Courses for Electrical Engineering (EE)

Explore Courses
Signup for Free!
Signup to see your scores go up within 7 days! Learn & Practice with 1000+ FREE Notes, Videos & Tests.
10M+ students study on EduRev