Mechanical Engineering Exam  >  Mechanical Engineering Notes  >  Engineering Mechanics for Mechanical Engineering  >  Reduction of a Simple Distributed Loading

Reduction of a Simple Distributed Loading | Engineering Mechanics for Mechanical Engineering PDF Download

Distributed Loads

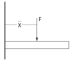
Wind and water loads, cars on a bridge, and people on a crowded walkway often generate loads that are approximated as a pressure (force per unit area) or a distributed load (force per unit length). In order to utilize our equilibrium equations, however, we need forces and moments. Consequently, it is often necessary to replace a pressure or distributed load with a single force. First, consider a simple example. We will apply a uniform load to a beam that is 3 m long and the space, a between the wall and the beginning of the applied load is 0.5 m. It should be easy to see that, if we want to replace this with a single force, it must be a 250 N load placed in the middle of the loaded region (i.e. Reduction of a Simple Distributed Loading | Engineering Mechanics for Mechanical Engineering 1:75 m).

Reduction of a Simple Distributed Loading | Engineering Mechanics for Mechanical Engineering

Reduction of a Simple Distributed Loading | Engineering Mechanics for Mechanical Engineering

Next, take the system shown below, a cantilevered beam with an increasing, triangular distributed load which peaks at w0.

Reduction of a Simple Distributed Loading | Engineering Mechanics for Mechanical Engineering

Reduction of a Simple Distributed Loading | Engineering Mechanics for Mechanical Engineering

The distributed load has units of force per unit length (N/m or lbs./ft.) and, in this case, can be written as,

Reduction of a Simple Distributed Loading | Engineering Mechanics for Mechanical Engineering          (11.1)

In order to ensure that the forces in the two systems are equivalent, we require

Reduction of a Simple Distributed Loading | Engineering Mechanics for Mechanical Engineering      (11.2)

which yields,

Reduction of a Simple Distributed Loading | Engineering Mechanics for Mechanical Engineering

We also want it to have the same moment about the origin. In order to do this we require that,

Reduction of a Simple Distributed Loading | Engineering Mechanics for Mechanical Engineering  (11.3)

which yields,

Reduction of a Simple Distributed Loading | Engineering Mechanics for Mechanical Engineering

and the position of the force,  Reduction of a Simple Distributed Loading | Engineering Mechanics for Mechanical Engineering must be 2/3 L

Example Here is another distributed load acting on a beam. Replace the distributed load with a single force.

Reduction of a Simple Distributed Loading | Engineering Mechanics for Mechanical Engineering 

The document Reduction of a Simple Distributed Loading | Engineering Mechanics for Mechanical Engineering is a part of the Mechanical Engineering Course Engineering Mechanics for Mechanical Engineering.
All you need of Mechanical Engineering at this link: Mechanical Engineering
23 videos|86 docs|44 tests

FAQs on Reduction of a Simple Distributed Loading - Engineering Mechanics for Mechanical Engineering

1. What is a distributed loading?
Ans. Distributed loading refers to a type of load that is spread out or distributed over a certain area or length rather than being concentrated at a single point. It can be applied to various structures, such as beams or plates, and is often used to simulate real-life loading conditions.
2. How is a simple distributed loading reduced?
Ans. To reduce a simple distributed loading, the load is typically divided into smaller, manageable sections or segments. Each segment's load is then calculated separately, and the results are combined to determine the overall effect on the structure. This reduction process helps in analyzing and designing structures to withstand the distributed load more efficiently.
3. What are the benefits of reducing a simple distributed loading?
Ans. Reducing a simple distributed loading has several benefits. Firstly, it allows engineers to accurately analyze the structural behavior under different loading scenarios. Secondly, it helps in designing structures that can withstand the distributed load without failure. Lastly, it aids in optimizing the use of materials and reducing costs by ensuring that the structure is adequately designed to handle the distributed load.
4. What are some examples of structures that experience distributed loading?
Ans. Various structures can experience distributed loading. Examples include beams supporting uniformly distributed loads such as floors or roofs, plates encountering pressure loads, bridges subjected to traffic loads, and pipelines carrying fluid under pressure. Understanding how distributed loading affects these structures is crucial in ensuring their safe and efficient design.
5. How does reducing a simple distributed loading contribute to structural safety?
Ans. Reducing a simple distributed loading is essential for maintaining structural safety. By accurately analyzing and designing structures to withstand the distributed load, engineers can ensure that the stress and strain within the structure remain within acceptable limits. This helps prevent structural failures, such as excessive deflection, buckling, or collapse, thereby ensuring the safety of the structure and its occupants.
Related Searches

Summary

,

Reduction of a Simple Distributed Loading | Engineering Mechanics for Mechanical Engineering

,

shortcuts and tricks

,

Semester Notes

,

Reduction of a Simple Distributed Loading | Engineering Mechanics for Mechanical Engineering

,

Extra Questions

,

ppt

,

MCQs

,

video lectures

,

Exam

,

mock tests for examination

,

practice quizzes

,

Reduction of a Simple Distributed Loading | Engineering Mechanics for Mechanical Engineering

,

Free

,

study material

,

Sample Paper

,

Previous Year Questions with Solutions

,

Viva Questions

,

Objective type Questions

,

pdf

,

Important questions

,

past year papers

;