Pin diagram of 555 Timer
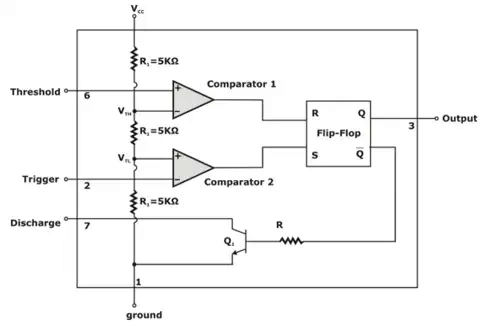
Block diagram representation of the internal circuit of the 555-IC timerA block-diagram representation of the 555 timer is shown above. The internal circuit consists of two comparators, an SR flip-flop, a discharge transistor Q1 (used as a switch) and a resistive divider. A single supply VCC powers the device.
The resistive divider is formed by three equal resistors (each typically 5 kΩ) connected between VCC and ground. These establish the two reference voltages used by the comparators:
The SR flip-flop acts as a bistable device with complementary outputs Q and Q̄. When the flip-flop is in the set state, Q is high (≈ VCC) and Q̄ is low (≈ 0 V). In the reset state Q is low and Q̄ is high.

The comparators drive the flip-flop: the output of comparator 1 is connected to the reset input of the flip-flop and the output of comparator 2 to the set input. The external pins labelled Threshold and Trigger are connected respectively to the positive input of comparator 1 and the negative input of comparator 2. The collector of the discharge transistor Q1 is connected to the external Discharge pin. The flip-flop output Q is routed to the external Output pin of the IC.
The 555 Circuit connected as Monostable Multivibrator
Wave formThe 555 in monostable mode produces a single output pulse of fixed width in response to a negative trigger pulse on the Trigger pin. The external circuit typically comprises one timing resistor R and one timing capacitor C connected between the Discharge pin and ground. The capacitor voltage is monitored by the comparators.

Before a trigger, the Trigger pin is held high (≈ +VCC), the flip-flop is in its quiescent state, the output is low or high depending on convention (see circuit), and Q1 conducts so that the timing capacitor is discharged (VC = 0).

When a negative-going trigger pulse drives the Trigger voltage below VTL = (1/3) VCC, comparator 2 output goes high and sets the flip-flop. The flip-flop output changes state, the discharge transistor Q1 turns off and the timing capacitor begins to charge through R towards VCC.

The capacitor voltage during charging follows the exponential relation
v(t) = VCC (1 - e-t/RC)
The flip-flop remains in the set state after the trigger finishes (both comparator outputs are then low), so the capacitor keeps charging until its voltage reaches the threshold level VTH = (2/3) VCC. When this happens, comparator 1 forces the flip-flop to reset, the output returns to the quiescent value and Q1 turns on to discharge the capacitor rapidly to near zero volts. The circuit thus returns to the original state, ready for the next trigger.

The pulse width T is obtained by solving v(T) = (2/3) VCC using the charging expression. The derivation is shown below.
v(T) = VCC (1 - e-T/RC) = (2/3) VCC
1 - e-T/RC = 2/3
e-T/RC = 1/3
-T/RC = ln(1/3) = -ln 3
T = RC ln 3
The output pulse width therefore depends only on the external time constant RC and is independent of the supply voltage and most internal parameters.
Astable Multivibrator 555 Circuit
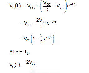
WaveformIn astable mode the 555 is configured as a free-running oscillator. The threshold and trigger pins are connected together so the timing capacitor charges and discharges between the two comparator thresholds (1/3 VCC and 2/3 VCC) repeatedly. Two resistors RA and RB and a capacitor C set the timing.
When the capacitor voltage reaches (2/3) VCC, comparator 1 resets the flip-flop, Q1 turns on and the capacitor discharges through RB and Q1 toward ground. When the capacitor voltage falls to (1/3) VCC, comparator 2 sets the flip-flop and Q1 turns off, allowing the capacitor to charge through RA + RB toward VCC. These charge and discharge intervals define the high and low times of the output waveform.



The capacitor charge from (1/3)VCC to (2/3)VCC during the high interval (TC) can be derived as follows.
For charging, the time constant is τC = (RA + RB) C.
The capacitor voltage when charging from an initial value Vi toward VCC is VC(t) = VCC - (VCC - Vi) e-t/τ.
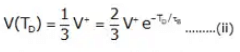
With Vi = (1/3) VCC and VC(TC) = (2/3) VCC we get:
(2/3) VCC = VCC - (2/3) VCC e-TC/τC
(2/3) e-TC/τC = 1/3
e-TC/τC = 1/2
TC = τC ln 2 = (RA + RB) C ln 2
The capacitor discharge from (2/3) VCC to (1/3) VCC during the low interval (TD) follows similarly.
For discharging, the time constant is τD = RB C.
Solving for TD yields:
TD = τD ln 2 = RB C ln 2




The total period and frequency are therefore:



Using ln 2 ≈ 0.693 the commonly used practical forms are:
Duty cycle: Duty cycle is the percentage of the period during which the output is high.

Duty cycle = TH / T = (RA + RB) / (RA + 2 RB) × 100%.
The duty cycle is always greater than 50% for RA > 0. To obtain 50% or less, additional circuits (e.g., a diode across RB or a flip-flop divider) are used.
Active filters are filters that use active components (typically operational amplifiers) along with resistors and capacitors to shape the frequency spectrum of signals. They can provide gain, isolation and improved performance without using inductors.

Advantages of active filters
Disadvantages of active filters
First-order low pass filter circuit:


First-order high pass filter circuit:





First-order band-pass filter circuit:




First-order band-stop filter circuit:



| 1. What is a 555 timer circuit? | ![]() |
| 2. How does a 555 timer circuit work? | ![]() |
| 3. What are some common applications of a 555 timer circuit? | ![]() |
| 4. Can a 555 timer circuit be used as an active filter? | ![]() |
| 5. Are there any limitations or drawbacks of using a 555 timer circuit? | ![]() |
![]() | Explore Courses for Electronics and Communication Engineering (ECE) exam |
![]() | Get EduRev Notes directly in your Google search |