The Junction Field Effect Transistor (JFET) can be operated mainly in three regions. Those are the Cut-off, Ohmic and Saturation regions. We must operate the JFET in the Ohmic or linear regions for amplification. We will use the respective JFET amplifier based on the requirement.
As the name implies, the amplifier performs the amplification. It is an electronic circuit in which the transistor is one of the main components. Among types of transistors, JFET is the second one. If JFET is present in an amplifier circuit, it is said to be a JFET amplifier.
JFET Amplifier Circuit Diagram
The basic electric quantities are voltage and current. The product of voltage and current is known as power. Using an amplifier, if we get the amplification of input voltage at the output, it is known as a voltage amplifier. Similarly, the current and power amplifiers amplify the current and power at the output.
We can classify the JFET amplifiers based on different parameters in multiple ways. JFET configuration is one of those parameters. We will get three types of JFET amplifiers since we have three configurations of JFET. One by one, now let us discuss these amplifiers.
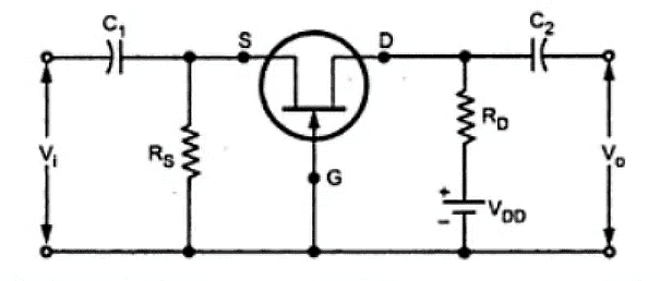
In the Common Gate JFET configuration, the Gate terminal of JFET is common to both input and output.
In this configuration, we will consider the Source and Drain terminals of the JFET amplifier as the input and output terminals.
The circuit diagram of the JFET Amplifier, which is configured in Common Gate (CG), is shown below:

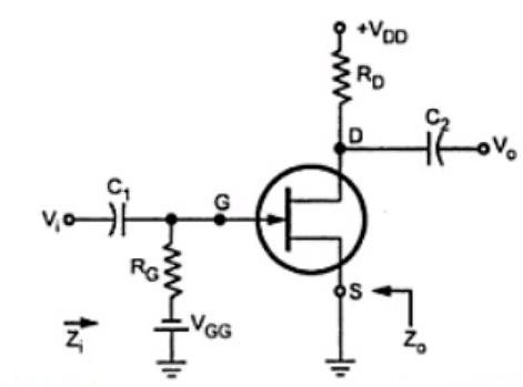
In the Common Source JFET configuration, the Source terminal of JFET is common to both input and output.
In this configuration, we will consider the Gate and Drain terminals of the JFET as the input and output terminals.
The circuit diagram of the JFET Amplifier, which is configured in Common Source (CS), is shown below.
Common Source Circuit of JFET
In the Common Drain JFET configuration, the Drain terminal of the JFET amplifier is common to both input and output.
In this configuration, we will consider the Gate and Source terminals of the JFET as the input and output terminals.
The JFET Amplifier's circuit diagram, configured in Common Drain (CD), is shown below.
Common Drain JFET Amplifier
Question 1: What is JFET Amplifier?
Answer:
We have three types of JFET amplifiers based on the transistor configuration. Those are CG, CS, and CD amplifiers. CG amplifiers can be used as current buffers and voltage amplifiers. CS amplifiers can be used as power amplifiers. CD amplifiers can be used as voltage buffers and current amplifiers.
Question 2: What is a source follower in JFET Amplifier?
Answer:
In the JFET amplifier which is configured in Common Drain (CD), the output voltage across the Source terminal is the same as that of the voltage applied at the Gate terminal of JFET. Hence, it is called a source follower. The voltage gain of the source follower is equal to one.
Question 3: What is a voltage buffer in JFET Amplifier?
Answer:
An electronic circuit is said to be a voltage buffer if it has unity voltage gain. In the JFET amplifier which is configured in Common Drain (CD), the voltage across the Source and Gate terminals of the JFET is the same. Since the voltage gain of a CG amplifier is equal to one, it is called a voltage buffer.
Question 4: Are FET and JFET same?
Answer:
FET stands for Field Effect Transistor. There are two types of FETs. Those are the Junction Field Effect Transistor (JFET) and Metal Oxide Semiconductor Field Effect Transistor (MOSFET). In short, we can call JFET and MOSFET together FET because both belong to the same transistor family.
Question 5: Why is FET called a unipolar device?
Answer:
In a Bipolar Junction Transistor (BJT) the current flow is due to both charge carriers. i.e., electrons and holes. Whereas in a Field Effect Transistor (FET), the current flows due to charge carriers are of only one type. i.e., either electrons or holes. Hence, FET is called a unipolar device.
![]() | Explore Courses for Electrical Engineering (EE) exam |
![]() | Get EduRev Notes directly in your Google search |