All Exams  >   JEE  >   Mock Tests for JEE Main and Advanced 2026  >   All Questions

All questions of JEE Main & Advanced Mock Test Series 2026 for JEE Exam

Consider the following cell reaction:
2Fe(s) + O2(g) + 4H+(aq) 2Fe2+(aq) + 2H2O(l); E° = 1.67 V
At [Fe2+] = 10-3 M, P(O2) = 0.1 atom and pH = 3, the cell potential (in V) at 25°C is
    Correct answer is '1.57'. Can you explain this answer?

    Lakshmi Roy answered
    The given cell reaction is as follows:
    2Fe(s) + O2(g) + 4H+(aq) -> 2Fe2+(aq) + 2H2O(l)

    To determine the cell potential, we need to use the Nernst equation, which is given by:
    E = E° - (0.0592/n) log(Q)

    where E is the cell potential, E° is the standard cell potential, n is the number of moles of electrons transferred in the balanced equation, and Q is the reaction quotient.

    Given:
    E° = 1.67 V
    [Fe2+] = 10^-3 M
    P(O2) = 0.1 atm
    pH = 3

    First, let's calculate the reaction quotient Q:
    Q = [Fe2+]^2[H2O]/[O2][H+]^4

    Since the coefficients in the balanced equation are all 1, we can simplify the expression to:
    Q = [Fe2+]^2[H2O]/[O2][H+]^4

    Substituting the given values:
    Q = (10^-3)^2/(0.1)(10^-3)^4
    Q = 10^-6/(10^-1)(10^-12)
    Q = 10^-6/(10^-13)
    Q = 10^7

    Now we can plug the values into the Nernst equation to find the cell potential:
    E = 1.67 V - (0.0592/2) log(10^7)
    E = 1.67 V - (0.0296) log(10^7)
    E = 1.67 V - (0.0296)(7)
    E = 1.67 V - 0.2072
    E = 1.4628 V

    Therefore, the cell potential at 25°C is approximately 1.46 V.

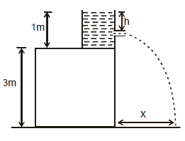
    A water tank stands on the roof of a building as shown. Then the value of 'h' for which the distance covered by the water 'x'  is greatest is - 
    • a)
      0.5 m
    • b)
      0.67 m
    • c)
      1 m 
    • d)
      none of these
    Correct answer is option 'C'. Can you explain this answer?

    Rohit Jain answered
     

    the roots of x are (0,4) and the maximum of x is at h = 2.
    The permitted value of h is 0 to 1 clearly h = 1 will give the maximum value of x is this interval. 
    Aliter : If the column of water itself were from ground upto a height of 4m, h = 2m would give the maximum range x. Farther the hole is from this midpoint ,lower the range.Here the nearest point possible to this midpoint is the base of the container. Hence h = 1m.

    Which of the following statement(s) is/are incorrect regarding chloride of iron?
    • a)
      Iron chloride is back at anhydrous condition.
    • b)
      It sublimes at 300°C and forms a dimer.
    • c)
      It is an oxidising agent.
    • d)
      It is ether soluble but water insoluble.
    Correct answer is option 'D'. Can you explain this answer?

    Ajay Yadav answered
    This problem is based on various properties of iron chlorides. To solve this problem, students must have the knowledge of solubility of iron chloride in aqueous solution, the existence of iron chloride in ether solution, oxidising properties of iron chloride.
    Properties of iron chloride
    (i) FeCl3 (Iron chloride) is back coloured in anhydrous conditions. But its hydrated form is yellowish-brown.
    (ii) FeCl3 sublimes at 300°C3 to give a dimer.
    (iii) FeCl3 is water-soluble as well as ether soluble due to solvation.
    (iv) It is an oxidising agent, during oxidation. The yellow colour of aqueous Fe (III) changes to light green aqueous Fe (II).

    Let A and B be two fixed points and P, another point in the plane, move such that k1PA + k2PB = k3 where k1, k2 & k3 being real constants. The locus of P is
    • a)
      A circle if k1 = 0 and k2, k3 > 0
    • b)
      A circle if k1 > 0, k2 < 0="" and="" />3 = 0
    • c)
      An ellipse if k1 = k2 > 0 and k3 > 0
    • d)
      A hyperbola if k2 = −1 and k1, k3 > 0
    Correct answer is option 'A,B,C'. Can you explain this answer?

    Sameer Saha answered
    , and k3 are constants.

    Let's consider the triangle formed by points A, B, and P. The ratio k1PA/k2PB represents the ratio of the distances from P to A and P to B. This ratio is constant for all positions of P.

    Now, let's consider a point Q that is also in the plane. The ratio k1QA/k2QB should also be equal to k3, according to the given condition.

    So, we can say that for any two points P and Q in the plane, the ratio of their distances to A and B respectively will always be the same, equal to k3.

    Therefore, the locus of points P that satisfy the given condition is a circle. The center of the circle is the midpoint of line segment AB, and the radius of the circle is given by k3 times the distance between A and B.

    Figure shows a uniformly charged hemispherical shell. The direction of electric field at point p, that is off-centre (but in the plane of the largest circle of the hemisphere), will be along     
     
    • a)
      pa
    • b)
      pb
    • c)
      pc
    • d)
      pd
    Correct answer is option 'B'. Can you explain this answer?

    Let electric field at point. 'p' has both x and y component.
    So similar electric field will be, for other hemisphere (upper half).
    Now lets overlap both.

    (Enet)p = 2 Ex and it should be zero (as E inside a full shell = 0).
    So Ex = 0, So electric field at 'p' is purely in y direction.

    Which of the following statements is/are correct ?      
    • a)
      Out of trimethylamine and trimethylphosphine, trimethylamine has higher dipole moment ?
    • b)
      Out of (SiH3)2O and (CH3)2O, (SiH3)2O is more basic. 
    • c)
      C–C bond length (in pm) in C2 molecule is greater than O–O bond length in O2 molecule.
    • d)
      N(SiMe3)3 and BF3 molecules are isostructural.
    Correct answer is option 'A,C,D'. Can you explain this answer?

    Lavanya Menon answered
    (A) Nitrogen is more electronegative than phosphorus.
    So, dipole moment of trimethylamine is greater than trimethy phosphine.
    In trisilyl ether the lone pair of electron on oxygen atom is less easily available for donation because of pπ-dπ
    delocalisation due to presence of the vacant d-orbital with Si. This however is not possible with carbon in CH3–O–CH3 due to the absence of d-orbital making it more basic.
    (C) Bond order of C2
    and O2 are same i.e., 2. In C2 molecules both bonds are π-bonds whereas, there is one  σ and one π-bond in O2 molecule
    C2 = 131 pm ; O2 = 121 pm.

    Product of 22 integers is equal to 1, then their sum cannot be
    • a)
      0
    • b)
      1
    • c)
      2
    • d)
      4
    Correct answer is option 'A,B,D'. Can you explain this answer?

    Only integers which can satisfy this condition are -1 & +1. taking 10 times -1 and 12times +1 we will get the product 1. and sum will result in 2. check other cases similarly.

    What happens when a mixture of NaCl and K2Cr2O7 is gently warmed with conc. H2SO4?
    • a)
      A deep red vapour is evolved.
    • b)
      The vapour when passed into NaOH solution gives a yellow solution of Na2CrO4.
    • c)
      Chlorine gas is evolved.
    • d)
      Chromyl chloride is formed.
    Correct answer is option 'A,B,D'. Can you explain this answer?

    Vijay Kumar answered
    During this process, chromyl chloride is formed which is deep red coloured fuming liquid.
    4NaCl + K2Cr2O7 + H2SO4 + 4NaHSO4 + 2KHSO4 + 3H2O
    The vapour of CrO2Cl2 when passed into NaOH solution gives a yellow solution of Na2CrO4.

    Directions: The following question has four choices, out of which ONE or MORE are correct.
    Cv and Cp denote the molar specific heat capacities of a gas at constant volume and constant pressure, respectively. Then,
    • a)
      Cp + Cv is larger for a diatomic ideal gas than for a monatomic ideal gas
    • b)
      Cp / Cv is larger for a diatomic ideal gas than for a monatomic ideal gas
    • c)
      Cp . Cv is larger for a diatomic ideal gas than for a monatomic ideal gas
    • d)
      Cp - Cv is larger for a diatomic ideal gas than for a monatomic ideal gas
    Correct answer is option 'A,C'. Can you explain this answer?

    Lekshmi Joshi answered
    Answer:

    Introduction:
    The molar specific heat capacities of a gas at constant volume (Cv) and constant pressure (Cp) are important thermodynamic properties that describe how the gas responds to changes in temperature. In this question, we are comparing the values of Cp and Cv for diatomic and monatomic ideal gases.

    Cv and Cp for an ideal gas:
    For an ideal gas, the molar specific heat capacity at constant volume (Cv) is the amount of heat required to raise the temperature of one mole of the gas by one degree Celsius while keeping the volume constant. On the other hand, the molar specific heat capacity at constant pressure (Cp) is the amount of heat required to raise the temperature of one mole of the gas by one degree Celsius while allowing the pressure to remain constant.

    Comparison between diatomic and monatomic ideal gases:
    To compare the values of Cp and Cv for diatomic and monatomic ideal gases, we need to consider the degrees of freedom of the gas molecules. The degrees of freedom represent the number of independent ways in which the gas molecules can store energy.

    Monatomic ideal gas:
    A monatomic ideal gas consists of single atoms, such as helium or argon. Since these atoms can only move in three dimensions (x, y, and z), they have three degrees of freedom. For a monatomic ideal gas, the molar specific heat capacities at constant volume (Cv) and constant pressure (Cp) are related by the equation Cp/Cv = γ, where γ is the adiabatic index. For a monatomic ideal gas, γ is equal to 5/3 or approximately 1.67.

    Diatomic ideal gas:
    A diatomic ideal gas consists of molecules with two atoms, such as oxygen or nitrogen. In addition to the three translational degrees of freedom, diatomic molecules can also rotate about their center of mass. Since a diatomic molecule can rotate about two independent axes, it has a total of five degrees of freedom. For a diatomic ideal gas, the molar specific heat capacities at constant volume (Cv) and constant pressure (Cp) are related by the equation Cp/Cv = γ, where γ is equal to 7/5 or approximately 1.4.

    Comparison of Cp and Cv:
    From the above information, we can conclude that Cp/Cv is larger for a diatomic ideal gas than for a monatomic ideal gas. This means that the molar specific heat capacity at constant pressure (Cp) is larger than the molar specific heat capacity at constant volume (Cv) for a diatomic ideal gas. Therefore, option B is incorrect.

    Furthermore, the product Cp.Cv is larger for a diatomic ideal gas than for a monatomic ideal gas. This can be seen from the equation Cp/Cv = γ, where γ is greater for a monatomic ideal gas (5/3) compared to a diatomic ideal gas (7/5). Therefore, option C is correct.

    In addition, Cp - Cv is also larger for a diatomic ideal gas than for a monatomic ideal gas. This can be seen from the difference in values of γ for the two types of gases. Therefore, option D is correct.

    Summary:
    In summary, for a diatomic ideal

    If range of the function f(x) = sin-1 x + 2 tan-1 x + x2 + 4x + 1 is [a, b], then the value of a + b is
      Correct answer is '4'. Can you explain this answer?

      Avik Nambiar answered
      To find the range of the function f(x) = sin^{-1}x * 2tan^{-1}x * x^2 * 4x * 1, we need to consider the range of each individual term and then find the combined range.

      1. Range of sin^{-1}x:
      The range of the arcsine function is [-pi/2, pi/2]. This means that the function sin^{-1}x will give values between -pi/2 and pi/2 for all values of x.

      2. Range of 2tan^{-1}x:
      The range of the arctangent function is (-pi/2, pi/2). When multiplied by 2, the range becomes (-pi, pi). This means that the function 2tan^{-1}x will give values between -pi and pi for all values of x.

      3. Range of x^2:
      The range of x^2 is [0, infinity). This means that the function x^2 will give values greater than or equal to 0 for all values of x.

      4. Range of 4x:
      The range of 4x is (-infinity, infinity). This means that the function 4x will give all real values for all values of x.

      5. Range of 1:
      The range of a constant function is the single value that it represents. In this case, the function 1 will always give the value 1.

      Now, to find the combined range, we need to consider the intersection of the ranges of the individual terms.

      - The intersection of the ranges of sin^{-1}x and 2tan^{-1}x is (-pi/2, pi/2).
      - The intersection of this range and the range of x^2 is [0, pi/2].
      - The intersection of this range and the range of 4x is [0, pi/2].
      - The intersection of this range and the range of 1 is [0, pi/2].

      Therefore, the range of the function f(x) is [0, pi/2].

      However, the question asks for the value of a + b. Since the range is [0, pi/2], a = 0 and b = pi/2. Therefore, a + b = 0 + pi/2 = pi/2.

      Hence, the correct answer is 4.

      At a certain temperature in a 5 L vessel, 2 moles of carbon monoxide and 3 moles of chlorine were allowed to reach equilibrium, according to the following reaction:
      CO + Cl2 ⇌ COCl2
      At equilibrium, if 1 mole of CO is present, then equilibrium constant (KC) for the reaction is:(Nearest integer)
      Correct answer is '3'. Can you explain this answer?

      Pallavi Ahuja answered
      Understanding the Reaction
      The reaction given is:
      - CO + Cl2 ⇌ COCl2
      Initially, there are 2 moles of CO and 3 moles of Cl2 in a 5 L vessel.
      Initial Moles
      - CO: 2 moles
      - Cl2: 3 moles
      - COCl2: 0 moles
      Change in Moles
      At equilibrium, 1 mole of CO is present. Therefore, the change in moles for CO is:
      - CO: 2 moles - 1 mole = 1 mole reacted
      From the stoichiometry of the reaction, 1 mole of CO reacts with 1 mole of Cl2 to produce 1 mole of COCl2.
      Calculating Change for Cl2 and COCl2
      - Cl2: 3 moles - 1 mole = 2 moles reacted
      - COCl2: 0 moles + 1 mole = 1 mole formed
      Equilibrium Moles
      At equilibrium, we have:
      - CO: 1 mole
      - Cl2: 2 moles
      - COCl2: 1 mole
      Calculating Concentrations
      To find the equilibrium concentrations, divide the moles by the volume (5 L):
      - [CO] = 1/5 = 0.2 M
      - [Cl2] = 2/5 = 0.4 M
      - [COCl2] = 1/5 = 0.2 M
      Equilibrium Constant (Kc)
      The equilibrium constant expression for the reaction is:
      Kc = [COCl2] / ([CO][Cl2])
      Substituting the equilibrium concentrations:
      Kc = (0.2) / (0.2 * 0.4) = 0.2 / 0.08 = 2.5
      Rounding to the nearest integer gives Kc as 3.
      Conclusion
      The equilibrium constant Kc for the reaction is 3.

      Match the statements in column-I with the statements in column-II.
                  Column-I                                                            Column-II 
        (A)  A tight string is fixed at both ends and         (p)   At the middle, antinode is formed 
              sustaining standing wave                                       in odd harmonic
        (B)  A tight string is fixed at one end and           (q)   At the middle, node is formed 
              free at the other end                                              in even harmonic
        (C)  Standing wave is formed in an open organ   (r)    At the middle, neither node nor 
              pipe. End correction is not negligible.                     antinode is formed
        (D)  Standing wave is formed in a closed           (s)    Phase difference between SHMs of any
              organ pipe. End correction is not negligible.            two particles will be either p or zero.  
                                                                              (t)    The displacement of the particle in the                                                                                                                                                        middle is always non zero.
      • a)
        (A) p,q,s   (B) r,s  (C) s  (D) r,s 
      • b)
        (A) r,q   (B) s  (C) p,q,r  (D) p 
      • c)
        (A) r   (B) p,q  (C) r,p  (D) p,q 
      • d)
        (A) r  (B) q  (C) p,q  (D) r 
      Correct answer is option 'A'. Can you explain this answer?

      Aadhar Academy answered
      (A) Number of loops (of length λ/2) will be even or odd and node or antinode will respectively be formed at the
      middle.
      Phase of difference between two particle in same loop will be zero and that between two particles in adjacent
      loops will be π.
      (B) and (D) Number of loops will not be integral. Hence neither a node nor an antinode will be formed in in the
      middle.
      Phase of difference between two particle in same loop will be zero and that between two particles in adjacent
      loops will be π.
      (C) Number of loops (of length λ/2) will be even or odd and antinode or node will respectively be formed at the
      middle.
      Phase of difference between two particle in same loop will be zero and that between two particles in adjacent loops will be π ..

      In a head-on elastic collision of two bodies of equal masses
      • a)
        the velocities are interchanged
      • b)
        the speeds are interchanged
      • c)
        the momenta are interchanged
      • d)
        the faster body slows down and the slower body speeds up
      Correct answer is option 'A,B,C,D'. Can you explain this answer?

      Hiral Rane answered
      Understanding Head-On Elastic Collisions
      In a head-on elastic collision involving two bodies of equal masses, several important principles apply. Here’s a breakdown of the outcomes:
      1. Velocities are Interchanged
      - In an elastic collision, the law of conservation of momentum and kinetic energy applies.
      - When two bodies of equal mass collide, their velocities effectively swap.
      - If Body A moves towards Body B with velocity V1 and Body B moves towards Body A with velocity V2, after the collision, Body A will take on the velocity of Body B and vice versa.
      2. Speeds are Interchanged
      - Since the masses are equal, the speeds (magnitude of velocity) are also exchanged.
      - This means if Body A was faster, it slows down while Body B speeds up to match the speed of Body A prior to the collision.
      3. Momenta are Interchanged
      - The momentum of a body is the product of its mass and velocity.
      - In this case, because the masses are equal and velocities are interchanged, the momenta are also effectively swapped between the two bodies.
      4. The Faster Body Slows Down and the Slower Body Speeds Up
      - The kinetic energy, which is proportional to the square of the speed, is conserved in elastic collisions.
      - As a result, the faster body loses some speed while the slower body gains speed, leading to an overall exchange of kinetic energy.
      In summary, for two equal-mass bodies in a head-on elastic collision, the outcomes are interconnected: velocities, speeds, and momenta are interchanged, and each body adjusts its speed accordingly based on its initial conditions.

      In the shown circuit involving a resistor of resistance R W, capacitor of capacitance C farad and an ideal cell of emf E volts, the capacitor is initially uncharged and the key is in position 1. At t = 0 second the key is pushed to position 2 for t0 = RC seconds and then key is pushed back to position 1 for t0 = RC seconds. This process is repeated again and again. Assume the time taken to push key from position 1 to 2 and vice versa to be negligible.
      Q. The charge on capacitor at t = 2RC second is 
      • a)
        CE
      • b)
      • c)
      • d)
      Correct answer is option 'C'. Can you explain this answer?

      For t = 0 to t0 = RC seconds, the circuit is of charging type. The charging equation for this time is

      Therefore the charge on capacitor at time t0 = RC is q0 
      For t = RC to t = 2RC seconds, the circuit is of discharging type. The charge and current equation for this time are
       and  
      Hence charge at t = 2 RC and current at t = 1.5 RC are

      and 
      Since the capacitor gets more charged up from t = 2RC to t = 3RC than in the interval  t = 0 to t = RC, the graph representing the charge variation is as shown in figure 

      The minimum value of 3x + 4y, subject to the condition x2y3 = 6 and x > 0, y > 0, is
        Correct answer is '10'. Can you explain this answer?

        Ajay Yadav answered
        Break 3x as 3x/2 and 3x/2 and 4y as 4y/3, 4y/3 and 4y/3.
        Now, we know that AM ≥ GM.
        So, applying on numbers 3x/2, 3x/2 and 4y/3, 4y/3 and 4y/3,
        Putting the value of x2y3 = 6, we get
        3x + 4y ≥ 10
        Minimum value of 3x + 4y = 10

        Chapter doubts & questions for JEE Main & Advanced Mock Test Series 2026 - Mock Tests for JEE Main and Advanced 2026 2025 is part of JEE exam preparation. The chapters have been prepared according to the JEE exam syllabus. The Chapter doubts & questions, notes, tests & MCQs are made for JEE 2025 Exam. Find important definitions, questions, notes, meanings, examples, exercises, MCQs and online tests here.

        Chapter doubts & questions of JEE Main & Advanced Mock Test Series 2026 - Mock Tests for JEE Main and Advanced 2026 in English & Hindi are available as part of JEE exam. Download more important topics, notes, lectures and mock test series for JEE Exam by signing up for free.

        Top Courses JEE

        Related JEE Content