| Table of contents | |
| Advantages | |
| Applications |
The Clapp oscillator was developed by David E. Clapp in the 1920s and is used today in a variety of industrial and non commercial applications. In all non commercial applications dealing with radio signals, computers and scientific experiments – the reasons for using this oscillator is to provide a finely controlled and stable signal that can be used to monitor and control anything from small motors to large industrial equipment. The technology behind this oscillator has remained unchanged since its inception but over the years some slight alterations have been made which have led to some improved performance. Lets discusses more on what is a Clapp oscillator – working with applications.
The Clapp oscillator is an LC oscillator that uses an inductor & three capacitors for setting the frequency of the oscillator. It is a simple, effective and efficient circuit to produce periodic output signals. The circuit is based on the feedback principle and it is one of the most common techniques used by engineers to generate periodic outputs. It is also known as the Gouriet oscillator. This oscillator is an advanced version of the Colpitts oscillator which was designed by simply adding an extra capacitor to the Colpitts oscillator.
The addition of extra capacitor provides more stable output when compare to the Colpitts Oscillator. The Colpitts oscillator’s phase shift network includes one inductor & two capacitors whereas the Clapp oscillator includes one inductor & three capacitors. In the Colpitts oscillator, the feedback factor will get affected because of the difference in the capacitance of two capacitors like C1 and C2. So it affects the oscillator circuit’s output. So, a Clapp oscillator is more preferred used over Colpitts oscillator.
The block diagram of the Clapp oscillator is shown below. From this diagram, it is very clear that the clap oscillator includes a single-stage amplifier & a phase shift network whereas the single-stage amplifier includes the voltage divider network.

The working principle of the Clapp oscillator is; this oscillator uses an amplifier circuit to provide the amplified signal for the phase shift network so that it generates regenerative feedback to the amplifier circuit. Consequently, sustained oscillations are generated which can be used to power an amplifier or other circuitry. The output signal will vary from full positive to full negative with a period equal to one half the frequency of the input signal. The frequency of this output signal can be adjusted by changing the capacitors C1 and C2 in series between ground and v+.
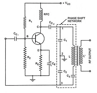
The Clapp oscillator circuit diagram is shown below. The transistor used in this circuit is supplied by the Vcc power source. The power supply is given to the transistor’s collector terminal through the RFC coil. Here, the RFC coil blocks the available AC component within the power source & supplies DC power only to the transistor circuit.

The transistor circuit supplies the power to the phase shift network throughout the CC2 decoupling capacitor (CC2) so that the AC component of the power is supplied only to the phase shift network. In the phase shift network, if any DC component is introduced then it will lead to the reduction within the Q-factor of the coil.
The transistor’s emitter terminal is connected through an RE resistor which enhances the strength of the voltage divider circuit. Here, the capacitor is connected in parallel with the emitter resistor to avoid the AC within the circuit.
The amplified power which is generated by an amplifier will appear across the capacitor C1 & the regenerative feedback passed toward the transistor circuit will be throughout the C2 capacitor. Here, it is also observed that the voltage across the two capacitors like C1 & C2 will be in reverse phase because these capacitors are grounded throughout the common terminal.
The voltage across the C1 capacitor will be in a similar phase to the generated voltage by the amplifier circuit and the voltage across the C2 capacitor is quite opposite in phase by the voltage across the amplifier circuit. So the voltage in the opposite phase can be supplied to the amplifier circuit because this circuit provides 180 degrees of phase shift.
Therefore, the feedback signal which has 180 degrees of phase shift already is passed through the amplifier circuit. After that, the total phase shift will be 360 degrees which is the necessary condition for an oscillator circuit to give oscillations.
The Clapp oscillator frequency can be calculated using the phase shift network’s net capacitance. The Clapp oscillator circuit operation is similar to the Colpitts oscillator. The clap oscillator frequency is given by the following relation.
Generally, the C3 value is very smaller as compared to both C1 & C2. Thus, ‘C’ is approximately equivalent to ‘C3’. So, the frequency of oscillation is;
fo = 1/2π√LC3
From the above equations, it is very clear that the Clapp oscillator’s frequency mainly depends on the ‘C3’ capacitance. So this mainly happens because the C1 & C2 capacitance values within the Clapp oscillator are kept fixed while the inductor & capacitor values vary to produce the resultant frequency.
Here it is to be noted that the C3 capacitance value must be smaller as compared to the C1 & C2 capacitance values because, if the C3 capacitance value is smaller, then the capacitor size will be small. So this leads to utilizing large-size inductors. So, the stray capacitance within the circuit will be insignificant because of C3.
However one should be extremely cautious while choosing the C3 capacitor. Because, if an extremely small capacitor is chosen, then the phase shift network may not possess enough inductive reactance to produce sustained oscillations. Thus, it must be smaller as compared to the C1 & C2 capacitances. So it must be sufficient to have a moderate reactance to offer oscillation.
The advantages of a clap oscillator include the following.
The applications of the clap oscillator include the following.
135 videos|182 docs|71 tests |